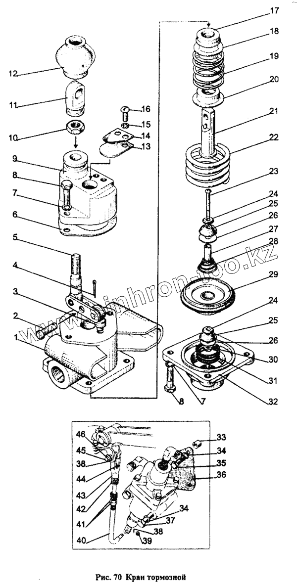
Каталог запасных частей к технике: МТЗ-1221. Кран тормозной
1
2
3
4
5
6
7
7
8
8
9
10
11
12
13
14
15
16
17
18
19
20
21
22
23
24
24
25
25
26
26
27
28
29
30
31
32
33
34
34
35
36
37
38
38
39
40
41
42
43
44
45
46
| Позиция на иллюстрации | Заводской номер детали | Название детали | |
|---|---|---|---|
| 80-3514060 | 80-3514060 | Корпус со штифтом и манжетой в сборе | |
| 80-3514020 | 80-3514020 | Диафрагма в сборе | |
| 80-3514120 | 80-3514120 | Тяга в сборе | |
| 80-3514010 | 80-3514010 | Кран тормозной | |
| 1 | 80-3514061 | Корпус | |
| 2 | 6х18 | Палец | |
| 3 | 80-3514063 | Штифт | |
| 4 | 2х12 | Шплинт | |
| 5 | 80-3514070 | Тяга | |
| 6 | 80-3514081 | Прокладка | |
| 7 | SНР6 | Шайба | |
| 8 | М6х20 | Винт | |
| 9 | 80-3514084 | Крышка | |
| 10 | М8 | Гайка | |
| 11 | 80-3514017 | Ушко | |
| 12 | 80-3514016 | Чехол | |
| 13 | 80-3514019 | Клапан | |
| 14 | 80-3514018 | Прижим | |
| 15 | SНР5 | Шайба | |
| 16 | VМ5х12 | Винт | |
| 17 | 80-3514062 | Манжета | |
| 18 | 80-3514087 | Втулка | |
| 19 | 80-3514014 | Пружина | |
| 20 | 80-3514013 | Тарелка пружины | |
| 21 | 80-3514082 | Шток | |
| 22 | 80-3514012 | Пружина | |
| 23 | 80-3514023 | Винт | |
| 24 | 80-3514021 | Шайба | |
| 25 | 80-3514026 | Клапан | |
| 26 | 80-3514027 | Шайба | |
| 27 | 80-3514022 | Трубка | |
| 28 | 80-3514024 | Пружина | |
| 29 | 80-3514040 | Диафрагма | |
| 30 | М4 | Гайка | |
| 31 | 80-3514011 | Пружина | |
| 32 | 80-3514083 | Крышка | |
| 33 | 85-3514012 | Бобышка | |
| 34 | SНР10 | Шайба | |
| 35 | М10х40 | Болт | |
| 36 | 85-3514011 | Кронштейн | |
| 37 | М10х70 | Болт | |
| 38 | 3,2х18 | Шплинт | |
| 39 | SНСН8 | Шайба | |
| 40 | 80-3514121 | Тяга | |
| 41 | М12х1,25 | Гайка | |
| 42 | DSSН-14.21.141 | Пружина | |
| 43 | 80-3514122 | Вилка | |
| 44 | 80-3514123 | Гайка | |
| 45 | 12х48 | Палец | |
| 46 | SНСН12 | Шайба |
Содержащиеся в справочниках-каталогах запасные части и детали не предлагаются к продаже, а носят исключительно информационный характер