Каталог запасных частей к технике: МТЗ-1221. Батарея аккумуляторная
1
2
2
2
2
2
3
3
3
3
3
3
4
4
5
5
5
5
6
6
6
7
8
9
9
10
11
12
13
13
14
14
15
16
17
18
19
20
21
22
23
24
25
26
27
28
29
30
31
32
33
34
35
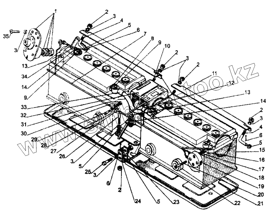
| Позиция на иллюстрации | Заводской номер детали | Название детали | |
|---|---|---|---|
| М6х25 | М6х25 | Винт | |
| 1 | ТО.020 | Включатель «массы» | |
| 2 | М5 | Гайка | |
| 3 | SНР6 | Шайба | |
| 4 | 70-3703021-В | Шпилька | |
| 5 | SНСН6 | Шайба | |
| 6 | 2х12 | Шплинт | |
| 7 | 80-3724340 | Жгут | |
| 8 | М8х30 | Болт | |
| 9 | М8 | Гайка | |
| 10 | 80-3703046 | Шпилька | |
| 11 | 80-3703044 | Прижим | |
| 12 | 80-3724043 | Провод | |
| 13 | М8х20 | Болт | |
| 14 | SНР8 | Шайба | |
| 15 | 12V100А/Н | Батарея аккумуляторная | |
| 16 | М3 | Гайка | |
| 17 | SНР3 | Шайба | |
| 18 | SНСН3 | Шайба | |
| 19 | 47К | Розетка | |
| 20 | VМ3х30 | Винт | |
| 21 | 80-3703037 | Основание | |
| 22 | 80-3703016 | Амортизатор | |
| 23 | 80-3703042 | Кронштейн | |
| 24 | 80-3703043 | Накладка | |
| 25 | М6х20 | Винт | |
| 26 | VМ6х20 | Винт | |
| 27 | 80-3723043 | Скоба | |
| 28 | SНСН5 | Гайка | |
| 29 | VМ5х16 | Винт | |
| 30 | SНР5 | Шайба | |
| 31 | М5 | Гайка | |
| 32 | 8632.2/7 | Переключатель | |
| 33 | 80-3724044 | Провод | |
| 34 | 52-1802087-В | Кронштейн | |
| 35 | VМ6х16 | Винт |
Содержащиеся в справочниках-каталогах запасные части и детали не предлагаются к продаже, а носят исключительно информационный характер