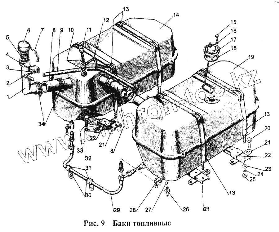
Каталог запасных частей к технике: МТЗ-1221. Баки топливные
1
2
3
4
5
6
7
8
8
9
10
11
12
13
13
13
14
15
16
17
18
19
20
21
21
21
22
22
23
24
25
26
27
28
29
30
31
32
33
34
| Позиция на иллюстрации | Заводской номер детали | Название детали | |
|---|---|---|---|
| 1221-1101000 | 1221-1101000 | Баки | |
| 1 | 85-1101260 | Горловина | |
| 2 | М8х20 | Болт | |
| 3 | SНР8 | Шайба | |
| 4 | SНСН8 | Шайба | |
| 5 | 082-1101050 | Фильтр | |
| 6 | 082-1103010 | Пробка | |
| 7 | 36-1101070 | Цепочка | |
| 8 | 70-1101035-В-01 | Рукав | |
| 9 | 85-1101002 | Трубка | |
| 10 | 36-1104788 | Прокладка | |
| 11 | 36-1104787 | Болт | |
| 12 | 85-1101240 | Трубка | |
| 13 | 85-1101070 | Хомут | |
| 14 | 85-1101020 | Бак левый | |
| 15 | М5х16 | Винт | |
| 16 | 80-1101067 | Шайба | |
| 17 | DUМР АDUI 400720.00 | Датчик указателя уровня топлива | |
| 18 | 200-3806026 | Прокладка | |
| 19 | 85-1101010 | Бак правый | |
| 20 | М10х25 | Болт | |
| 21 | 1221-1101130 | Кронштейн | |
| 22 | 80-1101012-В | Прокладка | |
| 23 | SНСН10 | Шайба | |
| 24 | SНР10 | Шайба | |
| 25 | М10 | Гайка | |
| 26 | 50-1101081-В | Штуцер | |
| 27 | 11,113-100 | Шарик | |
| 28 | РР61 | Кран | |
| 29 | 1221-1101345 | Топливопровод | |
| 30 | 50-1111102 | Прокладка | |
| 31 | 70-1101042 | Скоба | |
| 32 | SНР12 | Шайба | |
| 33 | М12х30 | Болт | |
| 34 | 50-70 | Хомут фирмы Nоrmа |
Содержащиеся в справочниках-каталогах запасные части и детали не предлагаются к продаже, а носят исключительно информационный характер