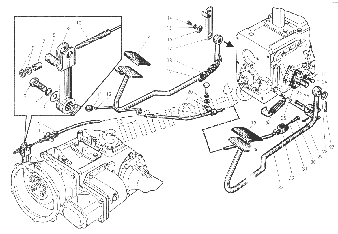
Каталог запасных частей к технике: МТЗ-112Н, 132Н. Управление сцеплением
1
2
3
4
5
6
7
8
9
10
11
12
13
13
14
15
15
16
17
18
19
20
21
22
23
24
25
26
27
28
29
30
31
32
33
34
35
| Позиция на иллюстрации | Заводской номер детали | Название детали | |
|---|---|---|---|
| 082-1602020-Б | 082-1602020-Б | Трос | |
| 1 | П05-0000027 | Гайка | |
| 2 | П05-0000013 | Винт | |
| 3 | ГОСТ 11371-78 | Шайба 6.01.019 | |
| 4 | ОСТ 37.001.115-75 | Шайба 8Т | |
| 5 | ГОСТ 7796-70 | Болт М8-6gх25.88.35.019 | |
| 6 | ГОСТ 5915-70 | Гайка М6-6Н.6.019 | |
| 7 | 082-1602074 | Втулка | |
| 8 | 082-1602072 | Сухарь | |
| 9 | 082-1602070 | Рычаг | |
| 10 | П05-3507011 | Винт | |
| 11 | А 13.11.000 | Рукоятка | |
| 12 | 082-3503022 | Тяга | |
| 13 | А 13.34.001 | Чехол | |
| 14 | ГОСТ 7798-70 | Болт M6-6gx12.88.35.019 | |
| 15 | ОСТ 37.001.115-75 | Шайба 8Т | |
| 16 | ГОСТ 6958-78 | Шайба 6.01.019 | |
| 17 | 082-3503025А | Пластина | |
| 18 | 50-1605152 | Пружина | |
| 19 | 082-3503015 | Педаль | |
| 20 | ГОСТ 11371-78 | Шайба 6.01.019 | |
| 21 | 70-4802043 | Кляммер | |
| 22 | ПР 32 | Прокладка | |
| 23 | 082-1602080 | Оболочка | |
| 24 | ГОСТ 7798-70 | Болт M6-6gx12.88.35.019 | |
| 25 | 082-1602047 | Стойка | |
| 26 | ОСТ 37.001.163-75 | Палец 8х30 | |
| 27 | ГОСТ 397-79 | Шплинт 3,2х18.019 | |
| 28 | ГОСТ 11371-78 | Шайба 6.01.019 | |
| 29 | ГОСТ 397-79 | Шплинт 3,2х18.019 | |
| 30 | 082-1602023 | Сухарь | |
| 31 | 082-1602022 | Канат | |
| 32 | 082-1602024 | Скоба | |
| 33 | 082-1602045 | Педаль | |
| 34 | 70-4616033 | Пружина | |
| 35 | 082-3503019 | Прокладка |
Содержащиеся в справочниках-каталогах запасные части и детали не предлагаются к продаже, а носят исключительно информационный характер