Каталог запасных частей к технике: МТЗ-1025.4. Корпус сцепления
1
2
3
4
5
5
5
5
5
6
7
8
8
9
10
10
11
12
13
14
15
16
17
18
19
20
21
22
23
24
25
26
27
28
29
30
30
31
32
33
34
35
36
37
38
39
40
41
42
43
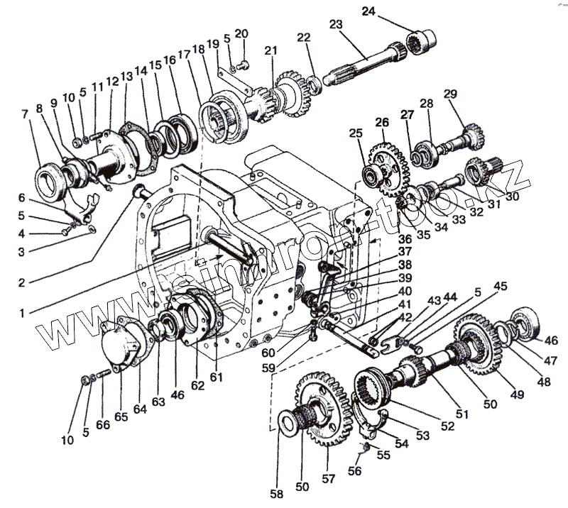
| Позиция на иллюстрации | Заводской номер детали | Название детали | |
|---|---|---|---|
| 80-1601050-01 | 80-1601050-01 | Вал | |
| 80-1601070 | 80-1601070 | Шестерня с кольцом и подшипником в сборе | |
| 80-1601160 | 80-1601160 | Вал с подшипниками в сборе | |
| 80-1601040 | 80-1601040 | Стакан с гайкой в сборе | |
| 80-1601190 | 80-1601190 | Вилка со штифтом в сборе | |
| 80-1601030-01 | 80-1601030-01 | Кронштейн отводки | |
| 85-1601150 | 85-1601150 | Вал в сборе | |
| 1 | 85-1601215 | Вал | |
| 2 | 50-1601022 | Заглушка | |
| 3 | 50-1601218 | Шпонка | |
| 4 | M10-6gx30.88.35.019 | Болт | |
| 5 | 10 ОТ | Шайба | |
| 6 | 85-1601203 | Вилка | |
| 7 | 986714 КС17 | Подшипник упорный | |
| 8 | 50-1601180-А | Отводка с масленкой и подшипником упорным в сборе | |
| 8 | 50-1601185-А | Отводка | |
| 9 | 1.1 .Ц9.хр | Масленка | |
| 10 | М10-6Н.6.019 | Гайка | |
| 11 | М10 3р/6gx25.66.019 | Шпилька | |
| 12 | 85-1601172 | Кронштейн | |
| 13 | 80-1601173 | Прокладка | |
| 14 | 240-1002055 | Манжета 2.1-50х70-4 | |
| 15 | 80-1601319 | Шайба | |
| 16 | 115К5 | Подшипник | |
| 17 | С105 | Кольцо | |
| 18 | 76-1000921 | Подшипник | |
| 19 | 80-1601318 | Планка | |
| 20 | М10-6gx25.88.35.019 | Болт | |
| 21 | 85-1601026 | Вал | |
| 22 | 2.2-38x58-1 | Манжета | |
| 23 | 80-1601113-01 | Вал | |
| 24 | 80С-1601061 | Втулка | |
| 25 | 305А | Подшипник | |
| 26 | 80-1601357-Б | Шестерня | |
| 27 | С35 | Кольцо | |
| 28 | 207 | Шарикоподшипник | |
| 29 | 80-1601071-Б | Шестерня | |
| 30 | 80-1601182 | Шестерня | |
| 30 | 80-1601180 | Шестерня 80-1601182 с осью, подшипником и кольцом в сборе | |
| 31 | 80-1601181 | Ось | |
| 32 | 204А | Подшипник | |
| 33 | С47 | Кольцо | |
| 34 | 80-1601356 | Шайба упорная | |
| 35 | 70-3003032 | Гайка | |
| 36 | 3,2x25.019 | Шплинт | |
| 37 | 80-1601219-Б | Рычаг | |
| 38 | 80-4608024 | Кольцо | |
| 39 | 36-1601016 | Корпус пылеотражателя | |
| 40 | СШ-611 | Шпонка | |
| 41 | 85-1601111 | Валик | |
| 42 | 020-025-30-1-4 | Кольцо | |
| 43 | 85-1601099 | Пластина |
Содержащиеся в справочниках-каталогах запасные части и детали не предлагаются к продаже, а носят исключительно информационный характер