Каталог запасных частей к технике: МТЗ-1025.4. Коробка передач
112-1700010-А
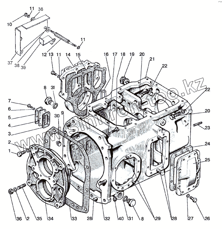
112-1700010-А-01
112-1700010-А-03
1
2
2
3
4
5
6
7
8
8
9
10
11
11
11
12
13
14
15
16
17
18
19
20
20
21
21
22
22
23
24
25
26
27
28
28
29
30
31
31
32
33
34
35
36
37
38
38
39
40
| Позиция на иллюстрации | Заводской номер детали | Название детали | |
|---|---|---|---|
| 112-1700010-А | 112-1700010-А | Коробка передач | |
| 112-1700010-А-01 | 112-1700010-А-01 | Коробка передач | |
| 112-1700010-А-03 | 112-1700010-А-03 | Коробка передач | |
| 1 | M16-6gx45.88.35.019 | Болт | |
| 2 | 16 ОТ | Шайба | |
| 3 | 85-4608086-А | Прокладка | |
| 4 | 85-4608087 | Указатель | |
| 5 | 85-4608088 | Пластина | |
| 6 | 6Т | Шайба | |
| 7 | М6-6gx16.88.35.019 | Болт | |
| 8 | 80-4608021 | Заглушка | |
| 9 | 10,0-60 | Шарик ГОСТ 3722-81 | |
| 10 | М10-6Н.6.019 | Гайка | |
| 11 | 10 ОТ | Шайба | |
| 12 | 1221-1802094 | Шпилька | |
| 13 | М10-6gx35.88.35.019 | Болт | |
| 14 | 1221-1802016 | Крышка | |
| 15 | 80-1701399-Б | Прокладка | |
| 16 | 1221-1737099 | Штуцер | |
| 17 | 20 ОТ | Шайба | |
| 18 | 70-4605036 | Болт | |
| 19 | 50-1002318-Б | Рым | |
| 20 | М18-6gx55.88.35.019 | Болт | |
| 21 | 80-1701025-Б | Корпус | |
| 21 | 80-1701025-А | Корпус | |
| 22 | 18 ОТ | Шайба | |
| 23 | 112-1701524 | Шпилька | |
| 24 | 50-1701456-А | Прокладка | |
| 25 | 70-1701454А2-01 | Крышка | |
| 26 | М12-6gx30.88.35.019 | Болт | |
| 27 | 12 ОТ | Шайба | |
| 28 | Д01-015 | Штифт установочный | |
| 29 | ШЦК10х25 | Штифт | |
| 30 | КГ 1 /8" | Пробка | |
| 31 | 027-032-30-1-4 | Кольцо | |
| 32 | 80-1701252 | Вал | |
| 33 | 80-1701026 | Прокладка | |
| 34 | 80-1701034-01 | Стакан | |
| 35 | 80-1701204 | Шпилька | |
| 36 | М16-6Н.6.019 | Гайка | |
| 37 | 1221-1802093 | Щиток | |
| 38 | С 10.01.019 | Шайба | |
| 39 | 1221-1802089-А | Скоба | |
| 40 | ПК КГ 3/8" | Пробка |
Содержащиеся в справочниках-каталогах запасные части и детали не предлагаются к продаже, а носят исключительно информационный характер