Вернуться на главную
Поиск
Каталоги запчастей к технике
Сельхозтехника
МТЗ
МТЗ-1021.3
Корпус КП, привод ПВМ
Каталог запасных частей к технике: МТЗ-1021.3. Корпус КП, привод ПВМ
zoom-in
zoom-out
enlarge
shrink
circle-right
circle-left
file-text2
info
cart
Тип техники
Не выбрано
Легковые автомобили
Грузовые автомобили и прицепы
Автобусы
Сельхозтехника
Спецтехника
Двигатели
Мототехника
Марка
Не выбрано
AGCO
Amity
CASE IH
DongFeng
Fortschritt
Foton
Franz Kleine
Gaspardo
Great Plains
KRONE
KUHN
Lemken
Lovol
MacDon
Massey Ferguson
New Holland
TIGARBO
Vaderstad
Versatile
Wirax
Агро
Агротехмаш
Бобруйскагромаш (ОАО «УКХ «Бобруйскагромаш»)
БЭМЗ
ВгТЗ
Воронежсельмаш
ВТЗ
Гомсельмаш
ДКЗ
ЗАО "Техника-сервис"
ЗиД
КЗК
Кировец-Ландтехник
Клевер
Красная Звезда
Лидагропроммаш
Лидсельмаш
ЛТЗ
Машстройхолдинг
Минитракторы
Мордовагромаш
МТЗ
Навигатор-Новое машиностроение
Нефтекамский автозавод
ПТЗ
Ремком
РСМ
Сибсельмаш
ТеКЗ
ТКЗ
ХЗТСШ
ХТЗ
ЮМЗ
Модель
Не выбрано
1025.5 (2013)
1025/1025.2/1025.3 (2009)
1220 (2011)
1220.5 (2013)
1523.5 (2013)
1523.5 с ГМТ (2014)
2122.3/2122.4 (2015)
3022ДЦ.1 (2011)
320.4М (2019)
622 (2012)
800/900 (2003)
80Х (2012)
892 (2011)
922.3 / 922.4 (2013)
922.5 (2013)
923.4 (2014)
923.5 (2013)
92П (2010)
952.5 (2013)
БЕЛАРУС 1025.7 (2022)
БЕЛАРУС 1220.7 (2022)
БЕЛАРУС 1221.7 (2022)
БЕЛАРУС 2103 (2015)
БЕЛАРУС 320 (1998)
БЕЛАРУС 3522.5 (2013)
БЕЛАРУС 3525 (2019)
БЕЛАРУС 421 (2014)
БЕЛАРУС 451 (2023)
БЕЛАРУС 651 (2023)
БЕЛАРУС 923.7 (2022)
БЕЛАРУС 952.7 (2022)
Беларус-08Н (09Н) (2015)
Беларус-422.1 (2018)
КБ-00.000 (САЗ) (2015)
КМ-2 (САЗ) (2015)
МТЗ-082
МТЗ-100
МТЗ-1005 (2008)
МТЗ-1021.3 (2010)
МТЗ-1025.4 (2009)
МТЗ-112Н, 132Н (2010)
МТЗ-1221 (1997)
МТЗ-1221 (2009) (2009)
МТЗ-1221.4 (2009)
МТЗ-1221.4 (2009)
МТЗ-1221.5 (2013)
МТЗ-1222/1523 (2009)
МТЗ-1522 (2008)
МТЗ-1523
МТЗ-1523 (2013)
МТЗ-1523 (2008) (2008)
МТЗ-1523.4 (2010)
МТЗ-1523.6 (2018)
МТЗ-2022 (2010)
МТЗ-2103 (2010)
МТЗ-2522 (2010)
МТЗ-310, 320, 321 (2011)
МТЗ-3522 (2011)
МТЗ-510/512, 520/522 (2010)
МТЗ-570 (2010)
МТЗ-80 (1998)
МТЗ-80 (2002) (2002)
МТЗ-80 (2009) (2009)
МТЗ-80.1 (2015)
МТЗ-821/921 (2009)
МТЗ-822 (2008)
МТЗ-826 (2010)
МТЗ-90/92 (2008)
МТЗ-900
МТЗ-900/920/950/952 (2009)
МТЗ-920.4/952.4 (2009)
МТЗ-922 (2008)
МТЗ-923 (2008)
ФР-00.010 (САЗ) (2015)
ФР-00700-Б (САЗ) (2015)
Схема
>
Не выбрано
Стеклоочистители
Стеклоомыватель
Кабина
Крыша
Крыша
Пол кабины
Двери кабины
Сиденье оператора
Сиденье оператора
Подвеска сиденья
Сиденье дополнительное
Отопитель
Кондиционер
Установка конденсатора
Установка компрессора кондиционера
Зеркало заднего вида внутреннее
Зеркало заднего вида боковое
Козырек противосолнечный
Облицовка
Облицовка
Облицовка
Подножка
Крылья передние (для ПВМ 822-2300020-03)
Крылья передние (для ПВМ 822-2300020-01 с короткими рукавами)
Управление БД и ВОМ (электрическая часть)
Бак топливный
Управление подачей топлива
Установка воздухоочистителя «Donaldson»
Глушитель
Блок охлаждения
Ограждение вентилятора
Охладитель наддувочного воздуха
Установка сцепления
Корпус сцепления
Корпус сцепления, отводка
Корпус сцепления (привод ВОМ, привод насоса гидросистемы навески)
Корпус сцепления, привод ВОМ
Управление сцеплением
Редуктор
Управление редуктором
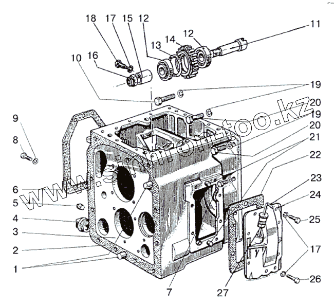
Корпус КП, привод ПВМ
Первичный вал КП
Вторичный вал КП
Вал 1 -ой передачи и передачи заднего хода
Вал промежуточный, вал внутренний
Механизм управления КП., корпус вилок
Механизм правого однорычажного управления КП (КП 74-1700010-05)
Механизм 2-х рычажного управления КП (КП 1021-1700010-05)
Раздаточная коробка
Управление раздаточной коробкой (для двухрычажной КПП)
Управление раздаточной коробкой (для однорычажной КПП)
Привод карданный, промежуточная опора карданного вала
Ограждение карданного вала
Передний ведущий мост
Главная передача переднего ведущего моста
Дифференциал
Редуктор конечной передачи переднего ведущего моста
Задний мост, дифференциал, конечные передачи
Механизм переключения ВОМ (независимый/синхронный)
Механизм блокировки дифференциала «сухого» типа
Механизм блокировки дифференциала «мокрого» типа
Полурама
Тяги рулевые
Колеса передние ведущие
Колеса передние ведущие
Колеса задние ведущие, ступицы задних колес
Колонка рулевая
Арматура рулевого управления
Гидроцилиндр Ц63 (63x30-200)
Бак
Тормоза рабочие «сухого» типа (двухдисковые), управление рабочими тормозами
Тормоза рабочие «сухого» типа (трехдисковые)
Тормоза рабочие «мокрого» типа (левый/правый)
Управление тормозами рабочими «мокрого» типа (СЗТ справа)
Управление тормозами рабочими «мокрого» типа (СЗТ слева)
Управление СЗТ для тормозов рабочих «сухого» типа (СЗТ слева)
Управление СЗТ для тормозов рабочих «сухого» типа (СЗТ справа)
Управление СЗТ для тормозов рабочих «мокрого» типа (СЗТ слева)
Управление СЗТ для тормозов рабочих «мокрого» типа (СЗТ справа)
Трубопроводы и арматура двухпроводного пневмопривода тормозов прицепа
Трубопроводы и арматура однопроводного пневмопривода тормозов прицепа
Компрессор
Электрооборудование двигателя
Электрооборудование трансмиссии
Электрооборудование кабины
Установка батарей аккумуляторных
Установка фар рабочих
Установка фар дорожных
Установка фонарей передних
Установка фонарей задних
Электрооборудование отопителя
Электрооборудование кондиционера
Установка маяка сигнального
Установка фонарей автопоезда
Щиток приборов
Щиток приборов
Тягово-сцепное устройство (сварные боковины)
Тягово-сцепное устройство (литые боковины)
Тягово-сцепное устройство (вариант комплектации)
Вал отбора мощности задний
Шкив приводной
Управление задним валом отбора мощности, гидропривод АБД и ВОМ
Балласт
Механизм задней навески
Гидросистема 1021-4600010
Корпус гидросистемы 1021-4600015
Гидросистема Р1221-4600010-02
Корпус гидросистемы Р1221-4600015-02
Корпус гидросистемы и фильтр
Привод насоса
Муфта быстросоединяемая
Управление гидрораспределителем RS 213 Mita, РП 70
Гидрораспределитель РП70
Цилиндр гидроподъемника
Распределитель гидроподъемника
Управление гидроподъемником
Гидроподъемник
Инструмент оператора
Аптечка
Ящик инструментальный
1
2
3
4
5
6
7
8
9
10
11
12
12
13
14
14
15
16
17
17
18
19
19
20
20
21
22
23
24
25
26
27
Позиция на иллюстрации
Заводской номер детали
Название детали
1
50-4605027
Штифт
2
50-1701026
Прокладка
3
50-1701025-А-01
Корпус
4
70-1701300
Пробка
5
ПК КГ 3/8
Пробка
6
50-1701459
Прокладка
7
M16-6gx55.109.40X.019
Болт
8
M10-6gx35.88.35.019
Болт
9
10 ОТ
Шайба
10
1021-2401011-01
Болт
11
52-1802094
Ось
12
7306А
Подшипник
13
52-1802097-А
Кольцо
14
52-1802091
Шестерня
14
52-1802095-Б
Шестерня промежуточная с кольцом и подшипником в сборе
15
52-1802092-Б
Втулка
16
52-1802128
Гайка
17
12 ОТ
Шайба
18
52-1802093
Винт
19
16 ОТ
Шайба
20
1021-2401011
Болт
21
Д01-015
Штифт установочный
22
50-1701456-А
Прокладка
23
70-1701415-А
Масломер
24
70-1701454-А2
Крышка
25
M12-6gx35.88.35.019
Болт
26
M12-6gx35.88.35.019
Болт
27
011-015-25-2-4
Кольцо
Содержащиеся в справочниках-каталогах запасные части и детали не предлагаются к продаже, а носят исключительно информационный характер
Дополнительная информация
×
Название:
Номер:
Примечание: