Вернуться на главную
Поиск
Каталоги запчастей к технике
Сельхозтехника
МТЗ
МТЗ-100
Управление задним ВОМ
Каталог запасных частей к технике: МТЗ-100. Управление задним ВОМ
zoom-in
zoom-out
enlarge
shrink
circle-right
circle-left
file-text2
info
cart
Тип техники
Не выбрано
Легковые автомобили
Грузовые автомобили и прицепы
Автобусы
Сельхозтехника
Спецтехника
Двигатели
Мототехника
Марка
Не выбрано
AGCO
Amity
CASE IH
DongFeng
Fortschritt
Foton
Franz Kleine
Gaspardo
Great Plains
KRONE
KUHN
Lemken
Lovol
MacDon
Massey Ferguson
New Holland
TIGARBO
Vaderstad
Versatile
Wirax
Агро
Агротехмаш
Бобруйскагромаш (ОАО «УКХ «Бобруйскагромаш»)
БЭМЗ
ВгТЗ
Воронежсельмаш
ВТЗ
Гомсельмаш
ДКЗ
ЗАО "Техника-сервис"
ЗиД
КЗК
Кировец-Ландтехник
Клевер
Красная Звезда
Лидагропроммаш
Лидсельмаш
ЛТЗ
Машстройхолдинг
Минитракторы
Мордовагромаш
МТЗ
Навигатор-Новое машиностроение
Нефтекамский автозавод
ПТЗ
Ремком
РСМ
Сибсельмаш
ТеКЗ
ТКЗ
ХЗТСШ
ХТЗ
ЮМЗ
Модель
Не выбрано
1025.5 (2013)
1025/1025.2/1025.3 (2009)
1220 (2011)
1220.5 (2013)
1523.5 (2013)
1523.5 с ГМТ (2014)
2122.3/2122.4 (2015)
3022ДЦ.1 (2011)
320.4М (2019)
622 (2012)
800/900 (2003)
80Х (2012)
892 (2011)
922.3 / 922.4 (2013)
922.5 (2013)
923.4 (2014)
923.5 (2013)
92П (2010)
952.5 (2013)
БЕЛАРУС 1025.7 (2022)
БЕЛАРУС 1220.7 (2022)
БЕЛАРУС 1221.7 (2022)
БЕЛАРУС 2103 (2015)
БЕЛАРУС 320 (1998)
БЕЛАРУС 3522.5 (2013)
БЕЛАРУС 3525 (2019)
БЕЛАРУС 421 (2014)
БЕЛАРУС 451 (2023)
БЕЛАРУС 651 (2023)
БЕЛАРУС 923.7 (2022)
БЕЛАРУС 952.7 (2022)
Беларус-08Н (09Н) (2015)
Беларус-422.1 (2018)
КБ-00.000 (САЗ) (2015)
КМ-2 (САЗ) (2015)
МТЗ-082
МТЗ-100
МТЗ-1005 (2008)
МТЗ-1021.3 (2010)
МТЗ-1025.4 (2009)
МТЗ-112Н, 132Н (2010)
МТЗ-1221 (1997)
МТЗ-1221 (2009) (2009)
МТЗ-1221.4 (2009)
МТЗ-1221.4 (2009)
МТЗ-1221.5 (2013)
МТЗ-1222/1523 (2009)
МТЗ-1522 (2008)
МТЗ-1523
МТЗ-1523 (2013)
МТЗ-1523 (2008) (2008)
МТЗ-1523.4 (2010)
МТЗ-1523.6 (2018)
МТЗ-2022 (2010)
МТЗ-2103 (2010)
МТЗ-2522 (2010)
МТЗ-310, 320, 321 (2011)
МТЗ-3522 (2011)
МТЗ-510/512, 520/522 (2010)
МТЗ-570 (2010)
МТЗ-80 (1998)
МТЗ-80 (2002) (2002)
МТЗ-80 (2009) (2009)
МТЗ-80.1 (2015)
МТЗ-821/921 (2009)
МТЗ-822 (2008)
МТЗ-826 (2010)
МТЗ-90/92 (2008)
МТЗ-900
МТЗ-900/920/950/952 (2009)
МТЗ-920.4/952.4 (2009)
МТЗ-922 (2008)
МТЗ-923 (2008)
ФР-00.010 (САЗ) (2015)
ФР-00700-Б (САЗ) (2015)
Схема
>
Не выбрано
Кабина трактора
Кабина трактора
Электрический стеклоочиститель
Ручной стеклоочиститель
Стеклоомыватель
Двери кабины
Сиденье водителя
Сиденье дополнительное
Отопитель
Арматура отопителя
Электрофакельный подогреватель
Внутреннее зеркало
Наружное зеркало
Козырек притивосолнечиый
Облицовка
Передние крылья
Подножка
Подвеска и блок цилиндров
Головка цилиндров. Клапаны и толкатели клапанов
Головка цилиндров
Поршни и шатуны. Коленчатый вал и маховик
Распределительный механизм
Газопровод дизеля Д-245
Газопровод дизеля Д-240
Установка привода гидронасоса
Баки топливные
Топливные трубопроводы и установка топливной аппаратуры
Насос топливный высокого давления
Регулятор частоты вращения
Корректор по наддуву 4УТНМ-Т-110500-01
Подкачивающий насос УТН-3-1106010-А4
Форсунка
Фильтр топливный тонкой очистки
Фильтр топливный грубой очистки
Управление подачей топлива
Воздушный фильтр
Моноциклон
Аварийный останов дизеля
Турбокомпрессор ТКР-7Н-6
Глушитель
Радиатор водяной
Термостат системы охлаждения
Водяной насос и вентилятор
Шторка
Масляный картер
Масляный насос
Центробежный масляный фильтр
Радиатор масляный
Сцепление
Корпус сцепления
Корпус сцепления
Управление сцеплением
Коробка передач (вариант 1)
Коробка передач (вариант 1)
Коробка передач (вариант 1)
Коробка передач (вариант 1)
Коробка передач (вариант 1)
Механизм переключения передач (вариант 1)
Управление коробкой передач (вариант 1)
Узел передач коробки передач (вариант 2)
Механизм управления коробкой передач (вариант 2)
Привод насосов
Насос шестеренный
Распределитель коробки передач (вариант 1)
Коробка клапанная коробки передач (вариант 2)
Фильтр
Фильтр-распределитель
Гидроходоуменьшитель
Гидроходоуменьшитель
Привод переднего ведущего моста
Кран переднего ведущего моста
Управление передним ведущим мостом
Привод карданный
Передний ведущий мост
Главная передача переднего ведущего моста
Редуктор конечной передачи переднего ведущего моста
Корпус заднего моста
Механизм блокировки дифференциала
Полурама
Буксирное устройство
Гидрофицированный прицепной крюк
Передняя ось и рулевые тяги
Колеса передние направляющие
Колеса передние ведущие
Колеса задние
Привод рулевого механизма
Механизм поворота
Гидроаккумулятор
Трубопроводы и арматура рулевого управления
Насос-дозатор НД-80К
Насос шестеренный
Тормоза и управление тормозами
Стояночно-запасной тормоз и управление стояночно-запасным тормозом
Переходник пневматический
Трубопроводы и арматура пневмопривода тормозов прицепа
Регулятор давления
Баллон
Кран тормозной
Головка соединительная
Компрессор и установка компрессора
Схема электрооборудования
Генератор 468.3701
Аккумуляторная батарея
Стартер 20.3708 (Для Д-245)
Стартер (Для Д-240)
Передняя фара
Задняя фара
Фонари тракторные передние
Плафон освещения кабины
Фонари задние
Фонарь освещения номерного знака
Световозвращатели
Щиток приборов
Совмещенное прицепное устройство
Вал отбора мощности
Приводной шкив
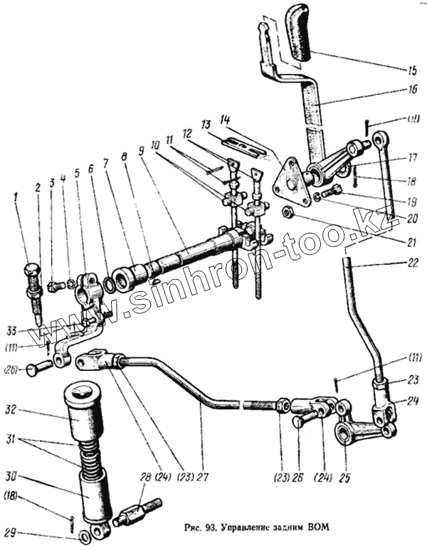
Управление задним ВОМ
Балласт
Привод насоса
Механизм задней навески
Гидроагрегаты и арматура
Гидроагрегаты и арматура
Управление гидрораспределителем
Бак масляный и фильтр
Гидроаккумулятор
Кран
Цилиндр
Распределитель
Насос шестеренный
Регулятор
Привод регулятора
Муфта быстросоединяемая
Смеситель
Механизм фиксации
Арматура и трубопроводы гидросистемы отбора мощности
Управление сумматором
Сумматор
Привод насосов гидравлической системы отбора мощности
Радиатор и арматура гидравлической системы отбора мощности
Управление
Распределитель
Инструмент тракториста
Аптечка
1
2
3
4
5
6
7
8
9
10
11
11
11
11
12
13
14
15
16
17
18
18
19
20
21
22
23
23
23
24
24
24
25
26
26
27
28
29
30
31
32
33
Позиция на иллюстрации
Заводской номер детали
Название детали
85-4216085
85-4216085
Тяга 80-4216043 с гайкой и вилкой в сборе
50-4216070-Б
50-4216070-Б
Валик управления с осью в сборе
80-4216060
80-4216060
Тяга 80-4216043 в сборе
1
70-4216023
Болт
2
М16
Гайка
3
М12х35
Болт
4
ШП12
Шайба
5
50-4216022-А
Рычаг
6
025-030-30-1-4
Кольцо
7
50-4216024
Втулка
8
6х11
Шпонка сегментная
9
50-4216018
Валик
10
50-4216034
Ось
11
3,2х18
Шплинт
12
80-4216028
Винт
13
80-4216039
Стопор
14
80-4216105
Кронштейн
15
А13.17.000
Рукоятка
16
85-4216100
Рычаг
17
50-3406037
Шайба упорная
18
4х36
Шплинт
19
М8х16
Болт
20
ШП8
Шайба
21
М8
Гайка
22
85-4216081
Тяга
23
М12х1,25
Гайка
24
50-3502203
Вилка
25
80-4216050
Рычаг 80-4216057со втулкой в сборе
26
12х32
Палец
27
80-4216043
Тяга
28
70-4216048
Болт
29
ШЧ16
Шайба
30
80-4216045
Стакан внутренний
31
50-1602032
Пружина
32
80-4216055
Стакан наружный
33
4М10х60
Болт (технологический)
Содержащиеся в справочниках-каталогах запасные части и детали не предлагаются к продаже, а носят исключительно информационный характер
Дополнительная информация
×
Название:
Номер:
Примечание: