Каталог запасных частей к технике: МТЗ-100. Тормоза и управление тормозами
1
2
2
3
3
4
4
4
4
5
5
5
6
6
6
7
7
8
9
10
11
12
13
14
15
16
17
18
19
20
21
22
23
24
25
26
26
26
27
28
29
30
30
31
32
33
34
35
35
36
36
37
37
38
39
40
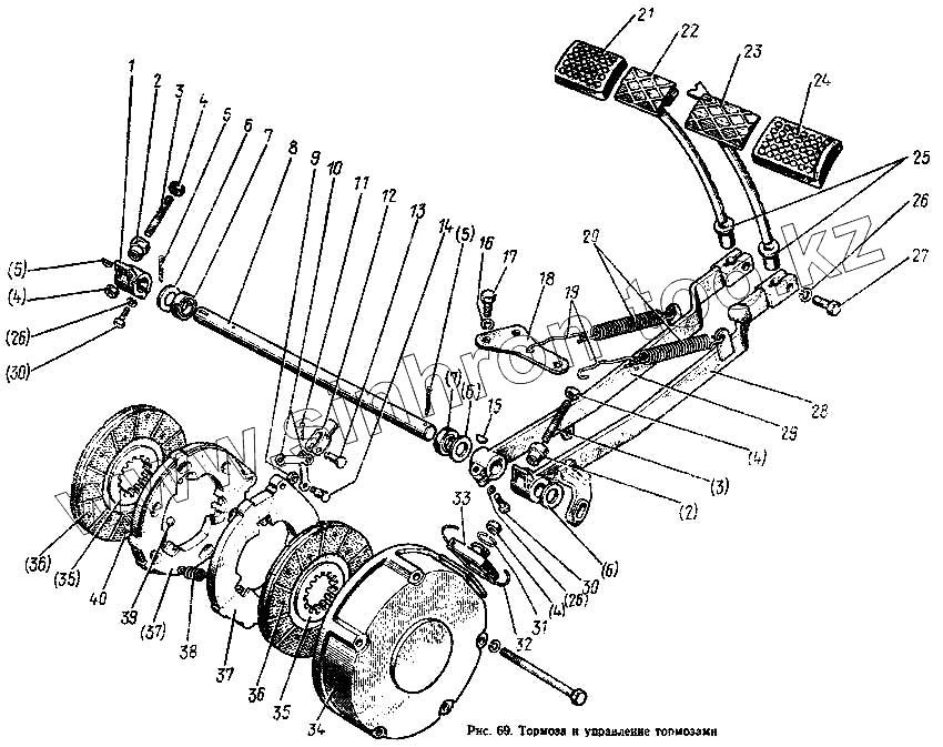
| Позиция на иллюстрации | Заводской номер детали | Название детали | |
|---|---|---|---|
| 50-3502040-А2 | 50-3502040-А2 | Диск с накладками | |
| 50-3502030-А | 50-3502030-А | Диски нажимные в сборе | |
| 70-3503080-А | 70-3503080-А | Тяга тормоза в сборе | |
| 70-3502020 | 70-3502020 | Тормоз в сборе | |
| 80-3503090 | 80-3503090 | Педаль левая с чехлом в сборе | |
| 80-3503080 | 80-3503080 | Педаль правая с чехлом в сборе | |
| 1 | 50-3503017 | Рычаг | |
| 2 | 85-3503018 | Гайка | |
| 3 | 85-3503019 | Шпилька | |
| 4 | М12х1,25 | Гайка | |
| 5 | 5х35 | Шплинт | |
| 6 | 50-3503071 | Шайба | |
| 7 | 2-25х42-1 | Манжета | |
| 8 | 50-3503015 | Валик | |
| 9 | М8 | Гайка | |
| 10 | 50-3502196 | Тяга | |
| 11 | 3,2х18 | Шплинт | |
| 12 | 50-3502203 | Вилка | |
| 13 | 12х32 | Палец | |
| 14 | 50-3502198 | Палец | |
| 15 | 6х11 | Шпонка сегментная | |
| 16 | ШП10 | Шайба | |
| 17 | М10х25 | Болт | |
| 18 | 85-3503046 | Кронштейн | |
| 19 | 70-3503045 | Удлинитель | |
| 20 | 50-1605152 | Пружина | |
| 21 | А13.34.001 | Чехол | |
| 22 | 80-3503140 | Педаль | |
| 23 | 80-3503130 | Педаль | |
| 24 | А13.33.002 | Чехол | |
| 25 | 80-3503158-А | Чехол | |
| 26 | ШП12 | Шайба | |
| 27 | М12х30 | Болт | |
| 28 | 85-3503110 | Рычаг | |
| 29 | 85-3503120 | Рычаг | |
| 30 | М12х35 | Болт | |
| 31 | 36-1702358 | Кольцо пружинное | |
| 32 | 1,6х300 | Проволока | |
| 33 | 50-3502202 | Чехол | |
| 34 | 70-3502035 | Кожух | |
| 35 | 50-3502050 | Диск | |
| 36 | А59.01.201 | Накладка | |
| 37 | 50-3502036-Б | Диск нажимной | |
| 38 | 77.38.163 | Пружина | |
| 39 | VI-22,225 | Шарик | |
| 40 | 2-4х10-620 | Заклепка |
Содержащиеся в справочниках-каталогах запасные части и детали не предлагаются к продаже, а носят исключительно информационный характер