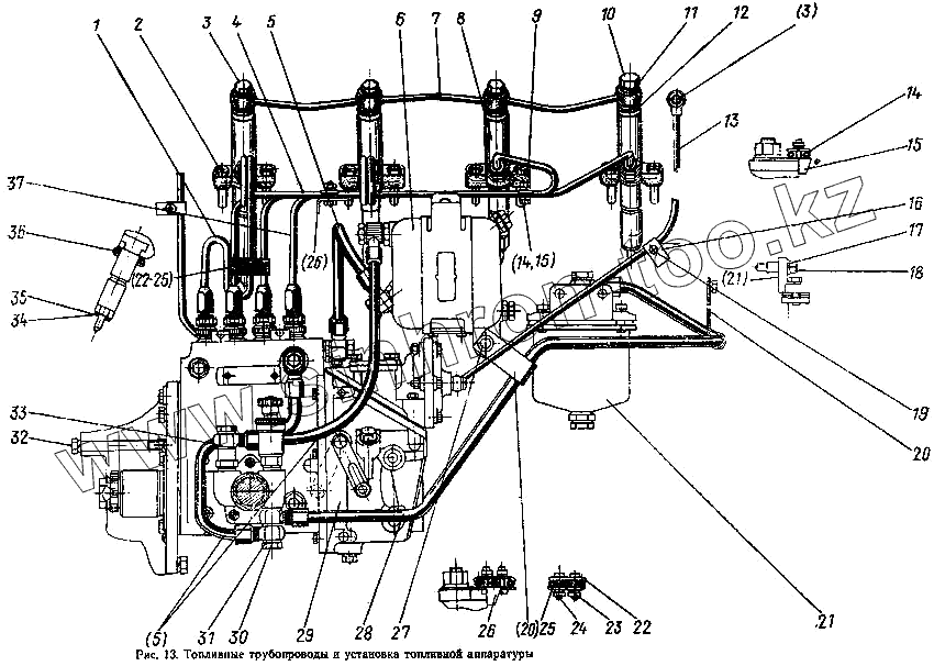
Каталог запасных частей к технике: МТЗ-100. Топливные трубопроводы и установка топливной аппаратуры
1
2
3
3
4
5
5
6
7
8
9
10
11
13
14
14
15
15
16
17
18
19
20
20
21
22
22
23
23
24
24
25
25
26
26
27
28
29
30
31
32
33
34
35
36
37
| Позиция на иллюстрации | Заводской номер детали | Название детали | |
|---|---|---|---|
| УТН-5-1100150 | УТН-5-1100150 | Насос топливный УТН-5 | |
| 240-1111103 | 240-1111103 | Болт | |
| 11-1112010-02 | 11-1112010-02 | Форсунка | |
| 11-1112208 | 11-1112208 | Прокладка | |
| 240-1104320-А1-02 | 240-1104320-А1-02 | Топливопровод | |
| 1 | 240-1104300-01 | Трубка первая | |
| 2 | М10х35 | Болт | |
| 3 | 36-1104787 | Болт | |
| 4 | 240-1104300-02 | Трубка вторая | |
| 5 | 240-1104160-02 | Трубка | |
| 6 | 240-1117010-А | Фильтр тонкой очистки | |
| 7 | 245-1104320 | Топливопровод | |
| 8 | 145-1112010 | Форсунка ФД-22М | |
| 9 | 240-1104300-03 | Трубка третья | |
| 10 | 240-1111112 | Штуцер | |
| 11 | 36-1104788 | Прокладка | |
| 12 | 36-1104788-01 | Прокладка | |
| 13 | 245-1104330 | Трубка пневмокорректора | |
| 14 | 240-1111114 | Колодка | |
| 15 | 240-1111125-А | Кронштейн | |
| 16 | 245-1111104 | Хомутик | |
| 17 | ШП10 | Шайба | |
| 18 | М10х25 | Болт | |
| 19 | М8х20 | Болт | |
| 20 | 50-1111101-Б1 | Хомутик | |
| 21 | А23.30.000-01 | Фильтр-отстойник | |
| 22 | 240-1111105 | Колодка | |
| 23 | ШП6 | Шайба | |
| 24 | М6 | Гайка | |
| 25 | 240-1111106 | Колодка | |
| 26 | 240-1111115-А | Кронштейн | |
| 27 | М10х30 | Болт | |
| 28 | 240-1104160 | Трубка | |
| 29 | 4УТНМ-1111010-20 | Насос топливный 4УТНМ-Т | |
| 30 | 245-1111103 | Болт | |
| 31 | Д18-055-А | Шайба | |
| 32 | М10х120 | Болт | |
| 33 | Д18-055-А-01 | Кольцо | |
| 34 | 245-1111022 | Прокладка | |
| 35 | 245-1111021 | Обойма | |
| 36 | 240-1111036-А | Кольцо защитное форсунки | |
| 37 | 240-1104300-04 | Трубка четвертая |
Содержащиеся в справочниках-каталогах запасные части и детали не предлагаются к продаже, а носят исключительно информационный характер