Каталог запасных частей к технике: МТЗ-100. Сумматор
1
2
3
3
3
3
4
5
5
6
6
6
7
8
9
9
10
11
12
13
14
15
16
16
17
18
18
19
20
20
21
22
23
24
25
25
26
27
27
28
28
29
30
31
32
33
33
34
34
35
35
36
36
37
38
39
40
41
42
43
44
45
46
47
48
49
50
51
52
53
54
55
56
57
57
58
59
60
61
62
63
64
65
66
67
68
69
70
71
72
73
74
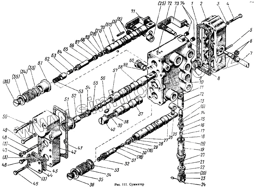
| Позиция на иллюстрации | Заводской номер детали | Название детали | |
|---|---|---|---|
| 101-4602040 | 101-4602040 | Золотник 101-4602016 в сборе | |
| Р75-В-006 | Р75-В-006 | Гильза золотника в сборе | |
| 101-4602010 | 101-4602010 | Сумматор | |
| 101-4602020 | 101-4602020 | Корпус с шариком в сборе | |
| 101-4602060 | 101-4602060 | Клапан Р40/75-0808062 в сборе | |
| 101-4602030 | 101-4602030 | Золотник в сборе | |
| 101-4602070 | 101-4602070 | Клапан 101-4602039 в сборе | |
| 101-4602050 | 101-4602050 | Золотник 101-4602017 в сборе | |
| 1 | 101-4602019 | Прокладка | |
| 2 | 101-4602012 | Крышка | |
| 3 | ШП8 | Шайба | |
| 4 | 4М8х60 | Болт | |
| 5 | 4х30 | Штифт | |
| 6 | 013-017-25-2-2 | Кольцо | |
| 7 | 101-4602080 | Рычаг | |
| 8 | 101-4602027 | Пробка | |
| 9 | 024-028-25-2-4 | Кольцо | |
| 10 | 101-4602011 | Корпус | |
| 11 | 018-021-19-2-4 | Кольцо | |
| 12 | 101-4602037 | Гильза | |
| 13 | 101-4602039 | Клапан | |
| 14 | 101-4602041 | Пружина | |
| 15 | 101-4602038 | Седло | |
| 16 | Р40/75-0808062 | Клапан | |
| 17 | Р80-23.20.059 | Направляющая | |
| 18 | Р40/75-0808048-Б | Пружина | |
| 19 | 101-4602036 | Корпус | |
| 20 | 018-022-25-2-2 | Кольцо | |
| 21 | Р80-049 | Винт | |
| 22 | Р75-058-Б | Гайка | |
| 23 | Р75-051-Б | Колпачок | |
| 24 | 0,8-1х150 | Проволока | |
| 25 | 101-4602028 | Рычаг | |
| 26 | 101-4602017 | Золотник | |
| 27 | Р75-В-052 | Фильтр | |
| 28 | Р75-В-028-А | Прокладка | |
| 29 | 101-4602048 | Седло | |
| 30 | 101-4602042 | Направляющая | |
| 31 | 101-4002047 | Гильза | |
| 32 | 101-4602046 | Винт | |
| 33 | Р75-034 | Стакан верхний | |
| 34 | Р75-В-035 | Пружина золотника | |
| 35 | Р75-033 | Стакан нижний | |
| 36 | 101-4602024 | Пробка | |
| 37 | 101-4602018 | Золотник | |
| 38 | 101-4602031 | Пружина | |
| 39 | 101-4602051 | Штифт | |
| 40 | 101-4602029 | Упор | |
| 41 | 101-4602021 | Прокладка | |
| 42 | 101-4602013 | Крышка | |
| 43 | 101-4602053 | Прокладка | |
| 44 | 101-4602052 | Крышка | |
| 45 | 4М8х55 | Болт | |
| 46 | 4М8х16 | Болт | |
| 47 | М8 | Гайка | |
| 48 | М8х60 | Шпилька | |
| 49 | 4М8х50 | Болт | |
| 50 | 4М8х75 | Болт | |
| 51 | 101-4602023 | Обойма | |
| 52 | 101-4602026-01 | Втулка | |
| 53 | Р75-В-032 | Пружина | |
| 54 | 101-4602033 | Пробка | |
| 55 | 101-4602034 | Пружина | |
| 56 | 101-4602032 | Золотник | |
| 57 | Р75-В-30 | Фиксатор | |
| 58 | 101-4602016 | Золотник | |
| 59 | 018-022-25-2-3 | Кольцо | |
| 60 | Р75-066 | Заглушка | |
| 61 | 101-4602022 | Обойма | |
| 62 | 101-4602026 | Втулка | |
| 63 | Р75-В-025-Б | Бустер | |
| 64 | Р75-В-044-А | Винт регулировочный | |
| 65 | Р75-В-046-А | Гильза золотника | |
| 66 | Р75-В-036 | Пружина бустера | |
| 67 | Р75-В-045 | Направляющая клапана | |
| 68 | Р75-В-026 | Клапан бустера | |
| 69 | Р75-В-027-А | Гнездо клапана | |
| 70 | 101-4602014 | Золотник | |
| 71 | 101-4602090 | Рычаг | |
| 72 | IV 5,556 | Шарик | |
| 73 | 101-4602090-01 | Рычаг | |
| 74 | 4КГ1/4" | Пробка |
Содержащиеся в справочниках-каталогах запасные части и детали не предлагаются к продаже, а носят исключительно информационный характер