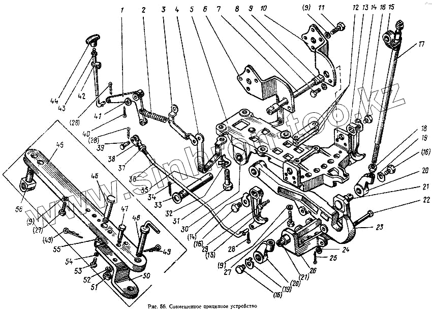
Каталог запасных частей к технике: МТЗ-100. Совмещенное прицепное устройство
1
2
3
4
5
6
7
8
9
9
9
9
10
11
12
13
13
14
14
15
16
16
16
16
17
18
19
19
20
20
21
21
22
23
24
25
26
27
27
28
28
28
29
30
31
32
33
34
35
36
37
38
39
40
41
42
43
44
44
45
46
47
48
49
49
50
51
52
53
54
55
56
| Позиция на иллюстрации | Заводской номер детали | Название детали | |
|---|---|---|---|
| 80-2707110-01 | 80-2707110-01 | Маятник в сборе | |
| 80-2707110-03 | 80-2707110-03 | Крюк в сборе | |
| 80-2707110 | 80-2707110 | Совмещенное прицепное устройство в сборе | |
| 80-2707119-01 | 80-2707119-01 | Пластина | |
| 70-2807039-01 | 70-2807039-01 | Пластина 0,5 мм | |
| 85-2807085 | 85-2807085 | Рукоятка с фиксатором | |
| 70-2807039-02 | 70-2807039-02 | Пластина 0,2 мм | |
| 1 | 70-2807079 | Рычаг | |
| 2 | 50-1605152 | Пружина | |
| 3 | 70-2807081 | Кронштейн | |
| 4 | 80-2707119 | Пластина | |
| 5 | 80-2707114 | Кронштейн | |
| 6 | 80-2707116 | Боковина | |
| 7 | 80-2707141 | Ось | |
| 8 | М16х32 | Болт | |
| 9 | ШП16 | Шайба | |
| 10 | 80-2707116-01 | Боковина | |
| 11 | М16х50 | Болт | |
| 12 | 70-2807039 | Пластина 1,0 мм | |
| 13 | 70-2807077 | Захват | |
| 14 | 80-2707153 | Шайба | |
| 15 | 70-2807051 | Серьга | |
| 16 | 80-2707137 | Болт | |
| 17 | 70-2807052-Б | Винт тяги | |
| 18 | 40-3405062 | Гайка | |
| 19 | 80-2707138 | Шайба | |
| 20 | 70-2807053-Б | Гайка тяги | |
| 21 | 80-2707117 | Палец | |
| 22 | 80-2707123 | Ось | |
| 23 | 80-2707111 | Крюк | |
| 24 | ШЧ16 | Шайба | |
| 25 | 4х25 | Шплинт | |
| 26 | 80-2707112 | Поперечина | |
| 27 | М16х80 | Болт | |
| 28 | 3,2х18 | Шплинт | |
| 29 | 80-2707118 | Болт | |
| 30 | 80-2707122 | Втулка | |
| 31 | 40-3104021 | Болт | |
| 32 | 70-2807044 | Шайба | |
| 33 | 36-3503018 | Шайба | |
| 34 | 6,3х36 | Шплинт | |
| 35 | 80-4619019 | Палец | |
| 36 | 80-2707133 | Тяга | |
| 37 | М12х1,25 | Гайка | |
| 38 | 50-3502203 | Вилка | |
| 39 | 12х32 | Палец | |
| 40 | 3,2х25 | Шплинт | |
| 41 | ШЧ16 | Шайба | |
| 42 | 28070 | Рукоятка | |
| 43 | М8 | Гайка | |
| 44 | 50-1310136 | Рукоятка | |
| 44 | А13.28.000 | Рукоятка | |
| 45 | 80-2707144 | Тяга | |
| 46 | 80-2707147 | Палец | |
| 47 | 80-2707149 | Болт | |
| 48 | 50-4605079-Б | Шкворень | |
| 49 | А61.07.001 | Шплинт | |
| 50 | 80-2707143 | Накладка | |
| 51 | М20х1,5 | Гайка | |
| 52 | ШП20 | Шайба | |
| 53 | М10х20 | Болт | |
| 54 | ШП10 | Шайба | |
| 55 | 50-3503064 | Втулка | |
| 56 | 80-2707148 | Палец |
Содержащиеся в справочниках-каталогах запасные части и детали не предлагаются к продаже, а носят исключительно информационный характер