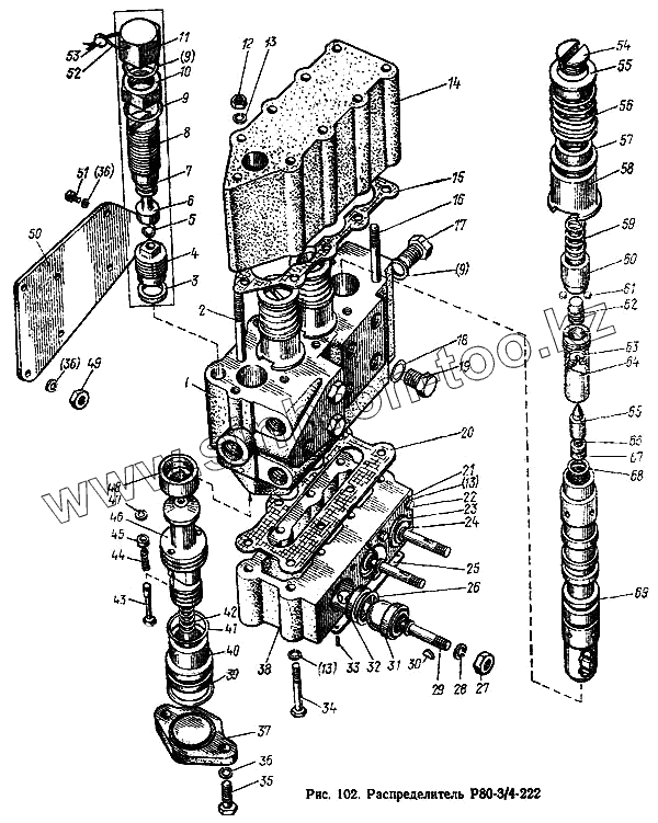
Каталог запасных частей к технике: МТЗ-100. Распределитель
1
2
3
4
5
6
7
8
9
9
9
10
11
12
13
13
13
14
15
16
17
18
19
20
21
22
23
24
25
26
27
28
29
30
31
32
33
34
35
36
36
36
37
38
39
40
41
42
43
44
45
46
47
48
49
50
51
52
53
54
55
56
57
58
59
60
61
62
63
64
65
66
67
68
69
| Позиция на иллюстрации | Заводской номер детали | Название детали | |
|---|---|---|---|
| Р80-3/4-222 | Р80-3/4-222 | Распределитель | |
| 1 | Р80-23.20.121 | Корпус | |
| 2 | Р75-080 | Шпилька | |
| 3 | Р75-В-028-А | Прокладка | |
| 4 | Р80-23.20.063 | Гнездо | |
| 5 | Р40/75-0808062 | Клапан | |
| 6 | Р80-23.20.059 | Направляющая | |
| 7 | Р40/75-0808048-Б | Пружина | |
| 8 | Р80-049 | Винт | |
| 9 | 018-022-25-2-3 | Кольцо | |
| 10 | Р75-058-Б | Гайка | |
| 11 | Р75-051-Б | Колпачок | |
| 12 | М8 | Гайка | |
| 13 | ШП8 | Шайба | |
| 14 | Р75-3-023 | Крышка | |
| 15 | Р40/75-0708039-А | Прокладка | |
| 16 | Р75-079 | Шпилька | |
| 17 | Р75-066 | Заглушка | |
| 18 | 018-027-30-2-3 | Кольцо | |
| 19 | Р75-067 | Заглушка | |
| 20 | Р40/75-0808038-А | Прокладка | |
| 21 | Р75-3-057 | Пластина колец | |
| 22 | М8х20 | Болт | |
| 23 | Р75-3-055-Б | Пластина пыльника | |
| 24 | Р75-056 | Пыльник | |
| 25 | Р80-23.20.053 | Табличка | |
| 26 | НШ46-0505037 | Кольцо | |
| 27 | М12х1,25 | Гайка | |
| 28 | ШП12 | Шайба | |
| 29 | Р75-054-Б | Рычаг | |
| 30 | 3х6,5 | Шпонка | |
| 31 | Р80-23.20.065 | Кольцо | |
| 32 | Р80-23.20.064 | Кольцо | |
| 33 | НШ-32-0303034-В | Заклепка | |
| 34 | М8х55 | Болт | |
| 35 | М10х25 | Болт | |
| 36 | ШП10 | Шайба | |
| 37 | Р75-071-В | Упор | |
| 38 | Р80-23.20.122 | Крышка | |
| 39 | 025-030-30-2-3 | Кольцо | |
| 40 | Р80-23.30.073 | Направляющая | |
| 41 | 025-030-30-2-3 | Кольцо | |
| 42 | Р75-072 | Пружина | |
| 43 | Р75-ВЗВР-081-А | Клапан | |
| 44 | Р75-ВЗВР-082 | Пружина | |
| 45 | Р80-23Р.20.085 | Шайба | |
| 46 | Р80-23Р.20.041 | Клапан переливной | |
| 47 | Р75-ВЗВР-083-А | Шайба | |
| 48 | Р80-23.20.043 | Гнездо | |
| 49 | М10 | Гайка | |
| 50 | 50-4607032-Б | Кронштейн | |
| 51 | М10х20 | Болт | |
| 52 | 1,0х100 | Проволока | |
| 53 | Р40/75-0808076 | Пломба | |
| 54 | Р80.23.20.037 | Пробка | |
| 55 | Р75-033 | Стакан нижний | |
| 56 | Р80-23.20.035 | Пружина | |
| 57 | Р75-034 | Стакан верхний | |
| 58 | Р80-23.20.03 | Обойма | |
| 59 | Р75-В-032 | Пружина | |
| 60 | Р75-В-029 | Втулка | |
| 61 | 6,35-100 | Шарик | |
| 62 | Р75-В-025-Б | Бустер | |
| 63 | Р80-23.20.026 | Гнездо | |
| 64 | Р80-23.20.046 | Гильза | |
| 65 | Р80-23.20.045 | Плунжер | |
| 66 | Р80-23.20.036 | Пружина | |
| 67 | Р80 23.20.027 | Гнездо | |
| 68 | Р75-В-028-А | Прокладка | |
| 69 | Р80-23.20.024 | Золотник |
Содержащиеся в справочниках-каталогах запасные части и детали не предлагаются к продаже, а носят исключительно информационный характер