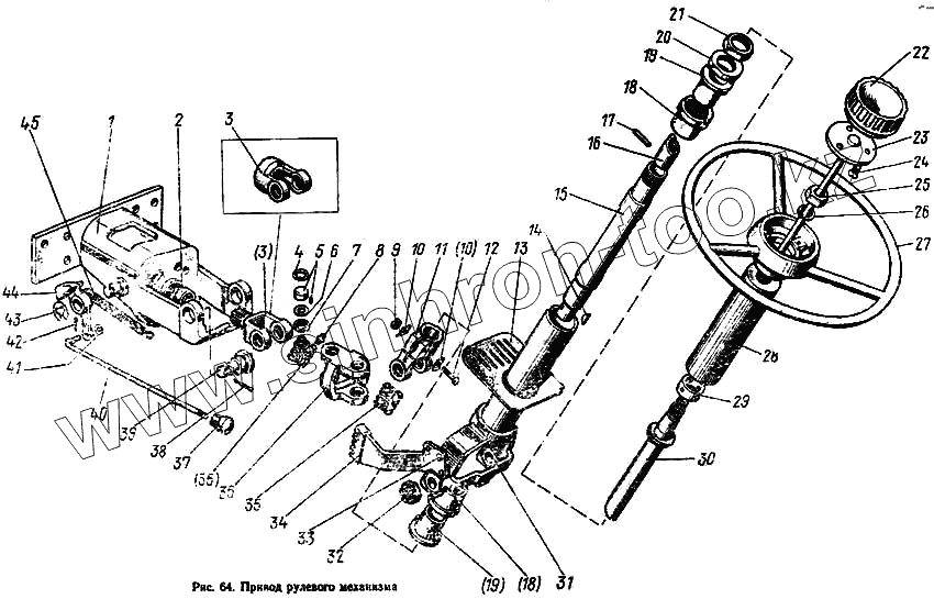
Каталог запасных частей к технике: МТЗ-100. Привод рулевого механизма
1
2
3
3
4
5
6
7
8
9
10
10
11
12
13
14
15
16
17
18
18
19
19
20
21
22
23
24
25
26
27
28
29
30
31
32
33
34
35
35
36
37
38
39
40
41
42
43
44
45
| Позиция на иллюстрации | Заводской номер детали | Название детали | |
|---|---|---|---|
| 85-3401066-Б | 85-3401066-Б | Вилка (НД-80) | |
| 70-3401050-Б | 70-3401050-Б | Вал со штифтом и хвостовиком в сборе | |
| 85-3401080 | 85-3401080 | Труба с заклепкой и сектором в сборе | |
| 85-3401120-01 | 85-3401120-01 | Кронштейн | |
| 85-3401010-01 | 85-3401010-01 | Колонка рулевая для насоса-дозатора ОSРВ-100 и щитка приборов 80-3805010 в сборе | |
| 85-3401010-03 | 85-3401010-03 | Колонка рулевая для насоса-дозатора ОSРВ-100 и щитка приборов 80-3801010 в сборе | |
| 85-3401010 | 85-3401010 | Колонка рулевая для насоса-дозатора НД-80 и щитка приборов 80-3805010 в сборе | |
| 85-3401170 | 85-3401170 | Колесо в сборе | |
| 85-3401150 | 85-3401150 | Кардан для ОSРВ-100 в сборе | |
| 85-3401060 | 85-3401060 | Кардан для НД-80 в сборе | |
| 70-3401030 | 70-3401030 | Зажим в сборе | |
| 85-3401010-02 | 85-3401010-02 | Колонка рулевая для насоса-дозатора НД-80 и щитка приборов 80-3801010 в сборе | |
| 1 | 85-3401120 | Кронштейн | |
| 2 | 85-3401016 | Втулка | |
| 3 | 85-3401156-Б | Вилка (ОSРВ-100) | |
| 4 | Б19 | Кольцо | |
| 5 | 904700УС17 | Подшипник | |
| 6 | 50-3401064 | Сальник | |
| 7 | 50-3401063 | Обойма | |
| 8 | 1.1Ц6хр | Масленка | |
| 9 | М8 | Гайка | |
| 10 | 50-3401092 | Шайба | |
| 11 | 50-3401061-А-01 | Вилка | |
| 12 | М8х40 | Болт | |
| 13 | 70-3401094 | Пластина уплотнительная | |
| 14 | 5х10 | Шпонка сегментная | |
| 15 | 70-3401055 | Вал промежуточный | |
| 16 | 70-3401054-Б | Хвостовик вала | |
| 17 | 8Пр2,2ах38 | Штифт | |
| 18 | 70-3401077-Б | Амортизатор | |
| 19 | 70-3401076 | Втулка | |
| 20 | 70-3401078 | Гайка | |
| 21 | 70-3401079 | Контргайка | |
| 22 | 70-3401035 | Головка | |
| 23 | 70-3401140 | Пластина | |
| 24 | ТВ1М6х12 | Винт | |
| 25 | М16х1,5 | Гайка | |
| 26 | ШП16 | Шайба | |
| 27 | 66-3402015-02 | Колесо рулевое | |
| 28 | 85-3401171 | Чехол | |
| 29 | 70-1723032 | Втулка | |
| 30 | 85-3401175 | Вал | |
| 31 | 85-3401020 | Труба | |
| 32 | 70-3003032 | Гайка | |
| 33 | 8х28 | Заклепка | |
| 34 | 85-3401160 | Сектор | |
| 35 | 50-3401062 | Крестовина | |
| 36 | 85-3401067 | Вилка | |
| 37 | 70-3709012 | Ручка переключателя | |
| 38 | 4х36 | Шплинт | |
| 39 | 85-3401011 | Винт | |
| 40 | 85-3401001 | Тяга | |
| 41 | ШЧ6 | Шайба | |
| 42 | 1,6х12 | Шплинт | |
| 43 | ШП15 | Шайба | |
| 44 | 85-3401014 | Фиксатор | |
| 45 | 50-1310158-Б | Пружина |
Содержащиеся в справочниках-каталогах запасные части и детали не предлагаются к продаже, а носят исключительно информационный характер