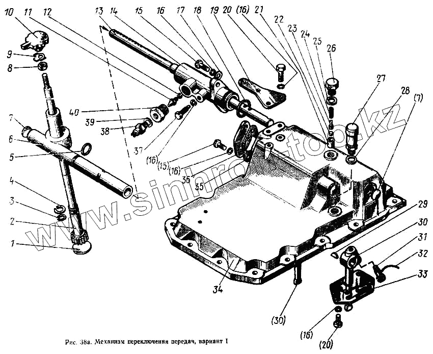
Каталог запасных частей к технике: МТЗ-100. Механизм переключения передач (вариант 1)
1
2
3
4
5
6
7
7
8
9
10
11
12
13
14
15
15
16
16
16
16
16
17
18
19
20
20
21
22
23
24
25
26
27
28
29
30
30
31
32
33
34
35
36
37
38
39
40
| Позиция на иллюстрации | Заводской номер детали | Название детали | |
|---|---|---|---|
| 85-1702010 | 85-1702010 | Крышка в сборе | |
| 1 | 50-005 | Заглушка | |
| 2 | 85-1702040 | Рычаг | |
| 3 | 020-025-30-1-4 | Кольцо | |
| 4 | 2Б25 | Кольцо | |
| 5 | 030-034-25-1-4 | Кольцо | |
| 6 | 85-1702020 | Корпус | |
| 7 | 28-005 | Заглушка | |
| 8 | М12х1,25 | Гайка | |
| 9 | 70-1703028 | Шайба | |
| 10 | А13.24.000 | Рукоятка | |
| 11 | 85-1702058 | Упор | |
| 12 | ШП8 | Шайба | |
| 13 | 85-1702053 | Вал | |
| 14 | 85-1702056 | Фланец | |
| 15 | М10х30 | Болт | |
| 16 | ШП10 | Шайба | |
| 17 | ШЧ10 | Шайба | |
| 18 | 044-048-25-1-4 | Кольцо | |
| 19 | 85-3503046 | Кронштейн | |
| 20 | 4М10х25 | Болт | |
| 21 | 70-1703013 | Втулка | |
| 22 | 9,922 | Шарик | |
| 23 | 80-1704039 | Направляющая | |
| 24 | 50-1702138-А | Пружина | |
| 25 | Д09-035-А | Прокладка | |
| 26 | 50-1404075 | Пробка | |
| 27 | 85-1702270 | Сапун | |
| 28 | В50-3522023 | Прокладка | |
| 29 | 6х10 | Заклепка | |
| 30 | 85-1702055 | Рычаг | |
| 31 | 80-1702108 | Болт | |
| 32 | 1,6-0-6 | Проволока | |
| 33 | 85-1702052 | Кулиса | |
| 34 | 85-1702025 | Крышка | |
| 35 | 85-1702095 | Прокладка | |
| 36 | 85-1702094 | Крышка | |
| 37 | 52-2308076-01 | Болт | |
| 38 | ВК-418 | Выключатель | |
| 39 | 50-1702048 | Прокладка | |
| 40 | 85-1702057 | Заглушка |
Содержащиеся в справочниках-каталогах запасные части и детали не предлагаются к продаже, а носят исключительно информационный характер