Каталог запасных частей к технике: МТЗ-100. Коробка передач (вариант 1)
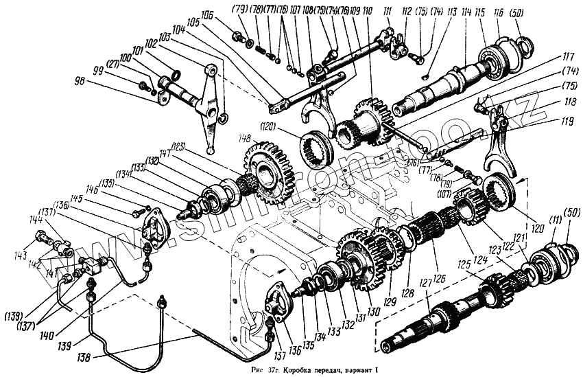
98
99
100
101
102
103
104
105
106
107
107
108
109
110
111
112
113
114
115
116
117
118
119
120
120
121
122
123
123
124
125
126
127
128
129
130
131
132
132
133
133
134
134
135
135
136
136
137
137
137
138
139
139
140
141
142
143
144
145
146
147
148
| Позиция на иллюстрации | Заводской номер детали | Название детали | |
|---|---|---|---|
| 80-1701320 | 80-1701320 | Вал в сборе | |
| 80-1701050 | 80-1701050 | Вал 80-1701252 в сборе | |
| 80-1701200 | 80-1701200 | Шестерня в сборе | |
| 80-1701310 | 80-1701310 | Стакан со штуцером и трубкой в сборе | |
| 80-1701380 | 80-1701380 | Поршень с шариком в сборе | |
| 80-1700010 | 80-1700010 | Коробка передач в сборе | |
| 85-1700010 | 85-1700010 | Коробка передач | |
| 82-1700010 | 82-1700010 | Коробка передач | |
| 80-1701140 | 80-1701140 | Гнездо с валом и подшипником в сборе | |
| 80-1701520 | 80-1701520 | Вал в сборе | |
| 86-1700010 | 86-1700010 | Коробка передач | |
| 98 | 85-1702043 | Пластина | |
| 99 | М10х20 | Болт | |
| 100 | 85-1702042 | Ось | |
| 101 | 026-030-25-1-4 | Кольцо | |
| 102 | 85-1702041 | Коромысло | |
| 103 | 2625 | Кольцо | |
| 104 | 85-5702049 | Палец сферический | |
| 105 | 85-1702039 | Поводок | |
| 106 | 4М12х25 | Болт | |
| 107 | 1-4h12х16 | Ось | |
| 108 | 85-1702028 | Вилка | |
| 109 | 85-1702036 | Поводок | |
| 110 | 80-1701347 | Шестерня | |
| 111 | 85-1702044 | Поводок | |
| 112 | 85-1702045 | Поводок | |
| 113 | 6х10 | Заклепка | |
| 114 | 80-1701325 | Вал | |
| 115 | 50309-К | Подшипник | |
| 116 | 100 | Кольцо | |
| 117 | 85-1702046 | Палец | |
| 118 | 85-1702027 | Вилка | |
| 119 | 85-1702035 | Поводок | |
| 120 | 80-1701343 | Муфта | |
| 121 | 80-1701339 | Втулка | |
| 122 | 80-1701351 | Шестерня | |
| 123 | 664910-Д | Подшипник | |
| 124 | 664714-Д | Подшипник | |
| 125 | 80-1701361 | Шестерня | |
| 126 | 80-1701346 | Втулка | |
| 127 | 80-1701335 | Вал | |
| 128 | 2В70 | Кольцо | |
| 129 | 80-1701344 | Шестерня | |
| 130 | 80-1701340 | Шестерня | |
| 131 | 80-1701306 | Шайба | |
| 132 | 12507-КМ | Подшипник | |
| 133 | 80-1701305 | Шайба | |
| 134 | 52-2308097 | Гайка | |
| 135 | 86-1701053 | Дроссель | |
| 136 | 80-1701311 | Стакан | |
| 137 | 240-1404093 | Штуцер | |
| 138 | 80-1701420 | Трубка | |
| 139 | 80-1701430 | Трубка | |
| 140 | 80-1701590 | Трубка | |
| 141 | 80-1701057 | Штуцер | |
| 142 | Д18-055 | Шайба | |
| 143 | Д18-051 | Болт | |
| 144 | 80-1701426 | Переходник | |
| 145 | 4М8х25 | Болт | |
| 146 | ШП8 | Шайба | |
| 147 | 80-1701332 | Шайба | |
| 148 | 80-1701331 | Шестерня |
Содержащиеся в справочниках-каталогах запасные части и детали не предлагаются к продаже, а носят исключительно информационный характер