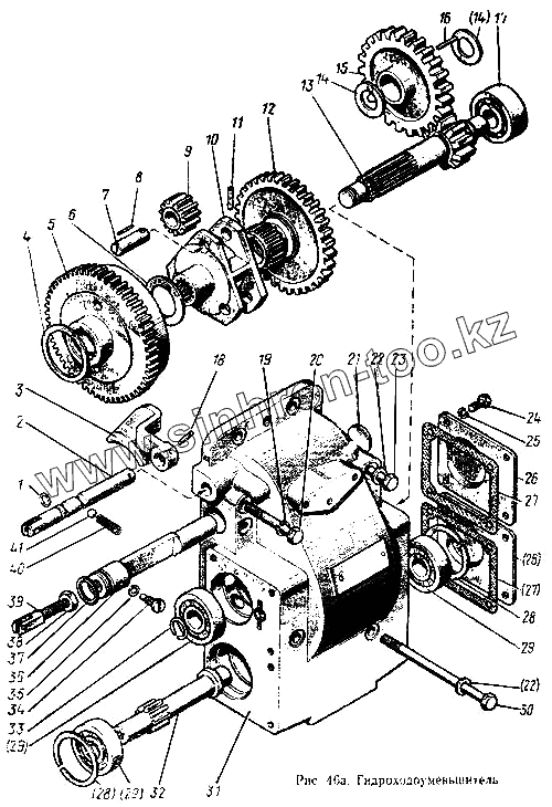
Каталог запасных частей к технике: МТЗ-100. Гидроходоуменьшитель
1
2
3
4
5
6
7
8
9
10
11
12
13
14
14
15
16
17
18
19
20
21
22
22
23
24
25
26
26
27
27
28
28
29
29
29
30
31
32
33
34
35
36
37
38
39
40
41
| Позиция на иллюстрации | Заводской номер детали | Название детали | |
|---|---|---|---|
| 80-1742030 | 80-1742030 | Дроссель в сборе | |
| 70-1741020-А | 70-1741020-А | Водило в сборе | |
| 1 | 011-015-25-1-4 | Кольцо | |
| 2 | 100-1741046 | Валик | |
| 3 | 100-1741041 | Вилка | |
| 4 | 70-1741038 | Шайба | |
| 5 | 70-1741050 | Колесо зубчатое | |
| 6 | 70-1741035 | Шайба | |
| 7 | 50-4202026 | Ось | |
| 8 | 3х23,8 | Ролик | |
| 9 | 50-4204024 | Крышка | |
| 10 | 70-1741021-А | Водило | |
| 11 | 4х30 | Штифт | |
| 12 | 70-1741030 | Шестерня | |
| 13 | 70-1741024 | Вал-шестерня | |
| 14 | 70-1741037 | Шайба | |
| 15 | 70-1741025 | Шестерня | |
| 16 | 4х34 | Ролик | |
| 17 | 32605К | Подшипник | |
| 18 | 6х30 | Штифт | |
| 19 | ШП12 | Шайба | |
| 20 | М12х70 | Болт | |
| 21 | 35 | Заглушка | |
| 22 | 70-1741036 | Шайба | |
| 23 | М12х120 | Болт | |
| 24 | М8х20 | Болт | |
| 25 | ШП8 | Шайба | |
| 26 | 70-1741032-Б | Крышка | |
| 27 | 70-1741033-Б | Прокладка | |
| 28 | 2В62 | Кольцо | |
| 29 | 305 | Подшипник | |
| 30 | М12х160 | Болт | |
| 31 | 70-1741015-А | Корпус | |
| 32 | 80-1742021 | Шестерня | |
| 33 | 36-1702358 | Кольцо пружинное | |
| 34 | М10х20 | Болт | |
| 35 | ШП10 | Шайба | |
| 36 | 70-1741031-А | Ось | |
| 37 | 027-032-30-1-4 | Кольцо | |
| 38 | М12 | Гайка | |
| 39 | 70-1741048 | Вилка | |
| 40 | 50-1702148-А | Пружина фиксатора | |
| 41 | Н10-5 | Шарик |
Содержащиеся в справочниках-каталогах запасные части и детали не предлагаются к продаже, а носят исключительно информационный характер