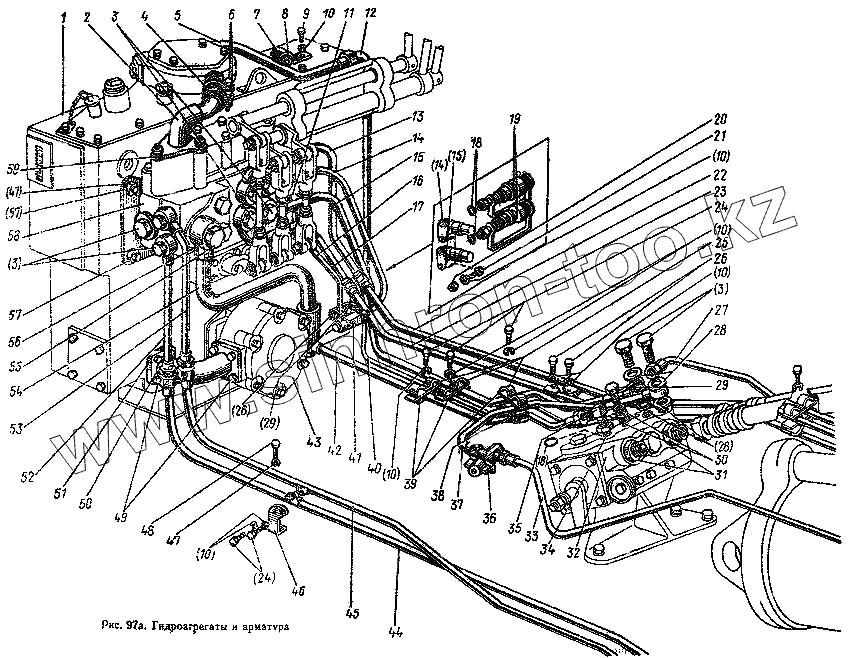
Каталог запасных частей к технике: МТЗ-100. Гидроагрегаты и арматура
1
2
3
3
3
4
5
6
7
8
9
10
10
10
10
10
10
11
12
13
14
14
15
15
16
17
18
19
20
21
22
23
24
24
25
26
26
27
28
28
29
29
30
31
32
33
34
35
36
37
38
39
40
41
41
42
43
44
45
46
47
48
49
50
51
51
52
53
54
55
56
57
58
59
| Позиция на иллюстрации | Заводской номер детали | Название детали | |
|---|---|---|---|
| 1 | 85-4608010 | Корпус гидросистемы | |
| 2 | 85-4607425 | Угольник | |
| 3 | 50-4607032 | Болт зажимной | |
| 4 | 85-4607063 | Шланг | |
| 5 | 85-4607010 | Труба | |
| 6 | ХС-31 | Хомут | |
| 7 | 85-4607429 | Кронштейн | |
| 8 | 50-1111102 | Прокладка | |
| 9 | 4М8х20 | Болт | |
| 10 | ШП8 | Шайба | |
| 11 | 80-4607142 | Штуцер | |
| 12 | 85-4607015 | Труба | |
| 13 | 85-4607060 | Труба | |
| 14 | 85-4607100 | Труба | |
| 15 | 85-4607105 | Труба | |
| 16 | 85-4607110 | Труба | |
| 17 | 85-4607080 | Труба | |
| 18 | 017-022-30-2-2 | Кольцо | |
| 19 | Н36.68 100 | Полумуфта наружная | |
| 20 | М8 | Гайка | |
| 21 | 4М8х45 | Болт | |
| 22 | 85-4607090 | Труба | |
| 23 | 85-4607065 | Труба | |
| 24 | 4М8х35 | Болт | |
| 25 | 70-3407146 | Планка | |
| 26 | 4М8х30 | Болт | |
| 27 | 85-4607125 | Труба | |
| 28 | 40-4607038-А | Шайба | |
| 29 | Д18-051 | Болт | |
| 30 | Д18-055-А | Шайба | |
| 31 | 70-1405089 | Штуцер | |
| 32 | 80-4614020 | Регулятор | |
| 33 | 85-4607210 | Труба | |
| 34 | 40-3405062 | Гайка | |
| 35 | 40-3405061-А | Штуцер М20х1,5 | |
| 36 | 80-4609050 | Кран | |
| 37 | 85-4607200 | Труба | |
| 38 | 70-3407144 | Планка | |
| 39 | 70-4607158 | Прокладка | |
| 40 | 85-4607115 | Труба | |
| 41 | 85-4607435 | Кронштейн | |
| 42 | 85-4607120 | Труба | |
| 43 | НШ32-3-00 | Насос шестеренный | |
| 44 | 85-4607050 | Труба | |
| 45 | 85-4607030 | Труба | |
| 46 | 85-4607443 | Кронштейн | |
| 47 | ШП10 | Шайба | |
| 48 | М10х30 | Болт | |
| 49 | М8х25 | Болт | |
| 50 | 70-4607096 | Патрубок | |
| 51 | 50-4607097 | Прокладка | |
| 52 | 85-4607045 | Труба | |
| 53 | 85-4607025 | Труба | |
| 54 | 80-4607075 | Труба | |
| 55 | 40-4607033-А | Шайба | |
| 56 | 40-4607037 | Болт | |
| 57 | М10 | Гайка | |
| 58 | Р80-3/4-222 | Распределитель | |
| 59 | 40-4607018 | Прокладка |
Содержащиеся в справочниках-каталогах запасные части и детали не предлагаются к продаже, а носят исключительно информационный характер