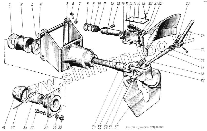
Каталог запасных частей к технике: МТЗ-100. Буксирное устройство
1
2
3
4
5
6
7
8
9
10
11
12
13
14
15
16
17
18
19
20
21
22
23
24
25
26
27
28
29
30
31
32
33
34
35
36
37
38
39
40
41
| Позиция на иллюстрации | Заводской номер детали | Название детали | |
|---|---|---|---|
| 85-2805005 | 85-2805005 | Буксирное устройство в сборе | |
| 70-2805015-А | 70-2805015-А | Буксир в сборе | |
| 70-2805020-А | 70-2805020-А | Крюк в сборе | |
| 70-2805025 | 70-2805025 | Корпус в сборе | |
| 1 | 70-2805053 | Фланец | |
| 2 | 130-2805215-Б | Буфер | |
| 3 | 70-2805054 | Фланец | |
| 4 | Н70-2805071-01 | Палец | |
| 5 | 70-2805011-Б | Кронштейн | |
| 6 | 70-4605121 | Чека | |
| 7 | 70-4605122 | Кольцо | |
| 8 | В42 | Кольцо | |
| 9 | 70-2805047 | Заглушка | |
| 10 | 70-2805027 | Шайба | |
| 11 | 70-2805048 | Пружина | |
| 12 | 70-2805044 | Палец | |
| 13 | 70-2805037 | Палец | |
| 14 | 70-2805036 | Штифт | |
| 15 | 70-2805030 | Корпус | |
| 16 | 70-2805046 | Пружина | |
| 17 | 70-2805034 | Пластина | |
| 18 | 70-2805049 | Упор | |
| 19 | М6х10 | Болт | |
| 20 | ШП6 | Шайба | |
| 21 | М32х30 | Болт | |
| 22 | ШП12 | Шайба | |
| 23 | 3,2х18 | Шплинт | |
| 24 | 70-2805050 | Рукоятка | |
| 25 | 8х65 | Палец | |
| 26 | 70-2805024 | Пружина | |
| 27 | 70-2805023 | Ось | |
| 28 | 70-2805022 | Рычаг | |
| 29 | 52-2308094 | Штифт | |
| 30 | 85-2805040 | Ловитель | |
| 31 | 70-2805026 | Шайба | |
| 32 | 3,2х25 | Шплинт | |
| 33 | 12-12-306 | Кольцо | |
| 34 | 85-2805021 | Крюк | |
| 35 | М16 | Гайка | |
| 36 | ШП16 | Шайба | |
| 37 | 70-2805052-Б | Крышка | |
| 38 | М16х50 | Болт | |
| 39 | 70-2805056 | Гайка | |
| 40 | 6,3х63 | Шплинт | |
| 41 | 70-2805057 | Колпак |
Содержащиеся в справочниках-каталогах запасные части и детали не предлагаются к продаже, а носят исключительно информационный характер