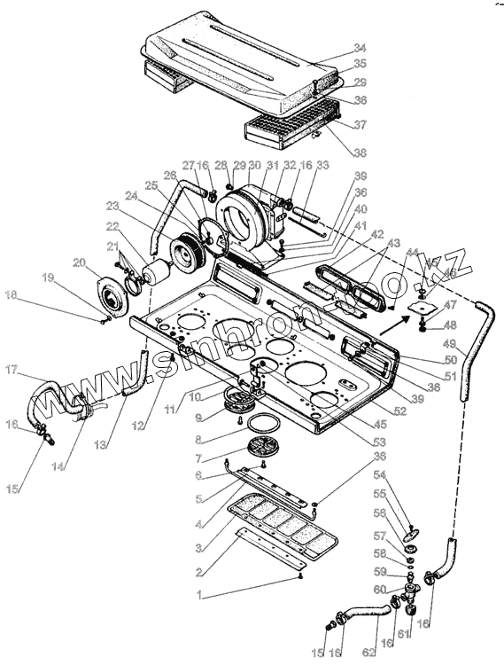
Каталог запасных частей к технике: МТЗ-1005. Установка отопителя
1
2
3
3
4
5
6
7
8
9
10
11
12
13
14
15
15
16
16
16
16
16
16
17
18
19
20
21
22
23
24
25
26
27
28
29
29
30
31
32
33
34
35
36
36
36
36
37
38
39
39
40
41
42
43
44
45
45
46
47
48
49
50
51
52
53
54
55
56
57
58
59
60
61
62
| Позиция на иллюстрации | Заводской номер детали | Название детали | |
|---|---|---|---|
| 80-8101720 | 80-8101720 | Отопитель в сборе | |
| 80-8101710 | 80-8101710 | Бак отопителя в сборе | |
| 80-8101790 | 80-8101790 | Вентилятор в сборе | |
| 80-8101750 | 80-8101750 | Кран в сборе | |
| 1 | М4х8 | Винт | |
| 2 | 70-8204014 | Держатель | |
| 3 | 80Р-8204010 | Козырек в сборе | |
| 3 | 70-8204011-А | Козырек | |
| 4 | 70Р-8204011 | Ось | |
| 5 | 70-8204015 | Держатель | |
| 6 | 6х18 | Палец | |
| 7 | 150.95.301 | Воздухораспределитель | |
| 8 | 80-8100013 | Накладка | |
| 9 | 2х12 | Шплинт | |
| 10 | 50-8400031 | Ось | |
| 11 | 80-8100048 | Петля | |
| 12 | ВМ6х20 | Винт | |
| 13 | 80-8102015 | Шланг L=700 мм | |
| 14 | 1М100 | Манжета | |
| 15 | 80-8100023 | Штуцер | |
| 16 | ХС-23 | Хомут | |
| 17 | 80-8102015-08 | Шланг | |
| 18 | М6х14 | Болт | |
| 19 | ШЧ6 | Шайба | |
| 20 | 80-8101791 | Фланец | |
| 21 | ХС-76 | Хомут | |
| 22 | 9742.3730 | Электродвигатель | |
| 23 | 80-8104034 | Ротор | |
| 24 | М4 | Гайка | |
| 25 | 80-8104039 | Кольцо | |
| 26 | ВМ4х10 | Винт | |
| 27 | 70-8115168 | Прокладка | |
| 28 | М6 | Гайка | |
| 29 | ШП6 | Шайба | |
| 30 | 70У-8101060-А | Радиатор отопителя | |
| 31 | 80-8101730 | Кожух | |
| 32 | 80-8100016-01 | Уплотнитель | |
| 33 | 80-3703046-А | Шпилька | |
| 34 | 80-8101740 | Крышка | |
| 35 | М6х20 | Винт | |
| 36 | ШЧ6 | Шайба | |
| 37 | 80-8101714-04 | Уплотнитель | |
| 38 | 80-8104070 | Фильтр | |
| 39 | М6х16 | Винт | |
| 40 | 80-8101716-02 | Уплотнитель | |
| 41 | 80-8100014 | Стержень | |
| 42 | 80-8100011 | Крышка | |
| 43 | 80-8100012 | Заслонка | |
| 44 | ВМ6х16 | Винт | |
| 45 | М8 | Гайка | |
| 46 | ШЧ8 | Шайба | |
| 47 | М8х25 | Болт | |
| 48 | А30.04.017-01 | Колпачок | |
| 49 | 80-8101015 | Шланг | |
| 50 | 80-8100100 | Панель | |
| 51 | 70-6702111 | Угольник | |
| 52 | 80-8101713 | Обивка | |
| 53 | ШП8 | Шайба | |
| 54 | 4х16 | Шуруп | |
| 55 | 80-8101756 | Маховичок | |
| 56 | 80-8101753 | Гайка | |
| 57 | 80-8101754 | Втулка | |
| 58 | 020-025-30-1-4 | Кольцо | |
| 59 | 80-8101752 | Пробка | |
| 60 | 80-8101751 | Корпус | |
| 61 | 80-8100052 | Пробка | |
| 62 | 80-8102015-03 | Шланг L=500 мм |
Содержащиеся в справочниках-каталогах запасные части и детали не предлагаются к продаже, а носят исключительно информационный характер