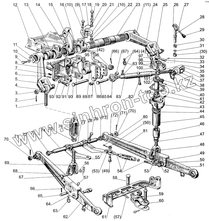
Каталог запасных частей к технике: МТЗ-1005. Механизм задней навески
85-4605010
1
2
3
4
4
5
6
7
8
9
9
10
10
10
11
11
12
13
14
15
16
17
18
19
20
21
22
23
24
25
26
27
28
29
30
30
31
32
33
34
35
36
37
38
39
40
41
42
42
43
44
45
46
47
48
49
49
50
50
51
52
53
53
54
55
56
57
57
58
59
60
61
61
62
63
63
64
64
65
66
66
67
68
69
70
70
71
71
72
72
73
73
74
75
76
76
77
78
79
80
81
82
83
84
85
86
87
87
88
89
90
91
92
93
94
95
96
97
98
99
100
101
102
103
| Позиция на иллюстрации | Заводской номер детали | Название детали | |
|---|---|---|---|
| 1220-4605012 | 1220-4605012 | Раскос в сборе | |
| 50-4605015 | 50-4605015 | Болт с гайкой в сборе | |
| 80-4605030 | 80-4605030 | Тяга в сборе | |
| 80-4605035 | 80-4605035 | Тяга в сборе | |
| 80-4605150 | 80-4605150 | Раскос | |
| 85-4605010 | 85-4605010 | Механизм задней навески | |
| 85-4605145 | 85-4605145 | Кронштейн в сборе | |
| А61.03.000 | А61.03.000 | Тяга в сборе | |
| 1 | А61.02.100 | Винт | |
| 2 | 4х36 | Шплинт | |
| 3 | 70-3003032 | Гайка | |
| 4 | 50-4605076 | Палец | |
| 5 | 80-4605021 | Рычаг левый | |
| 6 | 70-4605317 | Ограничитель | |
| 7 | 21А-1601150 | Пружина | |
| 8 | 50-4605027 | Штифт | |
| 9 | М12х25 | Болт | |
| 10 | ШП12 | Шайба | |
| 11 | 40-4605023-А2 | Шайба | |
| 12 | 85-2401024 | Крышка | |
| 13 | 70-4605032 | Втулка | |
| 14 | 80-4605313 | Палец | |
| 15 | 85-4605024 | Рычаг | |
| 16 | 2В65 | Кольцо | |
| 17 | А61.07.002 | Пружина | |
| 18 | М12х35 | Болт | |
| 19 | ШЧ12 | Шайба | |
| 20 | 50-4605069 | Втулка | |
| 21 | 85-4605240 | Кронштейн | |
| 22 | М12 | Гайка | |
| 23 | 70-4605023 | Вал поворотный | |
| 24 | 80-4605022 | Рычаг правый | |
| 25 | 70-4605168 | Серьга | |
| 26 | А61.01.016-В | Ось | |
| 27 | А61.01.400 | Вилка | |
| 28 | А61.01.600 | Вал | |
| 29 | А61.01.014 | Рукоятка | |
| 30 | А61.01.017 | Втулка | |
| 31 | 016-021-30-2-4 | Кольцо | |
| 32 | 8х45 | Штифт | |
| 33 | А61.01.004 | Палец | |
| 34 | А61.02.003 | Контргайка | |
| 35 | А61.05.001 | Кольцо | |
| 36 | А61.03.001-02 | Палец | |
| 37 | А61.08.001 | Цепочка | |
| 38 | А61.02.100-04 | Винт | |
| 39 | А61.01.001 | Шестерня | |
| 40 | А61.01.005 | Заклепка | |
| 41 | А61.01.003 | Прокладка | |
| 42 | 1.3.Ц6.ХР | Масленка | |
| 43 | А61.01.100-А | Корпус | |
| 44 | А61.01.013 | Втулка | |
| 45 | А61.01.008 | Труба | |
| 46 | А61.01.011 | Колпак | |
| 47 | А61.01.009 | Ограничитель | |
| 48 | 70-4605100 | Вилка | |
| 49 | 50-4605086 | Болт серьги | |
| 50 | М12 | Гайка | |
| 51 | 80-4605040 | Тяга | |
| 52 | 70-4605048-А | Проушина | |
| 53 | А61.09.002 | Серьга | |
| 54 | А61.04.000 | Стяжка | |
| 55 | 80-4605033 | Кронштейн | |
| 56 | ШЧ18 | Шайба | |
| 57 | А61.07.001 | Шплинт | |
| 58 | А61.10.002 | Палец | |
| 59 | 50-4605079-В | Шкворень | |
| 60 | А61.11.001 | Вилка | |
| 61 | 80-4605025 | Поперечина в сборе | |
| 61 | 80-4605046 | Поперечина | |
| 62 | 80-4605040-01 | Тяга | |
| 63 | А61.05.004 | Кольцо | |
| 64 | А61.05.005 | Чека | |
| 65 | 50-4605049-В | Палец | |
| 66 | 5х36 | Шплинт | |
| 67 | 50-4605084 | Палец | |
| 68 | 80-4605050-01 | Тяга | |
| 69 | 85-4605100 | Вилка | |
| 70 | А04.02.020 | Гайка | |
| 71 | 5х45 | Шплинт | |
| 72 | 80-4605047 | Шайба | |
| 73 | 80-4605068 | Шайба | |
| 74 | 80-4605026 | Ось | |
| 75 | А61.02.003 | Контргайка | |
| 76 | 1220-4605115 | Стяжка в сборе | |
| 76 | А61.02.001 | Стяжка раскоса | |
| 77 | 80-4605018 | Втулка | |
| 78 | М16 | Гайка | |
| 79 | 50-4605019 | Болт | |
| 80 | 3,2х18 | Шплинт | |
| 81 | 80-4605050 | Тяга | |
| 82 | А61.03.102 | Рукоятка | |
| 83 | А61.03.101 | Труба | |
| 84 | А61.02.100-02 | Винт | |
| 85 | А61.10.001-02 | Палец | |
| 86 | 85-4605330 | Серьга | |
| 87 | 40-4605047 | Втулка | |
| 88 | 70-4605302-Б | Пружина | |
| 89 | 85-4605016 | Кронштейн | |
| 90 | А61.10.001 | Палец | |
| 91 | 70-4605320 | Болт | |
| 92 | 70-4605036 | Болт | |
| 93 | ШП20 | Шайба | |
| 94 | 54-38-619 | Кольцо | |
| 95 | 70-4605304-Б | Шайба | |
| 96 | 70-4605316 | Гайка упорная | |
| 97 | А61.01.006 | Болт раскоса | |
| 98 | М14х40 | Болт | |
| 99 | ШП14 | Шайба | |
| 100 | А61.01.204 | Крышка | |
| 101 | А61.01.012 | Ограничитель | |
| 102 | А61.01.300 | Труба с шестерней | |
| 103 | 8109 | Подшипник |
Содержащиеся в справочниках-каталогах запасные части и детали не предлагаются к продаже, а носят исключительно информационный характер