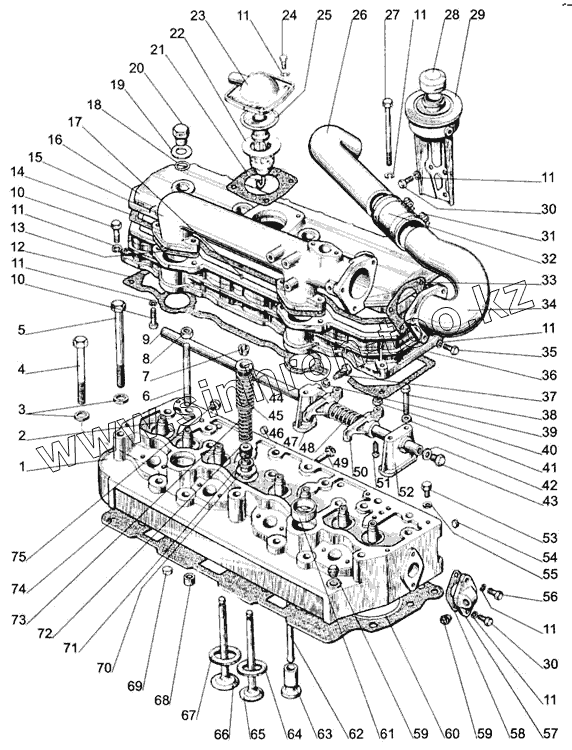
Каталог запасных частей к технике: МТЗ-1005. Головка цилиндров. Клапаны и толкатели клапанов
1
1
1
2
3
4
5
6
7
8
9
10
10
11
11
11
11
11
11
11
11
12
13
14
15
16
17
18
19
20
21
22
23
24
25
26
27
28
29
29
30
30
31
32
33
34
35
36
36
37
38
39
40
41
42
43
44
45
46
47
48
49
50
50
51
51
52
53
54
55
56
57
58
59
59
60
61
62
62
63
63
64
65
65
66
66
67
68
69
70
71
72
73
74
75
| Позиция на иллюстрации | Заводской номер детали | Название детали | |
|---|---|---|---|
| 240-1007151-В | 240-1007151-В | Стойка передняя | |
| 240-1007152-В | 240-1007152-В | Стойка средняя вторая | |
| 1 | 245-1003012 | Головка цилиндров в сборе | |
| 1 | 245-1003013-А-03 | Головка цилиндров | |
| 1 | 245-1003015-А-01 | Головка цилиндров | |
| 2 | 240-1007032-В-01 | Втулка направляющая | |
| 3 | 48-1002318 | Шайба | |
| 4 | 240-1002047-01 | Болт | |
| 5 | 240-1002047 | Болт | |
| 6 | 50-1003112 | Шпилька | |
| 7 | 50-1007053-А1 | Сухарь клапана | |
| 8 | М12 | Гайка | |
| 9 | 50-1007102-А | Ось | |
| 10 | М8х35 | Болт | |
| 11 | ШП8 | Шайба | |
| 12 | 240-1003108 | Прокладка | |
| 13 | 240-1003031 | Прокладка | |
| 14 | 240-1003109 | Прокладка | |
| 15 | 245-1003033-А-06 | Коллектор | |
| 16 | 245-1003122-02 | Колпак | |
| 17 | 2,5х10 | Штифт | |
| 18 | 50-1003107-А-01 | Кольцо | |
| 19 | 50-1003106 | Шайба | |
| 20 | 50-1003104-А | Гайка колпака | |
| 21 | 240-1002444-А | Прокладка | |
| 22 | 245-1014440 | Стакан | |
| 23 | 245-1002430-02 | Корпус сапуна | |
| 24 | М8х16 | Болт | |
| 25 | 245-1014445 | Маслоотражатель | |
| 26 | 245-2451003036-В | Патрубок | |
| 27 | М8х80 | Болт | |
| 28 | 240-3707200-01 | Пробка | |
| 29 | 245-3707220-А | Бачок с пробкой | |
| 29 | 242-3707140-А-01 | Бачок | |
| 30 | М8х20 | Болт | |
| 31 | 50-70 | Хомут фирмы Nоrmа | |
| 32 | 50-61-70-0,2 | Рукав | |
| 33 | 240-1003264-А | Прокладка | |
| 34 | 245-1003035-В | Патрубок | |
| 35 | М8х30 | Болт | |
| 36 | 245-1003030-08 | Крышка головки цилиндров | |
| 36 | 240-1003032-А-02 | Крышка | |
| 37 | 240-1007185 | Фиксатор | |
| 38 | М12х85 | Болт | |
| 39 | ШП10 | Шайба | |
| 40 | Д02-063 | Гайка | |
| 41 | ШЧ12 | Шайба | |
| 42 | 50-1007183 | Шайба пробки | |
| 43 | 50-1007182 | Пробка оси коромысел | |
| 44 | 240-1007048 | Тарелка | |
| 45 | 240-1007045-А1 | Пружина клапана | |
| 46 | Д02-003-А | Заглушка | |
| 47 | 240-1007152-В-01 | Стойка оси коромысел средняя | |
| 48 | 50-1007103-А | Пружина оси коромысел | |
| 49 | М12х35 | Болт | |
| 50 | 50-1007212-А3 | Коромысло | |
| 50 | 50-1007212-А4 | Коромысло клапана со втулкой | |
| 51 | 50-1007170-В | Винт регулировочный с гайкой | |
| 51 | 50-1007175-В1 | Винт регулировочный | |
| 52 | 240-1007151-В-01 | Стойка оси коромысел крайняя | |
| 53 | 240-1003281 | Пробка | |
| 54 | 240-1003037 | Заглушка | |
| 55 | 36-1104788-01 | Прокладка | |
| 56 | М8х25 | Болт | |
| 57 | 70-8115022-А | Патрубок | |
| 58 | 50-1015598 | Прокладка патрубка | |
| 59 | КГ 3/8 | Пробка | |
| 60 | Ф-4.118,3 | Кольцо | |
| 61 | 50-1003103-А | Стакан | |
| 62 | 240-1007310-В | Штанга | |
| 62 | 240-1007310-В1 | Штанга | |
| 63 | 240-1007375-А1 | Толкатель клапана | |
| 63 | 240-1007375-А | Толкатель | |
| 64 | 245-1003018 | Седло впускного клапана | |
| 65 | 240-1007015-В6 | Клапан выпускной | |
| 65 | 240-1007015-В7 | Клапан выпускной | |
| 66 | 240-1007014-В7 | Клапан впускной | |
| 66 | 240-1007014-В4 | Клапан впускной | |
| 67 | 245-1003019 | Седло выпускного клапана | |
| 68 | 240-1003029 | Втулка | |
| 69 | 240-1003027 | Заглушка | |
| 70 | 240-1007054 | Шайба | |
| 71 | 240-1007055 | Шайба | |
| 72 | 240-1007020 | Манжета | |
| 73 | 240-1007046-А1 | Пружина клапана | |
| 74 | 50-1003020-А2-01 | Прокладка | |
| 75 | М12х85 | Болт |
Содержащиеся в справочниках-каталогах запасные части и детали не предлагаются к продаже, а носят исключительно информационный характер