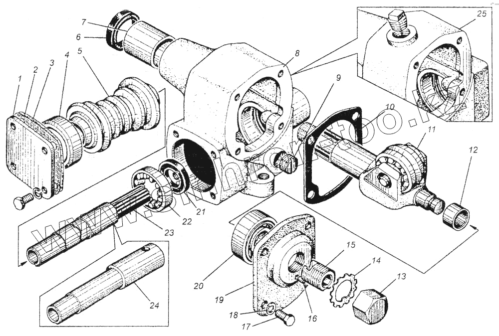
Каталог запасных частей к технике: МТЗ-082. Управление рулевое 082-3405
1
2
3
4
5
6
7
8
9
10
11
12
13
14
15
16
17
18
19
20
21
22
23
24
25
| Позиция на иллюстрации | Заводской номер детали | Название детали | |
|---|---|---|---|
| 082-3405040 | 082-3405040 | Картер рулевого управления (7, 8) | |
| 082-3405075 | 082-3405075 | Крышка картера (11, 12, 15, 16, 19, 20) | |
| 082-3405050 | 082-3405050 | Вал червяка (5, 23) | |
| 1 | 082-3405034 | Крышка картера | |
| 2 | 082-3405031 | Прокладка | |
| 3 | 082-3405031-01 | Прокладка | |
| 4 | 877907 | Подшипник роликовый с сепаратором и нижним кольцом | |
| 5 | 082-3405052 | Червяк | |
| 6 | 2,1-32х44 | Манжета ГОСТ 8752-79 | |
| 7 | 082-3405042 | Втулка | |
| 8 | 082-3405041 | Корпус | |
| 9 | КГ1/2" | Пробка | |
| 10 | 052-3405045 | Прокладка | |
| 11 | 082-3405055 | Вал сошки с подшипником | |
| 12 | 082-3405062 | Кольцо | |
| 13 | 082-3405038 | Гайка колпачковая | |
| 14 | 082-3405039 | Шайба стопорная | |
| 15 | 082-3405077 | Винт регулировочный | |
| 16 | 8h8х10 | Штифт ГОСТ 3128-70 | |
| 17 | М8-6gх16.88.35.019 | Болт | |
| 18 | 8Т | Шайба | |
| 19 | 082-3405076 | Крышка картера | |
| 20 | 922205К | Подшипник радиальный без внутреннего кольца | |
| 21 | 2,1-23х35 | Манжета ГОСТ 8752-79 | |
| 22 | 977907-К1 | Подшипник роликовый с сепаратором и верхним кольцом | |
| 23 | 082-3405051 | Вал червяка | |
| 24 | 082-3402051 | Вал червяка | |
| 25 | 082-3402041 | Корпус |
Содержащиеся в справочниках-каталогах запасные части и детали не предлагаются к продаже, а носят исключительно информационный характер