Вернуться на главную
Поиск
Каталоги запчастей к технике
Сельхозтехника
МТЗ
БЕЛАРУС 923.7
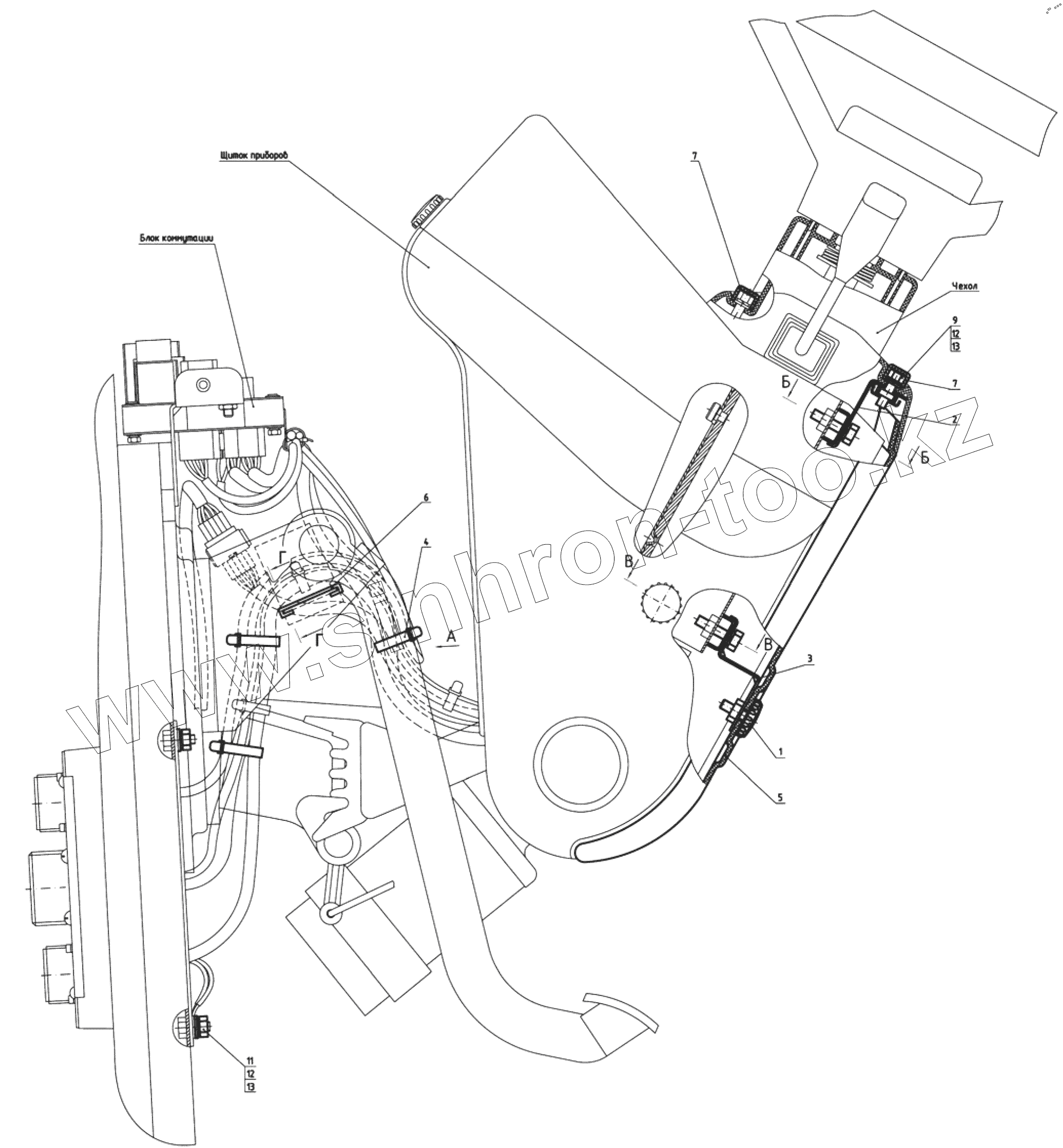
Установка щитка приборов 925М-3805105
Каталог запасных частей к технике: МТЗ БЕЛАРУС 923.7. Установка щитка приборов 925М-3805105
zoom-in
zoom-out
enlarge
shrink
circle-right
circle-left
file-text2
info
cart
Тип техники
Не выбрано
Легковые автомобили
Грузовые автомобили и прицепы
Автобусы
Сельхозтехника
Спецтехника
Двигатели
Мототехника
Марка
Не выбрано
AGCO
Amity
CASE IH
DongFeng
Fortschritt
Foton
Franz Kleine
Gaspardo
Great Plains
KRONE
KUHN
Lemken
Lovol
MacDon
Massey Ferguson
New Holland
TIGARBO
Vaderstad
Versatile
Wirax
Агро
Агротехмаш
Бобруйскагромаш (ОАО «УКХ «Бобруйскагромаш»)
БЭМЗ
ВгТЗ
Воронежсельмаш
ВТЗ
Гомсельмаш
ДКЗ
ЗАО "Техника-сервис"
ЗиД
КЗК
Кировец-Ландтехник
Клевер
Красная Звезда
Лидагропроммаш
Лидсельмаш
ЛТЗ
Машстройхолдинг
Минитракторы
Мордовагромаш
МТЗ
Навигатор-Новое машиностроение
Нефтекамский автозавод
ПТЗ
Ремком
РСМ
Сибсельмаш
ТеКЗ
ТКЗ
ХЗТСШ
ХТЗ
ЮМЗ
Модель
Не выбрано
1025.5 (2013)
1025/1025.2/1025.3 (2009)
1220 (2011)
1220.5 (2013)
1523.5 (2013)
1523.5 с ГМТ (2014)
2122.3/2122.4 (2015)
3022ДЦ.1 (2011)
320.4М (2019)
622 (2012)
800/900 (2003)
80Х (2012)
892 (2011)
922.3 / 922.4 (2013)
922.5 (2013)
923.4 (2014)
923.5 (2013)
92П (2010)
952.5 (2013)
БЕЛАРУС 1025.7 (2022)
БЕЛАРУС 1220.7 (2022)
БЕЛАРУС 1221.7 (2022)
БЕЛАРУС 2103 (2015)
БЕЛАРУС 320 (1998)
БЕЛАРУС 3522.5 (2013)
БЕЛАРУС 3525 (2019)
БЕЛАРУС 421 (2014)
БЕЛАРУС 451 (2023)
БЕЛАРУС 651 (2023)
БЕЛАРУС 923.7 (2022)
БЕЛАРУС 952.7 (2022)
Беларус-08Н (09Н) (2015)
Беларус-422.1 (2018)
КБ-00.000 (САЗ) (2015)
КМ-2 (САЗ) (2015)
МТЗ-082
МТЗ-100
МТЗ-1005 (2008)
МТЗ-1021.3 (2010)
МТЗ-1025.4 (2009)
МТЗ-112Н, 132Н (2010)
МТЗ-1221 (1997)
МТЗ-1221 (2009) (2009)
МТЗ-1221.4 (2009)
МТЗ-1221.4 (2009)
МТЗ-1221.5 (2013)
МТЗ-1222/1523 (2009)
МТЗ-1522 (2008)
МТЗ-1523
МТЗ-1523 (2013)
МТЗ-1523 (2008) (2008)
МТЗ-1523.4 (2010)
МТЗ-1523.6 (2018)
МТЗ-2022 (2010)
МТЗ-2103 (2010)
МТЗ-2522 (2010)
МТЗ-310, 320, 321 (2011)
МТЗ-3522 (2011)
МТЗ-510/512, 520/522 (2010)
МТЗ-570 (2010)
МТЗ-80 (1998)
МТЗ-80 (2002) (2002)
МТЗ-80 (2009) (2009)
МТЗ-80.1 (2015)
МТЗ-821/921 (2009)
МТЗ-822 (2008)
МТЗ-826 (2010)
МТЗ-90/92 (2008)
МТЗ-900
МТЗ-900/920/950/952 (2009)
МТЗ-920.4/952.4 (2009)
МТЗ-922 (2008)
МТЗ-923 (2008)
ФР-00.010 (САЗ) (2015)
ФР-00700-Б (САЗ) (2015)
Схема
>
Не выбрано
Трансмиссия 90-0002000-01
Трансмиссия 90-0002000-01
Трансмиссия 90-0002000-01
Установка двигателя 923.7С-100100
Установка двигателя 923.7С-100100
Бак 923.7С-1101000
Бак 923.7С-1101000
Управление подачей топлива 952.4К-1108000
Установка воздухоочистителя 923.7С-1109125
Глушитель. Установка глушителя 923.7С-1205005
Установка бака 923.7С-1201010
Система подачи 923.7С-1204010
Система подогрева бака 923.7С-1209010
Блок охлаждения 923.6-1301009
Ограждение вентилятора 923.7С-1309100
Установка сцепления
Корпус сцепления 90-1601015
Корпус сцепления. Отводка. 90-1601180
Корпус сцепления. Привод ВОМ.
Корпус сцепления. Привод ВОМ. (nдв=2200 об/мин)
Корпус сцепления. Привод насосов. (nдв=2200 об/мин)
Корпус сцепления. Привод ПВМ.
Корпус привода переднего моста.
Управление сцеплением 923.7-1602010, 923.7-1602010-01
Гидроусилитель 2022-1602510-01
Бачок 822-1602120
Синхронизированный реверс – редуктор
Редуктор
Управление комбинированным редуктором
Управление комбинированным редуктором. Крышка (управления реверсом) 95-1723010-01
Управление комбинированным редуктором. Крышка (управления редуктором) 95-1723015
Управление комбинированным редуктором. Кронштейн (напольный) 95-1723520
Корпус коробки передач 95-1701025
Корпус коробки передач 95-1701025
Вал первичный и вал вторичный 74-1701030, 74-1701040
Вал промежуточный. Вал внутренний
Вал I-ой передачи
Механизм управления синхронизированной КП. Корпус вилок.
Механизм 2-х рычажного управления КП
Привод переднего ведущего моста
Привод переднего ведущего моста (крышка)
Вал карданный 900-2203010-А
Передний ведущий мост 1225-2300020-01
Редуктор центральный
Дифференциал 1225-2303010
Редуктор колесный 1225-2308005-01, 1225-2308010-01
Задний мост 1025-2401010-02. Корпус заднего моста Корпус заднего моста
Дифференциал 1522-2403010-А-02, 1522-2403020-А-01. Главная передача. Стакан подшипников. Крышка стакана
Переключение BOM (независимый/синхронный)
Установка горловины заливной 923.7-0002005-Б
Механизм блокировки дифференциала «мокрого» типа
Тягово-сцепное устройство 1322-2707210
Тягово-сцепное устройство (варианты комплектации)
Установка бруса с ПВМ 923.7-2801125-01
Тяга рулевая 923.7-3003010
Колеса передние ведущие
Колеса передние ведущие
Колеса задние. Ступицы задних колес
Ступицы задних колес 1075-3104010
Колонка рулевая 822-3401000-07
Кардан 80 В-3401150
Управление рулевое 923.7-3400010-Б, 923.7-3400010-Б-01
Управление рулевое 923.7-3400010-Б, 923.7-3400010-Б-01
Управление рулевое 923.7-3400010-Б, 923.7-3400010-Б-01
Бак 952.4К-3407100-01
Тормоза рабочие (левый 1522М-3502010-02/правый 1221М-3502020-01)
Управление тормозами 923.7-3503600
Управление тормозами
Управление тормозами
Управление тормозами
Управление тормозами
Управление СЗТ для тормозов рабочих «мокрого типа»
Пневмопривод (двухпроводный) 923.7-3506505. 923.7-3506510
Пневмопривод (двухпроводный) 923.7-3506505. 923.7-3506510
Пневмокомпрессор
Клапан 1220.7-3509150
Баллон (ресивер) 923.7-3513505
Баллон (ресивер) 923.7-3513510
Кран тормозной 923.7-3514105
Кран тормозной 923.7-3514505
Головка соединительная 923-3521505, 923-3521510
Клапан 923.7-3531005
Электрооборудование кондиционера 1523.6-3700090
Установка фонарей задних 1222-3700060-02
Установка фонарей передних 925-3700025
Управление зеркалами 1221.6-3700130
Электрооборудование кабины 925-3700050
Электрооборудование трансмиссии 923.6-3700040
Электрооборудование двигателя 1025.6-3700030
Электрооборудование двигателя 1025.6-3700030
Установка батарей аккумуляторных 952.5-3700080
Электрооборудование отопителя 925-3700090, 925-3700090-01
Блок коммутации 921-3722010-02
Установка фар дорожных 921-3700020
Электрооборудование кондиционера 1523К.4-3839005
Щиток приборов 925М-3805110
Щиток приборов 925М-3805110
Щиток приборов 925М-3805110
Щиток приборов 925М-3805110
Установка щитка приборов 925М-3805105
Установка щитка приборов 925М-3805105
Вал отбора мощности задний 1025-4202010-А
Вал отбора мощности задний
Балласт 952.4К-4235010
Привод насоса 77-4604010
Механизм задней навески (с гидроподъемником)
Механизм задней навески (с гидроподъемником)
Стяжка телескопическая 80-4605280
Захват «Walterscheid» 2кат.
Захват МТЗ 2кат. 1000-4605300
Поперечина 1220-4605025
Поперечина 822-4605085
Механизм передней навески
Гидросистема 923.7-4600010
Гидросистема 923.7-4600010
Гидросистема 923.7-4600010
Бак масляный 923-4608200-01
Муфта
Цилиндр гидроподъемника. Вариант 1
Цилиндр гидроподъемника. Вариант 2
Распределитель гидроподъемника 820-4634010
Управление гидроподъемником 820-4635005
Гидроподъемник
Гидроподъемник 1221Э-4635010
Гидросистема трансмиссии 95.7-4637010
Гидросистема трансмиссии
Гидросистема трансмиссии
Установка стеклоочистителя 1221.6-5205010
Установка стеклоочистителя 1221.6-5205010
Установка стеклоомывателя 952.5-5208010
Кабина трактора 2522-6700010
Крыша
Дверь кабины
Стекла кабины
Установка панели 2522-6702285-Б
Установка пульта 923-6702295-Б-01
Установка чехла 923-6702335-Б-01
Сиденье оператора 80-6800010-05, 586063
Сиденье оператора 80-6800010-05, 586063
Сиденье дополнительное 2522-6809005
Установка отопителя-охладителя
Установка отопителя-охладителя
Отопитель
Отопитель
Кондиционирование воздуха
Кондиционирование воздуха
Кондиционирование воздуха
Система отопления и вентиляции 1522-8101010-Б
Зеркало внутреннее 2522-8201090
Зеркало наружное 80-8201055
Козырек противосолнечный 80П-8204010
Облицовка радиатора. Капот
Облицовка радиатора. Капот
Крылья передние
Подножка 923-8405005-Б-01
Управление двигателем 923.7-8700910-Т
Управление двигателем 923.7-8700910-Т
Управление узлами трансмиссии (электрическая часть) 923.7-8702210, 923.7-8702210-01
Установка выключателей ВОМ 23-8702350
Установка блока коммутации и защиты 923.7-8700095
Подключение сиденья 923.6-8700075
1
2
3
4
5
6
9
11
12
12
13
13
Позиция на иллюстрации
Заводской номер детали
Название детали
925М-3805105
925М-3805105
Установка щитка приборов
1
80-3805065
Винт
2
822-3805080-Б
Кронштейн
3
822-3805095
Кронштейн
4
822-3805163
Кожух
5
ПР-43-01
Уплотнитель
6
А30.04.017
Колпачок
9
Болт М6-6gх16.88.35.019
Болт М6-6gх16.88.35.019
10
Болт М6-6gх25.88.35.019
Болт
11
Гайка М6-6Н.6.019
Гайка М6-6Н.6.019
12
Шайба С 6.01.019
Шайба
13
Шайба 6Т
Шайба 6Т
Содержащиеся в справочниках-каталогах запасные части и детали не предлагаются к продаже, а носят исключительно информационный характер
Дополнительная информация
×
Название:
Номер:
Примечание: