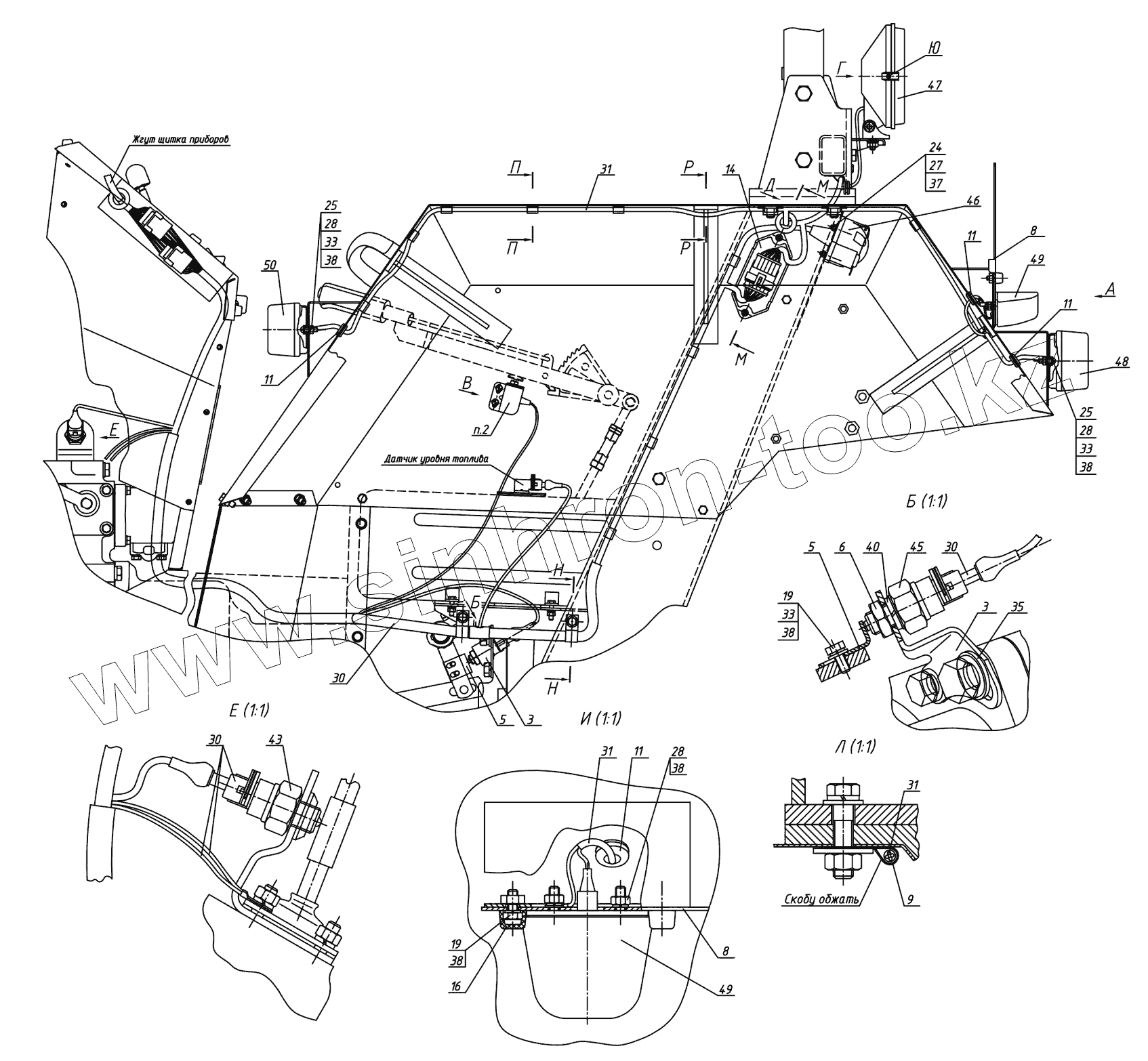
Каталог запасных частей к технике: МТЗ БЕЛАРУС 651. Электрооборудование кабины
3
3
5
5
6
8
8
9
11
11
11
11
14
16
19
19
24
25
25
27
28
28
28
30
30
30
31
31
31
33
33
33
35
37
38
38
38
38
38
40
43
45
46
47
48
49
49
50
| Позиция на иллюстрации | Заводской номер детали | Название детали | |
|---|---|---|---|
| 651-3700050 | 651-3700050 | Элетрооборудование кабины | |
| 1 | 70-1115012-01 | Хомутик | |
| 3 | 220-3710011 | Кронштейн | |
| 4 | 80-3710012 | Кронштейн | |
| 5 | 220-3710023 | Кронштейн | |
| 6 | 85-3710025 | Гайка | |
| 8 | 321-3716011-Б-01 | Пластина | |
| 9 | 822-3723001 | Скоба | |
| 11 | 70-3723042-01 | Втулка | |
| 12 | 70-3723042-02 | Втулка | |
| 14 | 70-3723056 | Крышка | |
| 16 | А30.04.017 | Колпачок | |
| 19 | Болт М6-6gх14.88.35.019 | Болт | |
| 20 | Болт М6-6gх18.88.35.019 | Болт | |
| 21 | Болт М8-6gх20.88.35.019 | Болт | |
| 23 | Винт В.М5-6gх12.58.019 | Винт В.М5-6gх12.58.019 | |
| 24 | Винт В.М5-6gх35.58.019 | Винт В.М5-6gх35.58.019 | |
| 25 | Винт В.М6-6gх20.58.019 | Винт | |
| 27 | Гайка М5-6Н.6.019 | Гайка М5-6Н.6.019 | |
| 28 | Гайка М6-6Н.6.019 | Гайка М6-6Н.6.019 | |
| 30 | 451-3724100 | Жгут кабины | |
| 31 | 451-3724160 | Жгут фонарей задних | |
| 32 | Шайба С.5.01.019 | Шайба | |
| 33 | Шайба С.6.01.019 | Шайба | |
| 34 | Шайба С.8.01.019 | Шайба | |
| 35 | Шайба С.16.01.019 | Шайба | |
| 37 | Шайба 5 Т | Шайба | |
| 38 | Шайба 6Т | Шайба 6Т | |
| 39 | Шайба 8Т | Шайба 8Т | |
| 40 | Шайба 14 ОТ | Шайба | |
| 43 | 3710.70 | Выключатель блокировки пуска | |
| 44 | 3710.60 | Выключатель лампы ручного тормоза | |
| 45 | 3720.10 | Выключатель сигнала торможения | |
| 46 | 3723.60 | Розетка прицепа | |
| 47 | 3711.50 | Фара рабочая круглая | |
| 48 | 3716.10 | Фонарь задний | |
| 49 | 3717.10 | Фонарь освещения номерного знака | |
| 50 | 3712.15 | Фонарь передний |
Содержащиеся в справочниках-каталогах запасные части и детали не предлагаются к продаже, а носят исключительно информационный характер