Вернуться на главную
Поиск
Каталоги запчастей к технике
Сельхозтехника
МТЗ
Беларус-422.1
Управление блокировкой дифференциала
Каталог запасных частей к технике: МТЗ Беларус-422.1. Управление блокировкой дифференциала
zoom-in
zoom-out
enlarge
shrink
circle-right
circle-left
file-text2
info
cart
Тип техники
Не выбрано
Легковые автомобили
Грузовые автомобили и прицепы
Автобусы
Сельхозтехника
Спецтехника
Двигатели
Мототехника
Марка
Не выбрано
AGCO
Amity
CASE IH
DongFeng
Fortschritt
Foton
Franz Kleine
Gaspardo
Great Plains
KRONE
KUHN
Lemken
Lovol
MacDon
Massey Ferguson
New Holland
TIGARBO
Vaderstad
Versatile
Wirax
Агро
Агротехмаш
Бобруйскагромаш (ОАО «УКХ «Бобруйскагромаш»)
БЭМЗ
ВгТЗ
Воронежсельмаш
ВТЗ
Гомсельмаш
ДКЗ
ЗАО "Техника-сервис"
ЗиД
КЗК
Кировец-Ландтехник
Клевер
Красная Звезда
Лидагропроммаш
Лидсельмаш
ЛТЗ
Машстройхолдинг
Минитракторы
Мордовагромаш
МТЗ
Навигатор-Новое машиностроение
Нефтекамский автозавод
ПТЗ
Ремком
РСМ
Сибсельмаш
ТеКЗ
ТКЗ
ХЗТСШ
ХТЗ
ЮМЗ
Модель
Не выбрано
1025.5 (2013)
1025/1025.2/1025.3 (2009)
1220 (2011)
1220.5 (2013)
1523.5 (2013)
1523.5 с ГМТ (2014)
2122.3/2122.4 (2015)
3022ДЦ.1 (2011)
320.4М (2019)
622 (2012)
800/900 (2003)
80Х (2012)
892 (2011)
922.3 / 922.4 (2013)
922.5 (2013)
923.4 (2014)
923.5 (2013)
92П (2010)
952.5 (2013)
БЕЛАРУС 1025.7 (2022)
БЕЛАРУС 1220.7 (2022)
БЕЛАРУС 1221.7 (2022)
БЕЛАРУС 2103 (2015)
БЕЛАРУС 320 (1998)
БЕЛАРУС 3522.5 (2013)
БЕЛАРУС 3525 (2019)
БЕЛАРУС 421 (2014)
БЕЛАРУС 451 (2023)
БЕЛАРУС 651 (2023)
БЕЛАРУС 923.7 (2022)
БЕЛАРУС 952.7 (2022)
Беларус-08Н (09Н) (2015)
Беларус-422.1 (2018)
КБ-00.000 (САЗ) (2015)
КМ-2 (САЗ) (2015)
МТЗ-082
МТЗ-100
МТЗ-1005 (2008)
МТЗ-1021.3 (2010)
МТЗ-1025.4 (2009)
МТЗ-112Н, 132Н (2010)
МТЗ-1221 (1997)
МТЗ-1221 (2009) (2009)
МТЗ-1221.4 (2009)
МТЗ-1221.4 (2009)
МТЗ-1221.5 (2013)
МТЗ-1222/1523 (2009)
МТЗ-1522 (2008)
МТЗ-1523
МТЗ-1523 (2013)
МТЗ-1523 (2008) (2008)
МТЗ-1523.4 (2010)
МТЗ-1523.6 (2018)
МТЗ-2022 (2010)
МТЗ-2103 (2010)
МТЗ-2522 (2010)
МТЗ-310, 320, 321 (2011)
МТЗ-3522 (2011)
МТЗ-510/512, 520/522 (2010)
МТЗ-570 (2010)
МТЗ-80 (1998)
МТЗ-80 (2002) (2002)
МТЗ-80 (2009) (2009)
МТЗ-80.1 (2015)
МТЗ-821/921 (2009)
МТЗ-822 (2008)
МТЗ-826 (2010)
МТЗ-90/92 (2008)
МТЗ-900
МТЗ-900/920/950/952 (2009)
МТЗ-920.4/952.4 (2009)
МТЗ-922 (2008)
МТЗ-923 (2008)
ФР-00.010 (САЗ) (2015)
ФР-00700-Б (САЗ) (2015)
Схема
>
Не выбрано
Установка двигателя
Бак топливный
Установка фильтра топливного грубой очистки
Управление подачей топлива
Тракт воздухопроводящий
Установка глушителя
Радиатор водяной
Сцепление
Управление сцеплением
Коробка передач
Вал первичный. Вал I промежуточный
Вал промежуточный II. Вал выходной
Вал привода BOM
Механизм управления коробкой передач
Привод карданный
Передний ведущий мост. Корпус и рукава переднего ведущего моста
Дифференциал, главная передача переднего ведущего моста
Редуктор конечной передачи переднего ведущего
Передний мост с принудительным включением
Муфта обгонная для ПВМ с прин.вкл.
Дифференциал
Редуктор конечной передачи ПВМ с прин.вкл.
Корпус заднего моста. Мост задний.
Дифференциал
Конечная передача
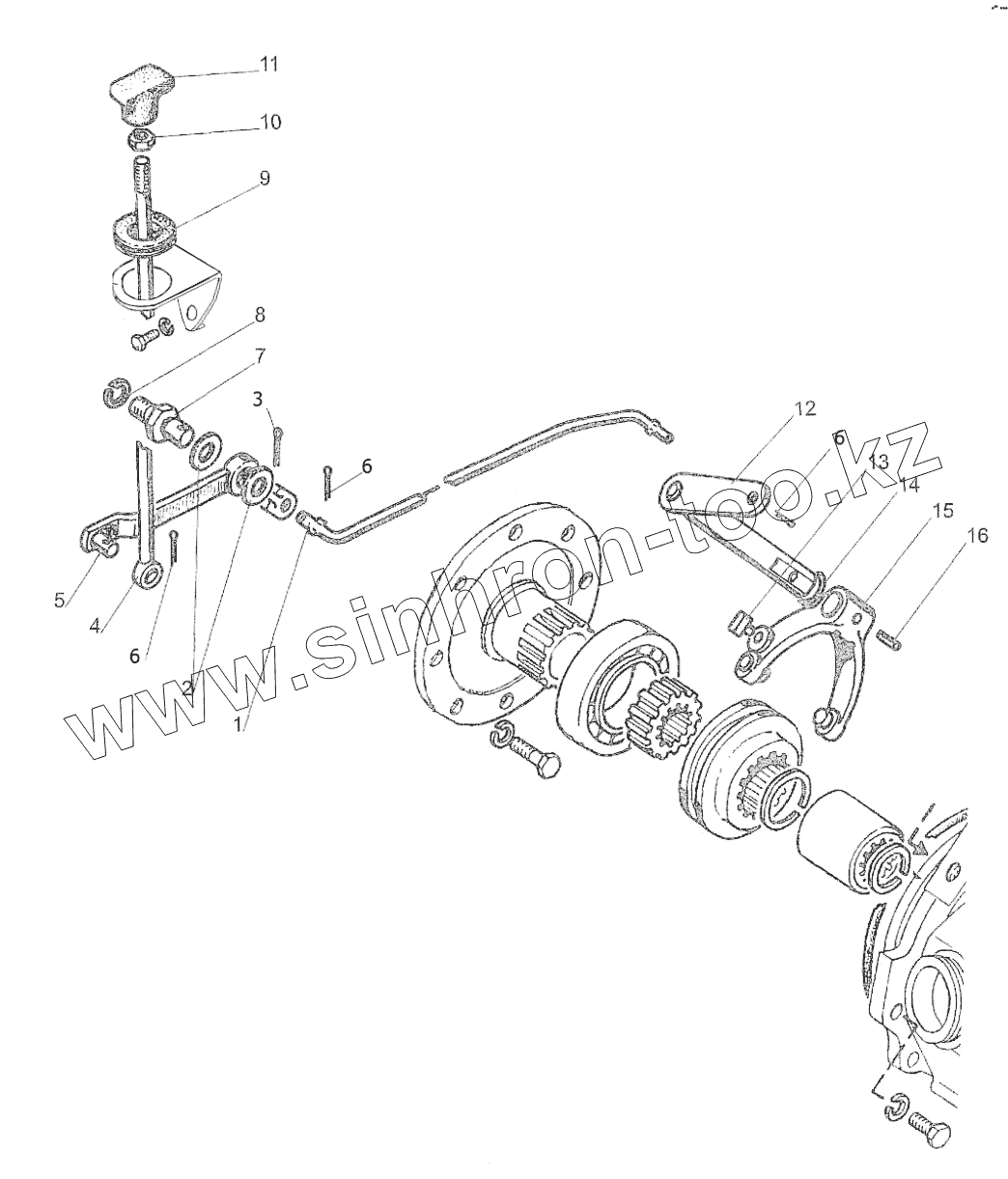
Управление блокировкой дифференциала
Тягово-сцепное устройство ТСУ-1М
Тягово-сцепное устройство ТСУ-1М
Полурама в сборе
Буксир передний
Балласт
Тяги рулевые
Колеса передние ведущие
Колеса задние ведущие
Управление рулевое гидрообъемное
Колонка рулевая
Цилиндр Ц40х160
Тормоза. Управление тормозами
Тормоз стояночно-запасной. Управление стояночно-запасным тормозом
Установка пневмопривода
Установка компрессора
Установка регулятора давления
Установка баллона
Установка крана тормозного
Установка головки соединительной
Электрооборудование двигателя
Электрооборудование кабины
Электрооборудование крыши. Установка маяка сигнального
Установка фар дорожных
Установка фонарей передних
Установка фонарей задних
Электрооборудование отопителя
Установка стеклоочистителей
Установка омывателя
Щиток приборов (для тракторов, выпущенных до 01.2011г.)
Щиток приборов (для тракторов, выпущенных после 01.2011г.)
Инструмент оператора (по заказу)
Аптечка (по заказу)
Вал отбора мощности задний
Управление задним валом отбора мощности
Вал отбора мощности передний
Механизм задней навески
Механизм передней навески
Гидросистема
Бак масляный
Привод насоса
Кабина
Установка панелей
Двери кабины
Установка крыльев
Сиденье оператора
Сиденье оператора
Подвеска сиденья
Система отопления и вентиляции
Зеркало наружное
Козырек противосолнечный
Облицовка
Крылья передних колес
Подножка
1
2
3
4
5
6
6
6
7
8
9
10
11
12
13
14
15
16
Позиция на иллюстрации
Заводской номер детали
Название детали
220-2411010
220-2411010
Управление блокировкой дифференциала
1
220-2411012
Тяга
2
А12.01.019
Шайба ГОСТ 6958-78
3
4х22.019
Шплинт
4
220-2411011
Тяга
5
220-2411030
Рычаг
6
3,2х18.019
Шплинт
7
220-3503023
Ось
8
12.ОТ
Шайба
9
70-3723042-02
Втулка
10
М8-6Н.6.019
Гайка
11
50-1310136-А
Рукоятка
12
220-2409025
Рычаг
13
05-4216013
Сухарь
14
013-017-25-1-4
Кольцо
15
220-2409020
Вилка
16
ШЦК4x30
Штифт
Содержащиеся в справочниках-каталогах запасные части и детали не предлагаются к продаже, а носят исключительно информационный характер
Дополнительная информация
×
Название:
Номер:
Примечание: