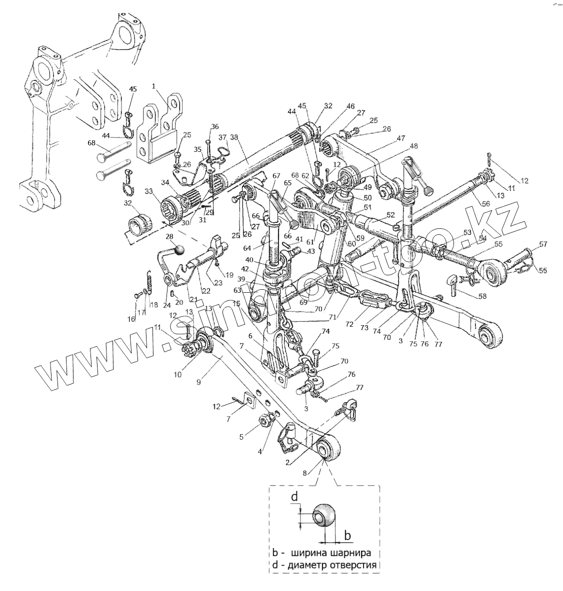
Каталог запасных частей к технике: МТЗ Беларус-422.1. Механизм передней навески
1
2
3
3
4
5
6
7
7
8
8
9
10
11
11
12
12
12
12
13
13
13
15
16
17
18
19
20
21
22
23
24
25
25
25
26
26
26
27
27
28
29
30
31
32
32
33
34
35
36
37
38
39
40
41
42
43
44
44
45
45
46
47
48
49
50
51
52
53
54
54
55
55
56
57
57
58
59
60
61
62
63
64
65
66
66
67
68
68
69
70
70
70
71
72
73
74
74
75
75
76
76
77
77
| Позиция на иллюстрации | Заводской номер детали | Название детали | |
|---|---|---|---|
| 220-4605020 | 220-4605020 | Раскос | |
| 220-4606020-А/-01/ | 220-4606020-А/-01/ | Навеска передняя | |
| 220-4605100 | 220-4605100 | Стяжка | |
| 220-4606090-01 | 220-4606090-01 | Тяга | |
| 320-4605040-01 | 320-4605040-01 | Тяга | |
| 220-4606090 | 220-4606090 | Тяга | |
| 320-4605040 | 320-4605040 | Тяга | |
| 1 | 220-4606045-А | Кронштейн | |
| 2 | A61.05.100-03 | Чека | |
| 3 | 220-4605092 | Проушина | |
| 4 | 16.ОТ | Шайба | |
| 5 | М16-6H.04.019 | Гайка | |
| 6 | 220-4605094 | Болт | |
| 7 | 220-4605096 | Шайба | |
| 8 | А61.06.001-01 | Шарнир | |
| 8 | 70-4605411 | Шарнир | |
| 9 | 220-4606091 | Тяга | |
| 10 | 50-4605051 | Шарнир | |
| 11 | М20х1,5-6Н.6.019 | Гайка | |
| 12 | 4х36.019 | Шплинт | |
| 13 | 082-4605016 | Втулка | |
| 15 | 220-4605060 | Вилка | |
| 16 | М8-6gх16.88.35.019 | Болт | |
| 17 | 8Т | Шайба | |
| 18 | Ш33-016 | Пружина | |
| 19 | М6-6gх14.88.35.019 | Болт ГОСТ 7798-70 | |
| 20 | 70-4202431 | Штифт | |
| 21 | 220-4605130 | Кронштейн | |
| 22 | 220-4605026 | Ось | |
| 23 | 220-4605017 | Рычаг | |
| 24 | 220-4605140 | Рукоятка | |
| 25 | М10-6gх18.88.35.019 | Болт | |
| 26 | 10.ОТ | Шайба | |
| 27 | 082-4605019 | Шайба | |
| 28 | 36-1310139 | Шарик | |
| 29 | 320-4605152 | Пружина | |
| 30 | С8.01.019 | Шайба | |
| 31 | 3,2х18.019 | Шплинт | |
| 32 | 082-4605018 | Втулка | |
| 33 | 220-4605013 | Упор | |
| 34 | С42 | Кольцо | |
| 35 | 320-4605160 | Кронштейн | |
| 36 | 320-4605153 | Палец | |
| 37 | 320-4605151 | Защелка | |
| 38 | 220-4605012 | Вал | |
| 39 | 220-4605097 | Шайба | |
| 40 | 220-4605023 | Вкладыш | |
| 41 | 2.6х35 | Штифт | |
| 42 | 220-4605021 | Серьга | |
| 43 | 220-4605024 | Болт | |
| 44 | A61.05.004 | Кольцо | |
| 45 | A61.05.005 | Чека | |
| 46 | 1.3.Ц9.хр | Масленка | |
| 47 | 220-4605011 | Рычаг | |
| 48 | 082-4605122 | Палец | |
| 49 | 082-4605017 | Втулка | |
| 50 | М16-6Н.6.019 | Гайка | |
| 51 | 320-4605050-01 | Винт | |
| 52 | 320-4605070 | Труба | |
| 53 | 320-4605044 | Контргайка | |
| 54 | 320-4605050 | Винт с отверстием в шарнире d.19,3мм | |
| 54 | 320-4605050-02 | Винт с отверстием в шарнире d.22,5мм | |
| 55 | A61.03.002 | Кольцо | |
| 56 | 220-4605014 | Ось | |
| 57 | А61.03.001-02 | Палец | |
| 57 | 220-4605041 | Палец d.19 | |
| 58 | A61.05.100 | Чека с цепочкой | |
| 59 | М16-6Н.6.019 | Гайка | |
| 60 | 16.ОТ | Шайба | |
| 61 | 220-4605011-01 | Рычаг | |
| 62 | 220-4606049 | Втулка | |
| 63 | 63х40х120 | Гидроцилиндр | |
| 64 | 220-4605022 | Вал | |
| 65 | 082-4605080 | Вилка | |
| 66 | А61.01.014 | Рукоятка | |
| 67 | А61.01.016-Б | Ось | |
| 68 | 220-4606036 | Палец | |
| 69 | 220-4605030 | Кронштейн | |
| 70 | 220-4605103 | Серьга | |
| 71 | 220-4605101 | Винт | |
| 72 | 220-4605102 | Стяжка | |
| 73 | М14-6Н.04.019 | Гайка | |
| 74 | 220-4605101-01 | Винт | |
| 75 | 2М10-6gх45.88.35.019 | Болт | |
| 76 | М10-6Н.6.019 | Гайка | |
| 77 | 2х20.019 | Шплинт |
Содержащиеся в справочниках-каталогах запасные части и детали не предлагаются к продаже, а носят исключительно информационный характер