Вернуться на главную
Поиск
Каталоги запчастей к технике
Сельхозтехника
МТЗ
БЕЛАРУС 421
Установка панелей 320Р-6700010
Каталог запасных частей к технике: МТЗ БЕЛАРУС 421. Установка панелей 320Р-6700010
zoom-in
zoom-out
enlarge
shrink
circle-right
circle-left
file-text2
info
cart
Тип техники
Не выбрано
Легковые автомобили
Грузовые автомобили и прицепы
Автобусы
Сельхозтехника
Спецтехника
Двигатели
Мототехника
Марка
Не выбрано
AGCO
Amity
CASE IH
DongFeng
Fortschritt
Foton
Franz Kleine
Gaspardo
Great Plains
KRONE
KUHN
Lemken
Lovol
MacDon
Massey Ferguson
New Holland
TIGARBO
Vaderstad
Versatile
Wirax
Агро
Агротехмаш
Бобруйскагромаш (ОАО «УКХ «Бобруйскагромаш»)
БЭМЗ
ВгТЗ
Воронежсельмаш
ВТЗ
Гомсельмаш
ДКЗ
ЗАО "Техника-сервис"
ЗиД
КЗК
Кировец-Ландтехник
Клевер
Красная Звезда
Лидагропроммаш
Лидсельмаш
ЛТЗ
Машстройхолдинг
Минитракторы
Мордовагромаш
МТЗ
Навигатор-Новое машиностроение
Нефтекамский автозавод
ПТЗ
Ремком
РСМ
Сибсельмаш
ТеКЗ
ТКЗ
ХЗТСШ
ХТЗ
ЮМЗ
Модель
Не выбрано
1025.5 (2013)
1025/1025.2/1025.3 (2009)
1220 (2011)
1220.5 (2013)
1523.5 (2013)
1523.5 с ГМТ (2014)
2122.3/2122.4 (2015)
3022ДЦ.1 (2011)
320.4М (2019)
622 (2012)
800/900 (2003)
80Х (2012)
892 (2011)
922.3 / 922.4 (2013)
922.5 (2013)
923.4 (2014)
923.5 (2013)
92П (2010)
952.5 (2013)
БЕЛАРУС 1025.7 (2022)
БЕЛАРУС 1220.7 (2022)
БЕЛАРУС 1221.7 (2022)
БЕЛАРУС 2103 (2015)
БЕЛАРУС 320 (1998)
БЕЛАРУС 3522.5 (2013)
БЕЛАРУС 3525 (2019)
БЕЛАРУС 421 (2014)
БЕЛАРУС 451 (2023)
БЕЛАРУС 651 (2023)
БЕЛАРУС 923.7 (2022)
БЕЛАРУС 952.7 (2022)
Беларус-08Н (09Н) (2015)
Беларус-422.1 (2018)
КБ-00.000 (САЗ) (2015)
КМ-2 (САЗ) (2015)
МТЗ-082
МТЗ-100
МТЗ-1005 (2008)
МТЗ-1021.3 (2010)
МТЗ-1025.4 (2009)
МТЗ-112Н, 132Н (2010)
МТЗ-1221 (1997)
МТЗ-1221 (2009) (2009)
МТЗ-1221.4 (2009)
МТЗ-1221.4 (2009)
МТЗ-1221.5 (2013)
МТЗ-1222/1523 (2009)
МТЗ-1522 (2008)
МТЗ-1523
МТЗ-1523 (2013)
МТЗ-1523 (2008) (2008)
МТЗ-1523.4 (2010)
МТЗ-1523.6 (2018)
МТЗ-2022 (2010)
МТЗ-2103 (2010)
МТЗ-2522 (2010)
МТЗ-310, 320, 321 (2011)
МТЗ-3522 (2011)
МТЗ-510/512, 520/522 (2010)
МТЗ-570 (2010)
МТЗ-80 (1998)
МТЗ-80 (2002) (2002)
МТЗ-80 (2009) (2009)
МТЗ-80.1 (2015)
МТЗ-821/921 (2009)
МТЗ-822 (2008)
МТЗ-826 (2010)
МТЗ-90/92 (2008)
МТЗ-900
МТЗ-900/920/950/952 (2009)
МТЗ-920.4/952.4 (2009)
МТЗ-922 (2008)
МТЗ-923 (2008)
ФР-00.010 (САЗ) (2015)
ФР-00700-Б (САЗ) (2015)
Схема
>
Не выбрано
Трансмиссия 421-0002010-05, 421-0002010-04
Трансмиссия 421-0002010-05, 421-0002010-04
Установка двигателя 422-1001001-02
Бак топливный 320Р-1101000, 320Р-1101000-01
Управление подачей топлива 321-1108000
Установка воздухоочистителя 422-1109125
Глушитель 320-1205010
Глушитель 320-1205010-03
Блок охлаждения 422-1301009
Ограждение вентилятора 422-1309200-А
Установка сцепления 422.1-1005009. Отводка 420-1601180.
Управление сцеплением 215-1602010
Коробка передач 320-1700010-07, 320-1700010-08
Вал первичный 220-1701040. Вал I промежуточный 220-1701070.
Вал промежуточный II 220-1701180. Вал выходной 220-1701190.
Вал привода ВОМ 320-1701230, 220-1701130
Механизм управления коробкой передач 220-1702060, 220-1702100, 220-1702340
Привод карданный для тракторов «Беларус-421» 320Р-2302010-А, 320-2302020-01
Передний ведущий мост для тракторов «Беларус-421» 622-2300010-01
Муфта обгонная для тракторов «Беларус-421» 622-2302050
Дифференциал для тракторов «Беларус-421» 622-2303030
Редуктор конечной передачи переднего ведущего для тракторов «Беларус-421» 622-2308030-02, 622-2308030-03
Управление переднего ведущего моста для тракторов «Беларус-421» 421-2302130
Корпус заднего моста 422-2401010-03
Корпус заднего моста 422-2401010-03
Стакан 422-2402020
Дифференциал 422-2403010
Конечная передача 422-2407010
Управление блокировкой дифференциала 220-2411010-01. Корпус тормоза 320-3502020-01.
Полурама в сборе 322-2800125-01, 322-2800125-02
Буксир передний 80-2806010-01
Ось передняя для тракторов «Беларус-410» 310-3000010, 310-3000030
Тяга рулевая 80-3003010-04, 80-3003010-А-04, 80-3003010-05, 80-3003010-А-05
Колеса передние направляющие для тракторов «Беларус – 410» 310-3101010
Колеса передние ведущие для тракторов «Беларус – 420» 921-3101015
Колеса передние ведущие для тракторов «Беларус – 420» 320Р-3101010 По заказу (рисовое)
Колеса задние ведущие 822-3101010-01
Колеса задние ведущие 320Р-3107020 По заказу (рисовое)
Привод рулевого механизма 320-3401010
Управление рулевое гидрообъемное для тракторов «Беларус-421» 325-3400010-04
Управление рулевое гидрообъемное для тракторов «Беларус-421» 325-3400010-04
Управление рулевое гидрообъемное для тракторов «Беларус-421» 325-3400010-04
Управление рулевое гидрообъемное для тракторов «Беларус-410» 310-3400010-02
Управление рулевое гидрообъемное для тракторов «Беларус-410» 310-3400010-02
Управление тормозами 220-3502030
Тормоз стояночно-запасной 321-3507020-01. Управление стояночно-запасным тормозом 421-3507050.
Тормоз стояночно-запасной. Управление стояночно-запасным тормозом 320Р-3503010.
Электрооборудование двигателя 422.1-3700030
Электрооборудование 320Р-3700050
Электрооборудование 320Р-3700050
Электрооборудование 320Р-3700050
Установка фар дорожных 422.1-3700020
Установка аккумуляторных батарей 321-3700080-Б
Реле, приборы 320-3805010-03
Реле, приборы 320-3805010-Б-03
Реле, приборы 320-3805010-Б-03
Инструмент оператора
Аптечка 70-3912150
Вал отбора мощности задний 320-4202020
Управление задним валом отбора мощности 220-4216090
Вал отбора мощности передний 220-4209015 По заказу
Балласт 210-4235010
Механизм задней навески 421-4605010/-01/-02
Механизм передней навески (по заказу) 220-4606020-А/-01/-02
Гидроагрегаты и арматура 320Р-4600010-01
Гидроагрегаты и арматура 320Р-4600010-01
Бак масляный 321-4608110-04
Гидроцилиндр Ц63х120.010
Управление приводом насоса 320-4604010-01
Привод насоса
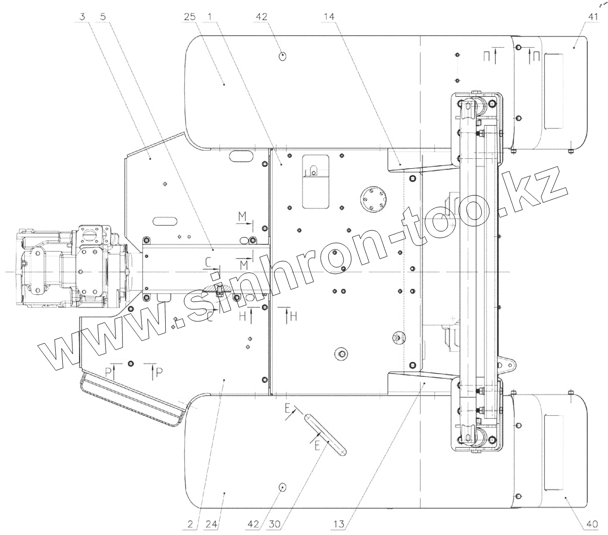
Установка панелей 320Р-6700010
Установка панелей 320Р-6700010
Установка панелей 320Р-6700010
Установка панелей 320Р-6700010
Установка юбочных панелей 421-6700020
Установка верхнего пояса 421-6707005
Сиденье оператора 311-6800000-02
Зеркало наружное 321-8201010-А
Облицовка 421-8400005
Крылья передних колес (для тракторов «Беларус-421»)
Крылья передних колес 320-8403020-03, 320-8403020-04, 320-8403020-05, 320-8403020-06
1
2
3
5
13
14
24
25
30
40
41
42
42
Позиция на иллюстрации
Заводской номер детали
Название детали
320Р-6700010
320Р-6700010
Установка панелей
1
320Р-6702020
Панель
2
320Р-6702030
Пол левый
3
320Р-6702040
Пол правый
5
320Р-6702070
Кожух
6
320Р-6702080
Кронштейн
7
320Р-6702090
Кронштейн
13
320Р-6709020-Б
Стойка
14
320Р-6709020-Б-01
Стойка
15
320Р-6709030
Кронштейн
16
320Р-6709030-01
Кронштейн
17
421-6709040
Дуга
18
320Р-6709050
Перемычка
19
320Р-6709060
Балка
24
320Р-8404010
Крыло заднее
25
320Р-8404010-01
Крыло заднее
30
921.3-8402250-А
Поручень
31
320-8405005
Подножка
38
320Р-6700021
Панель
40
600-8404003
Закрылок
41
600-8404003-01
Закрылок
42
500А-8507096
Заглушка
43
А30.04.017
Колпачок
48
М12-6gх70.88.35.019
Болт
49
М16-6gх100.88.35.019
Болт
52
М8-6gх20.88.35.019
Болт
58
М10-6gх25.88.35.019
Болт
60
М12-6gх25.88.35.019
Болт ГОСТ 7796-70
62
М12-6gх35.88.35.019
Болт
63
М12-6gх40.88.35.019
Болт ГОСТ 7796-70
64
М16-6gх40.88.35.019
Болт
65
М6-6gх20.88.35.019
Болт
67
М8-6Н.6.019
Гайка
69
М12-6Н.6.019
Гайка
71
М16-6Н.6.019
Гайка
74
С.6.01.019
Шайба
79
С.8.01.019
Шайба
81
С.12.01.019
Шайба
88
6 Т
Шайба
89
8Т
Шайба
90
10 ОТ
Шайба
91
12 ОТ
Шайба ОСТ 37.001.115-75
93
16 ОТ
Шайба
Содержащиеся в справочниках-каталогах запасные части и детали не предлагаются к продаже, а носят исключительно информационный характер
Дополнительная информация
×
Название:
Номер:
Примечание: