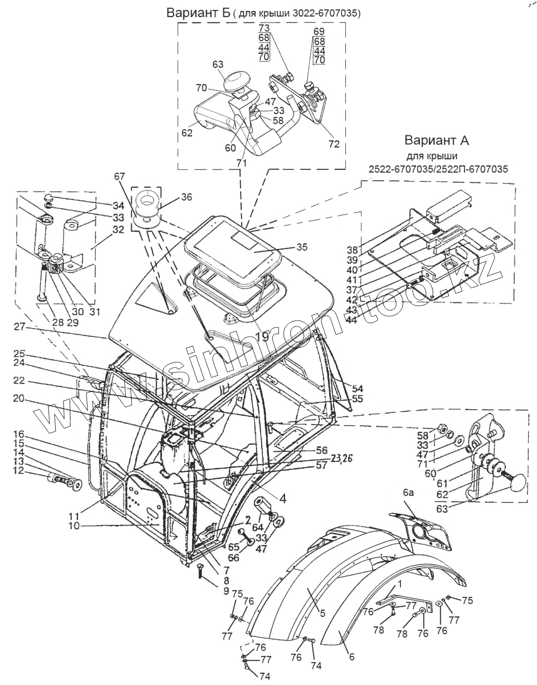
Каталог запасных частей к технике: МТЗ БЕЛАРУС 3525. Кабина. Крылья задние 2522-6700010
1
2
4
5
5
6
6
6а
6а
7
8
8
9
10
10
10
11
12
13
14
15
16
20
22
22
23
24
25
25
26
27
27
27
28
29
30
31
32
33
33
33
33
34
35
35
35
36
37
38
39
40
41
42
43
44
44
44
47
47
47
54
55
56
56
57
58
58
60
60
61
62
62
62
62
62
62
63
63
64
65
66
67
68
68
69
70
70
70
71
71
72
73
73
74
74
75
75
76
76
76
76
76
76
77
77
77
77
78
78
| Позиция на иллюстрации | Заводской номер детали | Название детали | |
|---|---|---|---|
| 2522-6700010 | 2522-6700010 | Кабина в сборе | |
| 1 | 3522-8404051 | Кронштейн | |
| 2 | 2522-6702333-А | Коврик | |
| 3 | 2522-6700015 | Каркас | |
| 4 | 2522-6702330 | Накладка | |
| 5 | 3522-8404015 | Крыло | |
| 5 | 3522-8404015-01 | Крыло | |
| 6 | 3522-8404011 | Уширитель | |
| 6 | 3522-8404011-01 | Уширитель | |
| 6а | 3522-8404017 | Накладка | |
| 6а | 3522-8404017-01 | Накладка | |
| 7 | 3522-6703115-01 | Поручень | |
| 8 | 2522-6702001 | Прижим левый | |
| 8 | 2522-6702001-01 | Прижим | |
| 9 | Винт ВМ6-6gx16.58.019 | Винт | |
| 10 | 2522-6703031-Б | Прокладка | |
| 10 | 2522-6703032-Б | Прокладка | |
| 10 | 2522-6703033-Б | Прокладка | |
| 11 | 2522-6702001-01 | Прижим | |
| 12 | Винт ВМ10-6gx35.88 | Винт | |
| 13 | Шайба С10.01.019 | Шайба | |
| 14 | Шайба 10 ОТ | Шайба | |
| 15 | 3522-6703115 | Поручень | |
| 16 | 2522-6702466 | Прижим | |
| 20 | 2522-6702319-А | Коврик | |
| 22 | Л2522-6701070-Б | Накладка | |
| 22 | 2522П-6701070 | Накладка | |
| 23 | 2522-6702478 | Прокладка | |
| 24 | 2522-8201200 | Кронштейн | |
| 25 | 2523-6701076-Б | Накладка | |
| 25 | 2523А-6701076-Б | Накладка | |
| 26 | 2522-6702479 | Пластина | |
| 27 | 2522-6707035 | Крыша | |
| 27 | 2522П-6707035 | Крыша | |
| 27 | 3022-6707035 | Крыша | |
| 28 | 2522-8201219 | Винт | |
| 29 | 2522-8201205 | Кронштейн | |
| 30 | 2522-8201204 | Валик | |
| 31 | 2522-8201211 | Фиксатор | |
| 32 | 2522-8201210 | Кронштейн | |
| 33 | Шайба 8Т | Шайба 8Т | |
| 34 | 2522-6708029 | Гайка | |
| 35 | 2522-6707040 | Люк | |
| 35 | 2522П-6707040 | Люк | |
| 35 | 3022-6707040 | Люк | |
| 36 | 2522-6707033 | Рым-болт | |
| 37 | 822-6707051-Б | Кронштейн | |
| 38 | 822-6707064 | Панель | |
| 39 | 822-6707066 | Крышка | |
| 40 | 55-17-27 | Пружина | |
| 41 | 822-6707061 | Зацеп | |
| 42 | 822-6707067 | Кронштейн | |
| 43 | Винт В.М6-6gx10.58.019 | Винт | |
| 44 | Шайба С6.01.019 | Шайба С6.01.019 | |
| 47 | Шайба С8.01.019 | Шайба С 8.01.019 | |
| 54 | 21054 | Пневмоподъемник | |
| 55 | Л2522-6702320-01 | Накладка | |
| 56 | Л2522-6702335-01 | Панель | |
| 56 | 2522П-6702335-01 | Панель | |
| 57 | 2522-6700300-А | Облицовка | |
| 58 | Гайка М8-6Н.6.019 | Гайка М8-6Н.6.019 | |
| 60 | 822-6708152 | Кронштейн | |
| 61 | 80-6708904-Б | Прокладка | |
| 62 | 2522-6708160 | Рукоятка левая | |
| 62 | 2522-6708160-01 | Рукоятка правая | |
| 63 | 2522-6708165 | Винт | |
| 64 | 2522-6708032 | Втулка | |
| 65 | Винт ВМ6-6gx20.58.019 | Винт | |
| 66 | 2522-6700018 | Шайба | |
| 67 | 2522-6707081 | Шайба | |
| 68 | Шайба 6Т | Шайба 6Т | |
| 69 | Болт М6-6gх30.88.35.019 | Болт | |
| 70 | 923-6707086 | Прокладка | |
| 71 | Шайба 5.65Г.07.6 | Шайба | |
| 72 | 3022-6707055 | Кронштейн | |
| 73 | Болт М6-6gх20.88.35.019 | Болт | |
| 74 | Болт М8-6gх35.88.35.019 | Болт | |
| 75 | Гайка М8-6Н.6.019 | Гайка М8-6Н.6.019 | |
| 76 | Шайба С 8.01.019 | Шайба | |
| 77 | Шайба 8Т | Шайба 8Т | |
| 78 | Болт М8-6gх40.88.35.019 | Болт |
Содержащиеся в справочниках-каталогах запасные части и детали не предлагаются к продаже, а носят исключительно информационный характер