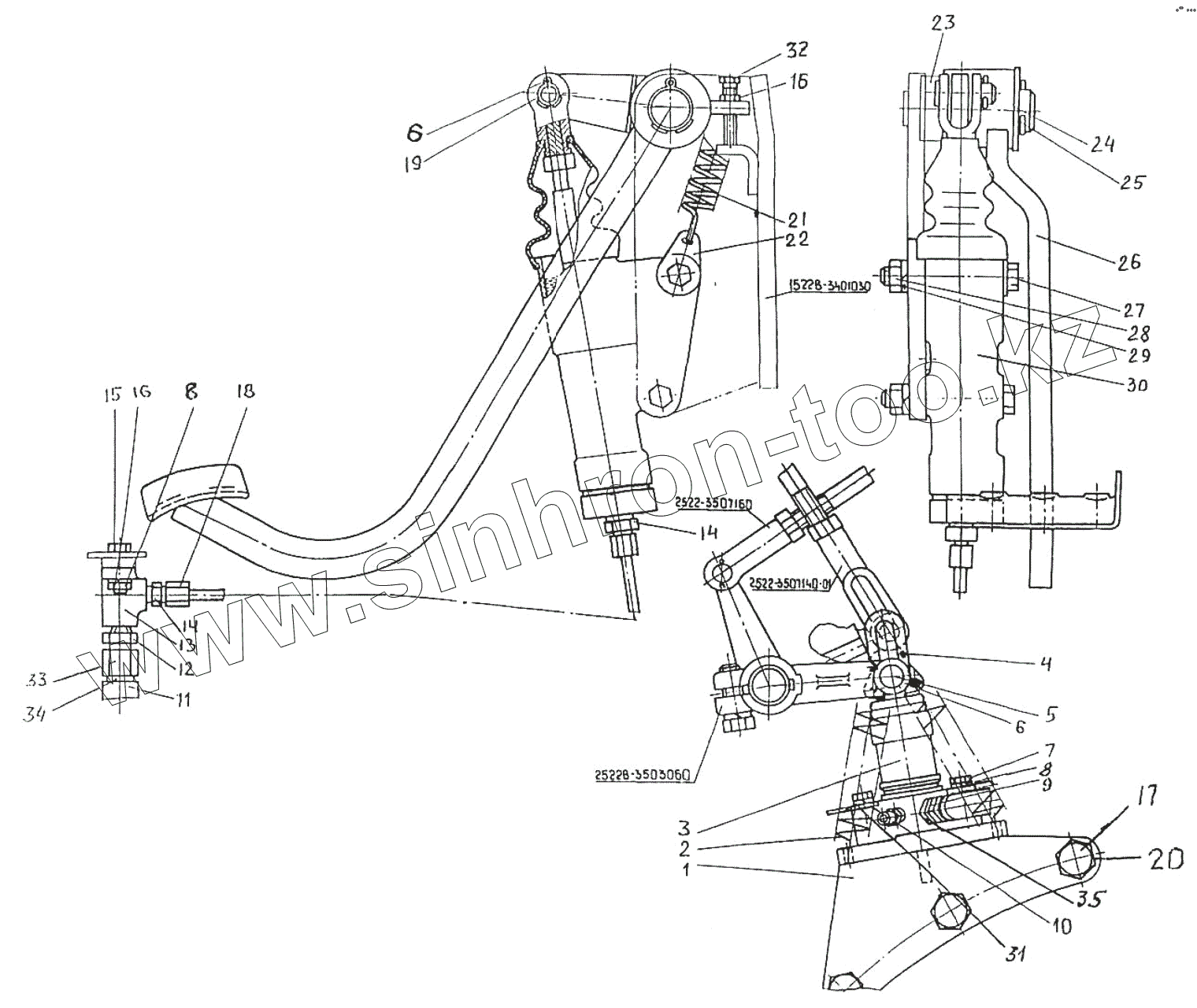
Каталог запасных частей к технике: МТЗ БЕЛАРУС 3522.5. Управление тормозами на реверсе
1
2
3
4
5
6
6
7
8
8
9
10
11
12
13
14
14
15
16
16
17
18
19
20
21
22
23
24
25
26
27
28
29
30
31
32
33
34
35
| Позиция на иллюстрации | Заводской номер детали | Название детали | |
|---|---|---|---|
| 2522В-3503800 | 2522В-3503800 | Управление тормозами на реверсе | |
| 1 | 2522В-3503040 | Кронштейн | |
| 2 | 70-4803019 | Пружина | |
| 3 | Цилиндр рабочий | Цилиндр рабочий | |
| 4 | 2522B-3503551 | Шток | |
| 5 | Палец 12х40 | Палец | |
| 6 | Шплинт 3,2х18.019 | Шплинт | |
| 7 | Болт M8-6gx45.88.35.019 | Болт | |
| 8 | Шайба 8Т | Шайба 8Т | |
| 9 | 2522В-3503552 | Штуцер | |
| 10 | 923-1602116 | Ушко | |
| 11 | 923-3503200 | Рукав | |
| 12 | 822-3503155 | Штуцер | |
| 13 | 80В-1602106-Б | Угольник | |
| 14 | 822-3503701 | Штуцер | |
| 15 | Болт M8-6gx25.88.35.019 | Болт | |
| 16 | Гайка М8-6Н.6.019 | Гайка М8-6Н.6.019 | |
| 17 | 2522-2401111-01 | Болт | |
| 18 | 2522В-3503830 | Трубопровод | |
| 19 | Палец 12х32 | Палец 12х32 | |
| 20 | Шайба 18 | Шайба | |
| 21 | 70-4616033 | Пружина | |
| 22 | 80-1602116 | Ушко | |
| 23 | 80У-1602143 | Втулка | |
| 24 | 50-3503071 | Шайба | |
| 25 | Шплинт 5х36.019 | Шплинт 5х36.019 | |
| 26 | 1522В-3503820 | Педаль | |
| 27 | Болт M10-6gx70.88.35.019 | Болт | |
| 28 | Гайка М10-6Н.6.019 | Гайка М10-6Н.6.019 | |
| 29 | Шайба 10 | Шайба 10 | |
| 30 | 1221 В-1602610 | Цилиндр главный | |
| 31 | Шайба С 8.01.019 | Шайба | |
| 32 | Болт M8-6gx35.88.35.019 | Болт | |
| 33 | Д80-4607212 | Гайка | |
| 34 | 923-3503221 | Ниппель | |
| 35 | 85-1702051 | Шайба |
Содержащиеся в справочниках-каталогах запасные части и детали не предлагаются к продаже, а носят исключительно информационный характер