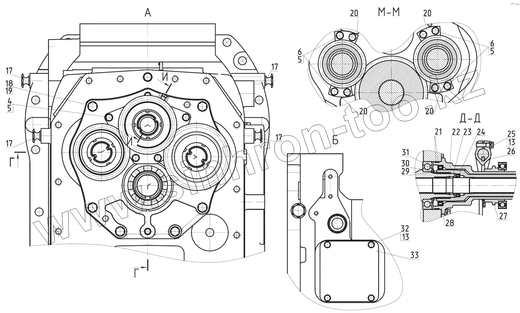
Каталог запасных частей к технике: МТЗ БЕЛАРУС 3522.5. Корпус сцепления
4
5
5
5
6
6
13
13
17
17
17
17
18
19
20
20
20
20
21
22
23
24
25
26
27
28
29
30
31
31
31
32
33
| Позиция на иллюстрации | Заводской номер детали | Название детали | |
|---|---|---|---|
| 3522-1600010-Б | 3522-1600010-Б | Корпус сцепления | |
| 1 | 2522-1601203 | Вилка | |
| 2 | 3522-1601015-Б1 | Корпус сцепления | |
| 3 | 2522-1601215-Б | Вал | |
| 4 | Болт М12-6дх35.88.35.019 | Болт | |
| 5 | Шайба 12ОТ | Шайба | |
| 6 | Болт М12-6дх30.88.35.019 | Болт | |
| 7 | Болт М8-6дх25.88.35.019 | Болт | |
| 8 | Шайба 8Т | Шайба 8Т | |
| 9 | 86-1802088 | Угольник | |
| 10 | 3522-1701161 | Вал | |
| 11 | ХЧМ-1701163 | Кольцо | |
| 12 | Болт М10-6дх25.88.35.019 | Болт | |
| 13 | Шайба 10 | Шайба 10 | |
| 14 | 80-1716016 | Прокладка | |
| 15 | 70-2409037 | Штуцер | |
| 16 | 2522-1802020 | Муфта привода ПВМ | |
| 17 | 50-1002318-Б | Рым | |
| 18 | Болт М16-6дх55.88.35.019 | Болт | |
| 19 | Шайба 16 | Шайба | |
| 20 | 3522-1701146 | Планка | |
| 21 | Кольцо 125-130-36-2-2 | Кольцо | |
| 22 | 3522-1601172 | Кронштейн | |
| 23 | 3522-1601113 | Вал | |
| 24 | BAUM4SLX7 | Манжета | |
| 25 | Болт М10-6дх40.88.35.019 | Болт | |
| 26 | Шпонка 8х11 | Шпонка | |
| 27 | 3522-1601180 | Отводка | |
| 28 | Манжета CR 85x110x12 | Манжета | |
| 29 | Кольцо 2С70 | Кольцо | |
| 30 | 2823-1701028 | Шайба | |
| 31 | SKF 6215 | Подшипник | |
| 31 | SNR 6215 | Подшипник | |
| 31 | 215А | Подшипник | |
| 32 | Болт М10-6дх20.88.35.019 | Болт | |
| 33 | 3522-1604341 | Крышка | |
| 34 | 80-1701186 | Шайба | |
| 35 | NUP 311 | Подшипник | |
| 36 | 2025-1701043 | Шайба | |
| 37 | 3022-1701038 | Шестерня | |
| 38 | 3022-1701029 | Втулка | |
| 39 | 664714Е | Подшипник | |
| 40 | 3022-1701058 | Втулка | |
| 41 | 3522-1701070 | Фрикцион | |
| 42 | 3022-1701039 | Шестерня | |
| 43 | 3022-1701056 | Втулка | |
| 44 | 664916Е | Подшипник | |
| 45 | 3022-1701059 | Шайба | |
| 46 | 3522-1701080 | Фрикцион | |
| 47 | 2822-1701057 | Втулка | |
| 48 | 2822-1701037 | Шестерня | |
| 49 | 3522-1701055-Б | Плита | |
| 50 | SKF 21312E | Подшипник | |
| 51 | 3522-1701051 | Шестерня | |
| 52 | 2822-1701123 | Втулка | |
| 53 | 3522-1701036 | Вал | |
| 54 | 3522-1701047 | Гайка | |
| 55 | 74-1701026 | Шайба | |
| 56 | 3522-1701090-Б | Вал первичный | |
| 57 | 3522-1701052 | Шестерня | |
| 58 | Кольцо 2С60 | Кольцо | |
| 59 | 3522-1701023-Б | Втулка | |
| 60 | 3522-1701024-Б | Втулка | |
| 61 | Кольцо 2С102 | Кольцо | |
| 62 | 692312КМ | Подшипник | |
| 63 | 80-1701206 | Кольцо | |
| 64 | 2822-1701042 | Шестерня | |
| 65 | 80М-2407039 | Штифт | |
| 66 | 3522-1701041-Б | Вал | |
| 67 | 2822-1701043 | Шестерня | |
| 68 | 1520-1701051 | Шайба | |
| 69 | 2823-1701049 | Гайка | |
| 70 | 2822-1601065 | Крышка | |
| 71 | 2823-1601066 | Прокладка | |
| 72 | 80-1701047 | Гайка | |
| 73 | 2522-1802083 | Кольцо уплотнительное | |
| 74 | 2823-1601060 | Стакан | |
| 75 | 2823-1601073 | Крышка | |
| 76 | 80-1701063 | Пробка | |
| 77 | Кольцо 061-065-25-2-2 | Кольцо | |
| 78 | 2823-1601070 | Стакан | |
| 79 | 2823-1601076 | Прокладка | |
| 80 | 80-4608021 | Заглушка | |
| 81 | Кольцо 027-032-30-1-4 | Кольцо | |
| 82 | 80-1716010 | Фильтр в сборе | |
| 83 | 2522-1601220 | Стакан |
Содержащиеся в справочниках-каталогах запасные части и детали не предлагаются к продаже, а носят исключительно информационный характер