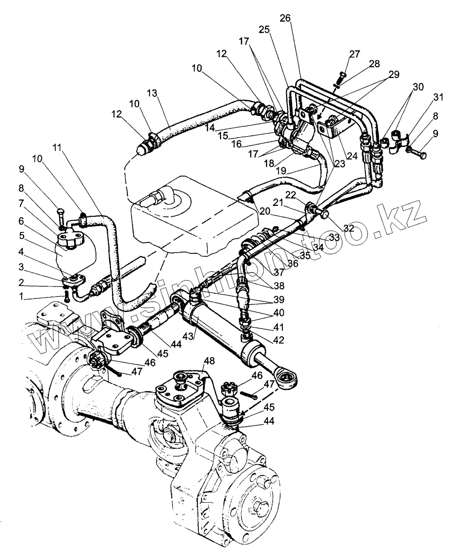
Каталог запасных частей к технике: МТЗ БЕЛАРУС 320. Управление рулевое гидрообъемное;Hydrostatic Steering Unit
1
2
3
4
5
6
7
8
8
9
9
10
10
10
11
12
12
13
14
15
16
17
17
18
18
18
18
19
20
21
22
23
24
25
26
27
28
29
30
31
32
33
34
35
36
37
38
39
40
41
42
43
43
44
44
45
45
46
46
47
47
48
| Позиция на иллюстрации | Заводской номер детали | Название детали | |
|---|---|---|---|
| 1 | М6х25 | Винт | |
| 2 | SHP6 | Шайба | |
| 3 | 320-3407010-А | Маслопровод нагнетательный | |
| 4 | 013-017-25-1-4 | Кольцо | |
| 5 | T10R | Насос | |
| 6 | 021-025-25-1-4 | Кольцо | |
| 7 | 320-3407045-В | Маслопровод всасывающий | |
| 8 | SHP8 | Шайба | |
| 9 | М8х35 | Болт | |
| 10 | TORRO-16-25/9-CGW | Хомут | |
| 11 | 320-3407001 | Шланг | |
| 12 | 225-3407020 | Патрубок сливной | |
| 13 | 320-3407002 | Шланг | |
| 14 | F80-3407134 | Штуцер | |
| 15 | 85-3407105 | Болт | |
| 16 | 220G-3408100-01 | Угольник поворотный | |
| 17 | F80-3407157 | Шайба | |
| 18 | OSPC 160 ON 150-1149 | Насос-дозатор | |
| 18 | 1AGC 50-1509-2 | Насос-дозатор | |
| 19 | 952-3407100-10 | Рукав высокого давления | |
| 20 | 909070 | Хомут пластмассовый | |
| 21 | 70-4802043 | Кляммер | |
| 22 | SHCH 12 | Шайба | |
| 23 | SHP12 | Шайба | |
| 24 | 225-3407004 | Кронштейн | |
| 25 | 225-3407030-01 | Маслопровод цилиндра | |
| 26 | 225-3407030 | Маслопровод цилиндра | |
| 27 | М10х30 | Болт | |
| 28 | SHP 10 | Шайба | |
| 29 | М12 | Гайка | |
| 30 | 70-3506027 | Втулка | |
| 31 | 70-3407146 | Планка | |
| 32 | М12х20 | Болт | |
| 33 | 1.1.C6.hr | Масленка | |
| 34 | M20x1,5 | Гайка | |
| 35 | F80-3405103 | Шайба стопорная | |
| 36 | 85-3401176-01 | Шайба | |
| 37 | 210-3000023 | Втулка | |
| 38 | 952-3407100 | Рукав высокого давления | |
| 39 | 320-4607171 | Угольник ввертной | |
| 40 | 082-4607124 | Гайка | |
| 41 | 082-4607118 | Шайба | |
| 42 | 011-015-25-2-4 | Кольцо | |
| 43 | С40х160.010 | Гидроцилиндр | |
| 43 | С40х160-11-В | Гидроцилиндр | |
| 44 | 220-3000021-В | Палец | |
| 45 | 320-3407004 | Втулка | |
| 46 | 70-3003032 | Гайка | |
| 47 | 4x36 | Шплинт | |
| 48 | 220-2301036-В | Рычаг |
Содержащиеся в справочниках-каталогах запасные части и детали не предлагаются к продаже, а носят исключительно информационный характер