Вернуться на главную
Поиск
Каталоги запчастей к технике
Сельхозтехника
МТЗ
БЕЛАРУС 320
Управление блокировкой дифференциала;Difflock Control
Каталог запасных частей к технике: МТЗ БЕЛАРУС 320. Управление блокировкой дифференциала;Difflock Control
zoom-in
zoom-out
enlarge
shrink
circle-right
circle-left
file-text2
info
cart
Тип техники
Не выбрано
Легковые автомобили
Грузовые автомобили и прицепы
Автобусы
Сельхозтехника
Спецтехника
Двигатели
Мототехника
Марка
Не выбрано
AGCO
Amity
CASE IH
DongFeng
Fortschritt
Foton
Franz Kleine
Gaspardo
Great Plains
KRONE
KUHN
Lemken
Lovol
MacDon
Massey Ferguson
New Holland
TIGARBO
Vaderstad
Versatile
Wirax
Агро
Агротехмаш
Бобруйскагромаш (ОАО «УКХ «Бобруйскагромаш»)
БЭМЗ
ВгТЗ
Воронежсельмаш
ВТЗ
Гомсельмаш
ДКЗ
ЗАО "Техника-сервис"
ЗиД
КЗК
Кировец-Ландтехник
Клевер
Красная Звезда
Лидагропроммаш
Лидсельмаш
ЛТЗ
Машстройхолдинг
Минитракторы
Мордовагромаш
МТЗ
Навигатор-Новое машиностроение
Нефтекамский автозавод
ПТЗ
Ремком
РСМ
Сибсельмаш
ТеКЗ
ТКЗ
ХЗТСШ
ХТЗ
ЮМЗ
Модель
Не выбрано
1025.5 (2013)
1025/1025.2/1025.3 (2009)
1220 (2011)
1220.5 (2013)
1523.5 (2013)
1523.5 с ГМТ (2014)
2122.3/2122.4 (2015)
3022ДЦ.1 (2011)
320.4М (2019)
622 (2012)
800/900 (2003)
80Х (2012)
892 (2011)
922.3 / 922.4 (2013)
922.5 (2013)
923.4 (2014)
923.5 (2013)
92П (2010)
952.5 (2013)
БЕЛАРУС 1025.7 (2022)
БЕЛАРУС 1220.7 (2022)
БЕЛАРУС 1221.7 (2022)
БЕЛАРУС 2103 (2015)
БЕЛАРУС 320 (1998)
БЕЛАРУС 3522.5 (2013)
БЕЛАРУС 3525 (2019)
БЕЛАРУС 421 (2014)
БЕЛАРУС 451 (2023)
БЕЛАРУС 651 (2023)
БЕЛАРУС 923.7 (2022)
БЕЛАРУС 952.7 (2022)
Беларус-08Н (09Н) (2015)
Беларус-422.1 (2018)
КБ-00.000 (САЗ) (2015)
КМ-2 (САЗ) (2015)
МТЗ-082
МТЗ-100
МТЗ-1005 (2008)
МТЗ-1021.3 (2010)
МТЗ-1025.4 (2009)
МТЗ-112Н, 132Н (2010)
МТЗ-1221 (1997)
МТЗ-1221 (2009) (2009)
МТЗ-1221.4 (2009)
МТЗ-1221.4 (2009)
МТЗ-1221.5 (2013)
МТЗ-1222/1523 (2009)
МТЗ-1522 (2008)
МТЗ-1523
МТЗ-1523 (2013)
МТЗ-1523 (2008) (2008)
МТЗ-1523.4 (2010)
МТЗ-1523.6 (2018)
МТЗ-2022 (2010)
МТЗ-2103 (2010)
МТЗ-2522 (2010)
МТЗ-310, 320, 321 (2011)
МТЗ-3522 (2011)
МТЗ-510/512, 520/522 (2010)
МТЗ-570 (2010)
МТЗ-80 (1998)
МТЗ-80 (2002) (2002)
МТЗ-80 (2009) (2009)
МТЗ-80.1 (2015)
МТЗ-821/921 (2009)
МТЗ-822 (2008)
МТЗ-826 (2010)
МТЗ-90/92 (2008)
МТЗ-900
МТЗ-900/920/950/952 (2009)
МТЗ-920.4/952.4 (2009)
МТЗ-922 (2008)
МТЗ-923 (2008)
ФР-00.010 (САЗ) (2015)
ФР-00700-Б (САЗ) (2015)
Схема
>
Не выбрано
Блок цилиндров;Cylinder Block
Головка цилиндров, клапаны;Cylinder Head, Valves
Поршни и шатуны;Pistons and Connecting Rods
Вал коленчатый и маховик;Crankshaft and Flywheel
Механизм распределительный;Timing Gear
Комплект уплотнений;Sealing Sets
Бак топливный;Fuel Tank
Управление подачей топлива;Fuel Delivery Control
Тракт воздухопроводящий;Air Intake Piping
Трубопроводы топливные и установка топливной аппаратуры;Fuel Pipelines and Fuel Equipment Installation
Регулятор частоты вращения;Speed Governor
Коллектор всасывающий и выхлопной;Intake and Exhaust Manifold
Глушитель;Silencer
Радиатор водяной. Подвеска водяного радиатора;Water Radiator. Water Radiator Suspension
Насос водяной. Термостат. Вентилятор;Water Pump. Thermostat. Fan
Картер масляный. Насос масляный;Engine Oil Sump. Oil Receiver
Сцепление;Clutch
Управление сцеплением;Clutch Control
Коробка передач;Gearbox
Вал первичный. Вал I промежуточный;Primary Shaft. Layshaft I
Вал промежуточный II. Вал выходной;Layshaft II. Output Shaft
Вал привода BOM;РТО Drive Shaft
Механизм управления коробкой передач;Gearbox Control Mechanism
Привод карданный;Cardan Drive
Передний ведущий мост. Корпус и рукава переднего ведущего моста;Front Drive Axle. Housing and Covers
Дифференциал, главная передача переднего ведущего моста;Differential, Final Drive of Front Driving Axle
Редуктор конечной передачи переднего ведущего моста;Front Axle Final Drive Reducer
Корпус заднего моста. Мост задний;Rear Axle Housing. Rear Axle
Дифференциал;Differential
Конечная передача;Final Drive
Управление блокировкой дифференциала;Difflock Control
Устройство тягово-сцепное ТСУ-1М;Drawbar TSU-1M
Устройство тягово-сцепное ТСУ-1М;Drawbar TSU-1M
Полурама в сборе;Semi-Frame Assy
Тяги рулевые;Steering Rods
Колеса передние ведущие;Front Drive Wheels
Колеса задние;Rear Wheels
Управление рулевое гидрообъемное;Hydrostatic Steering Unit
Привод рулевого механизма;Steering Gear Drive
Цилиндр Ц40х160;Cylinder С40х160
Тормоза. Управление тормозами;Brakes. Brakes Controls
Тормоз стояночно-запасной. Управление стояночно-запасным тормозом;Parking Brake. Parking Brake Control
Трубопроводы и арматура пневмопривода тормозов прицепа;Pipings and Fittings of Trailer Pneumatic Brake Control
Установка компрессора;Compressor Installation
Кран тормозной;Brake Valve
Переключатели, выключатели, электропровода;Change-Over Switches, On/Off Switches, Electric Wires
Генератор. Стартер;Alternator. Starter
Фары;Lights
Фонарь передний;Front Light
Плафон освещения кабины;Cab Dome Light
Фонарь задний;Back Light
Фонарь освещения номерного знака;Number Plate Light
Щиток приборов;Dashboard
Инструмент и принадлежности;Tools and Accessories
Аптечка;First Aid Kit
Вял отбора мощности;Power Take-Off Shaft
Управление задним валом отбора мощности;Rear РТО Control
Вал отбора мощности передний;Front Power Take-off Shaft
Балласт;Ballast Weights
Привод насоса;Pump Drive
Механизм задней навески;Rear Hitch
Гидроагрегаты и арматура;Hydraulic Units and Fittings
Бак масляный и фильтр;Oil Tank and Filter
Гидроцилиндр Ц50х120.010;Steering cylinder С50х120.010
Распределитель R80-3/l-lll-3Gg;Distributor Valve R80-3/l-lll-3Gg
Насос шестеренный NSH6-3-L;Gear pump NSH6-3-L
Кабина I;Cab I
Кабина I;Cab I
Кабина II;Cab II
Двери кабины;Cab Doors
Сиденье оператора;Operator's Seat
Сиденье оператора;Operator's Seat
Сиденье оператора;Operator's Seat
Зеркало наружное;Outer Rear-View Mirror
Козырек противосолнечный;Sun Visor
Облицовка;Facing
Крылья передних колес;Front Fenders
Подшипники;Bearing
Манжеты;Collars
Кольца резиновые;Rubber O-Rings
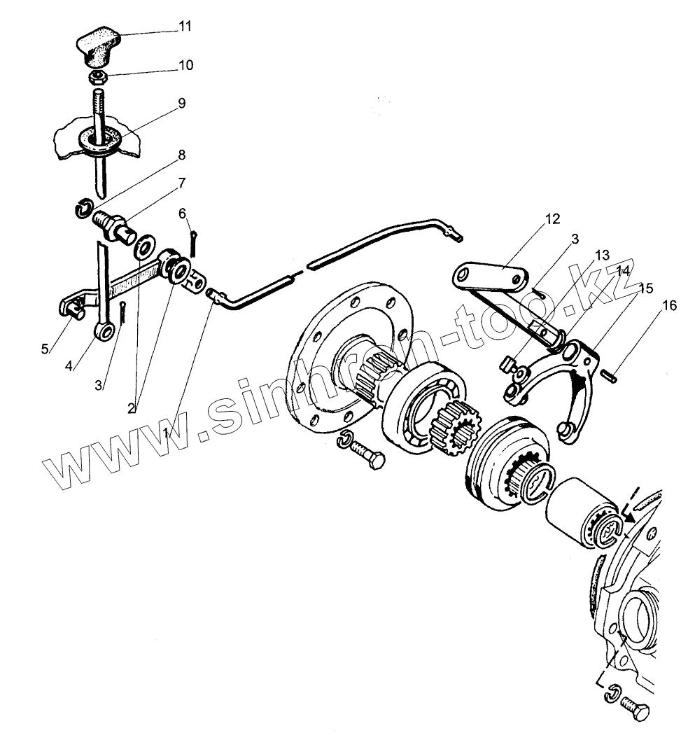
1
2
3
3
4
5
6
7
8
9
10
11
12
13
14
15
16
Позиция на иллюстрации
Заводской номер детали
Название детали
220-2411010
220-2411010
Управление блокировкой дифференциала
1
220-2411012
Тяга
2
SHCH 12
Шайба
3
3,2x18
Шплинт
4
220-2411011
Тяга
5
220-2411030
Рычаг
6
4x22
Шплинт
7
220-3503023
Ось
8
SHP 12
Шайба
9
70-3723042-02
Втулка
10
M8
Гайка
11
70-4803060
Рукоятка
12
220-2409025
Рычаг
13
05-4216013
Сухарь
14
013-017-25-1-4
Кольцо
15
220-2409020
Вилка
16
4x30
Винт
Содержащиеся в справочниках-каталогах запасные части и детали не предлагаются к продаже, а носят исключительно информационный характер
Дополнительная информация
×
Название:
Номер:
Примечание: