Вернуться на главную
Поиск
Каталоги запчастей к технике
Сельхозтехника
МТЗ
БЕЛАРУС 1220.7
Крюк прицепной К1220-2807010-А
Каталог запасных частей к технике: МТЗ БЕЛАРУС 1220.7. Крюк прицепной К1220-2807010-А
zoom-in
zoom-out
enlarge
shrink
circle-right
circle-left
file-text2
info
cart
Тип техники
Не выбрано
Легковые автомобили
Грузовые автомобили и прицепы
Автобусы
Сельхозтехника
Спецтехника
Двигатели
Мототехника
Марка
Не выбрано
AGCO
Amity
CASE IH
DongFeng
Fortschritt
Foton
Franz Kleine
Gaspardo
Great Plains
KRONE
KUHN
Lemken
Lovol
MacDon
Massey Ferguson
New Holland
TIGARBO
Vaderstad
Versatile
Wirax
Агро
Агротехмаш
Бобруйскагромаш (ОАО «УКХ «Бобруйскагромаш»)
БЭМЗ
ВгТЗ
Воронежсельмаш
ВТЗ
Гомсельмаш
ДКЗ
ЗАО "Техника-сервис"
ЗиД
КЗК
Кировец-Ландтехник
Клевер
Красная Звезда
Лидагропроммаш
Лидсельмаш
ЛТЗ
Машстройхолдинг
Минитракторы
Мордовагромаш
МТЗ
Навигатор-Новое машиностроение
Нефтекамский автозавод
ПТЗ
Ремком
РСМ
Сибсельмаш
ТеКЗ
ТКЗ
ХЗТСШ
ХТЗ
ЮМЗ
Модель
Не выбрано
1025.5 (2013)
1025/1025.2/1025.3 (2009)
1220 (2011)
1220.5 (2013)
1523.5 (2013)
1523.5 с ГМТ (2014)
2122.3/2122.4 (2015)
3022ДЦ.1 (2011)
320.4М (2019)
622 (2012)
800/900 (2003)
80Х (2012)
892 (2011)
922.3 / 922.4 (2013)
922.5 (2013)
923.4 (2014)
923.5 (2013)
92П (2010)
952.5 (2013)
БЕЛАРУС 1025.7 (2022)
БЕЛАРУС 1220.7 (2022)
БЕЛАРУС 1221.7 (2022)
БЕЛАРУС 2103 (2015)
БЕЛАРУС 320 (1998)
БЕЛАРУС 3522.5 (2013)
БЕЛАРУС 3525 (2019)
БЕЛАРУС 421 (2014)
БЕЛАРУС 451 (2023)
БЕЛАРУС 651 (2023)
БЕЛАРУС 923.7 (2022)
БЕЛАРУС 952.7 (2022)
Беларус-08Н (09Н) (2015)
Беларус-422.1 (2018)
КБ-00.000 (САЗ) (2015)
КМ-2 (САЗ) (2015)
МТЗ-082
МТЗ-100
МТЗ-1005 (2008)
МТЗ-1021.3 (2010)
МТЗ-1025.4 (2009)
МТЗ-112Н, 132Н (2010)
МТЗ-1221 (1997)
МТЗ-1221 (2009) (2009)
МТЗ-1221.4 (2009)
МТЗ-1221.4 (2009)
МТЗ-1221.5 (2013)
МТЗ-1222/1523 (2009)
МТЗ-1522 (2008)
МТЗ-1523
МТЗ-1523 (2013)
МТЗ-1523 (2008) (2008)
МТЗ-1523.4 (2010)
МТЗ-1523.6 (2018)
МТЗ-2022 (2010)
МТЗ-2103 (2010)
МТЗ-2522 (2010)
МТЗ-310, 320, 321 (2011)
МТЗ-3522 (2011)
МТЗ-510/512, 520/522 (2010)
МТЗ-570 (2010)
МТЗ-80 (1998)
МТЗ-80 (2002) (2002)
МТЗ-80 (2009) (2009)
МТЗ-80.1 (2015)
МТЗ-821/921 (2009)
МТЗ-822 (2008)
МТЗ-826 (2010)
МТЗ-90/92 (2008)
МТЗ-900
МТЗ-900/920/950/952 (2009)
МТЗ-920.4/952.4 (2009)
МТЗ-922 (2008)
МТЗ-923 (2008)
ФР-00.010 (САЗ) (2015)
ФР-00700-Б (САЗ) (2015)
Схема
>
Не выбрано
Трансмиссия 1220.7-0002000
Трансмиссия 1220.7-0002000
Установка двигателя 923.7С-1001001, 923.7С-1001001-01, 923.7С-1001001-02
Установка двигателя 923.7С-1001001, 923.7С-1001001-01, 923.7С-1001001-02
Бак топливный 920С.7-1101600
Бак топливный 920С.7-1101600
Управление подачей топлива 952.4К-1108000
Установка воздухоочистителя 923.7С-1109125
Установка бака 923.7С-1201010
Система подачи 923.7С-1204010
Установка глушителя 1220.7С-1205005, Для «Беларус -1025.7/1220.7/1221.7
Система подогрева бака 923.7С-1209010
Блок охлаждения 923.7С-1301009
Блок охлаждения 923.7С-1301009
Блок охлаждения 923.7С-1301009
Ограждение вентилятора 923.7С-1309100
Установка сцепления 1025С-1005009, 1220С-1005009
Корпус сцепления 1220.7-1600010, 1220.7-1600010-01
Корпус сцепления 1220.7-1600010, 1220.7-1600010-01
Корпус сцепления
Корпус сцепления
Корпус сцепления
Корпус сцепления
Корпус сцепления
Корпус сцепления
Корпус сцепления
Корпус сцепления
Управление сцеплением 1025.7-1602010, 1025.7-1602010-01
Коробка передач (16F+8R) 112-1700010-А-12
Вал первичный (16F+8R)
Вал вторичный (16F+8R)
Вал промежуточный (16F+8R) 1221М-1701190-Б
Вал пониженных передач (16F+8R) 75-1701320
Механизм управления коробкой передач (16F+8R) 80-1702010-02/-05
Коробка передач (24F+12R) 1222-1700010-06
Коробка передач. Вал первичный (24F+12R)
Коробка передач. Вал промежуточный (24F+12R)
Коробка передач. Вал пониженных передач и заднего хода (24F+12R)
Коробка передач. Вал блока шестерен (24F+12R)
Коробка передач. Вал вторичный (24F+12R)
Механизм управления (24F+12R) 1222-1702010-А
Механизм управления (24F+12R) 1222-1702010-А
Механизм управления (24F+12R) 1222-1702010-А
Механизм управления (24F+12R) 1222-1702010-А
Привод насосов 1222-1704010
Установка ходоуменьшителя 1025-1706000-В
Установка ходоуменьшителя 1025-1706000-В
Фильтр 80-1716010
Фильтр-распределитель 2025-1737110
Привод переднего ведущего моста
Вал карданный 1225-2303005
Передний ведущий мост 1225-2300020
Редуктор центральный
Дифференциал 1225-2303010
Редуктор колесный 1225-2308005, 1225-2308010
Задний мост. Дифференциал 1220-2401010-02, 1220-2401010-03
Задний мост. Дифференциал 1220-2401010-02, 1220-2401010-03
Конечная передача 1221-2407500-02, 1221-2407500-03
Механизм блокировки дифференциала «мокрого» типа
Тягово-сцепное устройство 1221-2707010
Тягово-сцепное устройство (варианты комплектации)
Установка бруса с ПВМ 923.7-2801125-А, 923.7-2801125-А-01
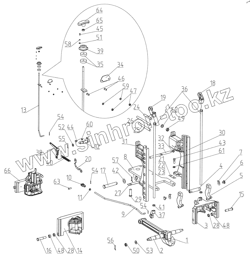
Крюк прицепной К1220-2807010-А
Тяга рулевая 923.7-3003010
Колеса передние ведущие 822-3101010
Колеса задние ведущие
Ступицы задних колес 1220-3104010
Колонка рулевая 85-3401000-А-05
Кардан 85-3401150
Управление рулевое 923.7-3400010-01
Управление рулевое 923.7-3400010-01
Управление рулевое 923.7-3400010-01
Бак 952.4К-3407100
Тормоза «мокрого» типа (левый 1221М-3502010, 1221М-3502010-02/правый 1221М-3502020, 1221М-3502020-02)
Управление тормозами рабочими «мокрого» типа 1221М-3503010
Тормоз стояночный. Управление стояночным тормозом «мокрого» типа 221М-3507010
Гидропривод 1025-3503900
Кран тормозной 1025-3503910
Пневмопривод (двухпроводный) 1220.7-3506505, 1220.7-3506505-01
Пневмопривод (двухпроводный) 1220.7-3506505, 1220.7-3506505-01
Клапан 1220.7-3509005
Клапан 1220.7-3509150
Регулятор давления
Баллон 1220.7-3513505, 1220.7-3513505-01
Кран тормозной 1220.7-3514105
Кран тормозной 85М-3514010-02
Головка соединительная 1025-3521510
Головка соединительная 1220.7-3521505
Клапан 1220.7-3531005
Установка фар дорожных 921-3700020
Установка фонарей передних 1025.7-3700025
Электрооборудование двигателя 1025.6-3700030
Электрооборудование двигателя 1025.6-3700030
Электрооборудование трансмиссии 1221.6-3700040, 1221.6-3700040-02
Электрооборудование кабины 920.6-3700050
Электрооборудование кабины 920.6-3700050
Установка фонарей задних 920.6-3700060
Установка фонарей задних 920.6-3700060
Установка батарей аккумуляторных 952.5-3700080
Электрооборудование кондиционера 1221.6Е-3700115
Электрооборудование крыши 1221.6Е-3700110
Электрооборудование крыши 1221.6Е-3700110
Управление зеркалами 1221.6-3700130
Установка сигнализатора заднего хода 1221К.4-3839005
Установка датчиков скорости 1221-3843005-01, 1221-3843005-03
Щиток приборов 926-3805010-Б
Щиток приборов 926-3805010-Б
Установка щитка приборов 926-3805005-01
Установка щитка приборов 926-3805005-01
Вал отбора мощности задний 1025-4202010-Б
Вал отбора мощности задний (шестерня коронная) 70-4202030-А
Балласт 923.7-4235010
Привод насоса 85-4604010, 80-4600010
Навесное устройство с гидроподъемником (механическое управление ЗНУ) К1220-4605510
Захват «Walterscheid» 2 категории 574934
Захват МТЗ категории 2 1000-4605300
Поперечина 1220-4605025
Поперечина 822-4605085
Навесное устройство с гидроподъемником (электронное управление ЗНУ) Э1220-4605510
Гидроагрегаты и арматура (для тракторов «Беларус-1025.7») 1200Р-4600010-01
Гидроагрегаты и арматура (для тракторов «Беларус-1025.7») 1200Р-4600010-01
Гидроагрегаты и арматура (для тракторов «Беларус-1025.7») 1200Р-4600010-01
Гидроагрегаты и арматура (для тракторов «Беларус-1220.7/1221.7») 1200Р-4600010
Гидроагрегаты и арматура (для тракторов «Беларус-1220.7/1221.7») 1200Р-4600010
Гидроагрегаты и арматура (для тракторов «Беларус-1220.7/1221.7») 1200Р-4600010
Гидроагрегаты и арматура 200Р-4600015/-01
Гидроагрегаты и арматура 200Р-4600015/-01
Гидроагрегаты и арматура (для тракторов «Беларус-1220.7/1221.7») 1200Е-4600010
Гидроагрегаты и арматура (для тракторов «Беларус-1220.7/1221.7») 1200Е-4600010
Гидроагрегаты и арматура (для тракторов «Беларус-1220.7/1221.7») 1200Е-4600010
Гидроагрегаты и арматура (для тракторов «Беларус-1025.7») 1200Е-4600010-01
Гидроагрегаты и арматура (для тракторов «Беларус-1025.7») 1200Е-4600010-01
Гидроагрегаты и арматура (для тракторов «Беларус-1025.7») 1200Е-4600010-01
Гидроагрегаты и арматура 1200Е-4600015
Гидроагрегаты и арматура 1200Е-4600015
Кронштейн 1200Р-4607570/-01
Корпус гидросистемы и фильтр 85-4608010
Муфта
Гидрораспределитель РП70
Гидрораспределитель РП70
Гидрораспределитель РП70
Управление гидрораспределителем РП 70
Цилиндр гидроподъемника 820-4625010-Б, 820Е-4625010-Б. Вариант 1
Цилиндр гидроподъемника 820Н-4625010-Б. Вариант 2
Распределитель гидроподъемника 820-4634010
Управление гидроподъемником 820-4635005
Гидроподъемник (с механическим управлением ЗНУ)
Гидроподъемник 1221Э-4635010-01
Гидросистема трансмиссии 100-4637010
Установка стеклоочистителя 1221.6-5205010
Установка стеклоочистителя 1221.6-5205010
Установка стеклоомывателя 952.7-5208010
Кабина трактора. Экстерьер. 82.1-6700010
Рамка 80-6708215
Крыша Д82-6707005, Д82-6707005-05
Интерьер кабины
Двери кабины 80-6708010-Б, 80-6708010-Б-02
Сиденье оператора 80-6800010-05, 586063
Сиденье оператора 80-6800010-05, 586063
Установка кондиционера 952.6-8100010-Б
Установка кондиционера 952.6-8100010-Б
Установка компрессора 952.6-8114010
Установка отопителя-охладителя 221.1-8101010-Б
Установка Конденсатора 1025-8112010
Зеркало заднего вида внутреннее 80-8201035
Козырек 80П-8204010
Облицовка радиатора. Капот
Облицовка радиатора. Капот
Крылья передние (при комплектации колесами 822-3101010 или 1221-3101010) 822-8403010-02/-03
Крылья передние (при комплектации колесами 1221-3101010-01) 2022-8403010/-01
Подножка трактора 952-8405005-А
Управление двигателем 1025.7-8700910-Т
Управление двигателем 1025.7-8700910-Т
Установка блока коммутации и защиты 1025.7-8700095
Подключение сиденья 1025.6-8700075
Управление узлами трансмиссии (с КП 16Fх8R) (электрическая часть), 1220.7-8702210, 1220.7-8702210-01
Управление узлами трансмиссии (с КП 24Fх12R) (электрическая часть), 1221.7-8702250, 1221.7-8702250-01
Установка выключателей ВОМ 1221-8702350
Управление задним навесным устройством. Установка выключателей ВОМ 1221-8702610
Управление задним навесным устройством. Установка выключателей ВОМ 1221-8702610
1
2
3
4
5
6
7
8
9
10
11
12
13
14
15
16
17
18
19
20
21
22
23
24
25
26
27
28
28
29
30
31
32
33
34
35
36
37
38
39
40
41
42
43
44
45
46
47
48
48
49
50
51
52
53
54
54
54
55
56
57
58
59
60
61
62
63
64
65
66
Позиция на иллюстрации
Заводской номер детали
Название детали
К1220-2807005
К1220-2807005
Крюк
К1220-2807010-А
К1220-2807010-А
Крюк прицепной
К1220-2807040
К1220-2807040
Тяга
К1220-2807015
К1220-2807015
Кронштейн
1
К1220-2807011
Крюк
2
К1220-2807016
Ось крюка
3
К1220-2807014
Кронштейн
4
К1220-2807047
Ось захватов
5
К1220-2807077
Захват
6
80-2707137
Болт
7
80-2707153
Шайба
8
К1220-2807020
Кронштейн
9
К1220-2807043
Тяга
10
50-3502203
Вилка
11
Гайка М12х1,25
Гайка М12х1,25
12
К1220-2807045
Фланец оси
13
К1220-2807080
Рукоятка
14
2422-2707110
Вилка
15
К1220-2807012-А
Палец
16
К1220-2807012-А-01
Палец
17
К1220-2807013
Палец
18
К1220-2807051
Серьга
19
К1220-2807051-01
Серьга
20
К1220-2807081
Кронштейн
21
900-2707135
Пластина
22
900-2707135-01
Пластина
23
900-2707135-02
Пластина
24
921-2707068
Шпилька
25
921-2707068-02
Шпилька
26
921-2707068-03
Шпилька
27
1222-2707137
Пластина
28
1321-2707013
Гайка
29
1321-2707014
Болт
30
1322-2707261-А
Боковина
31
1322-2707261-А-01
Боковина
32
1322-2707211
Втулка
33
1322-2707274
Стяжка
34
85-2807092
Кронштейн
35
85-2807093
Уплотнение
36
70-2807052-Б-02
Винт
37
70-2807053-Б
Гайка тяги
38
70-2807079
Рычаг
39
50-1103031-01
Корпус
40
50-1605152
Пружина
41
40-3405062
Гайка
42
36-3503018
Шайба
43
1220-4605506
Болт
44
Болт М10х16
Болт
45
Винт М4х8
Винт М4х8
46
Винт М6х16
Винт
47
Гайка М6
Гайка М6
48
Гайка М20х1,5
Гайка
49
Гайка М20
Гайка
50
Гайка М20х1,5
Гайка
51
Гайка М4
Гайка
52
Шайба С.16
Шайба
53
Шайба С.20
Шайба
54
Шплинт 3,2х18
Шплинт 3,2х18
55
Шплинт 3,2х25
Шплинт
56
Шплинт 4х36
Шплинт 4х36
57
Шплинт 6,3х36
Шплинт
58
Шайба 4
Шайба
59
Шайба 6Т
Шайба 6Т
60
Шайба 10 ОТ
Шайба
61
Шайба 16 ОТ
Шайба
62
Шайба 20 ОТ
Шайба
63
Палец 12х32
Палец 12х32
64
50-1310136-А
Рукоятка
65
Гайка М8
Гайка М8
66
арт. №03.3313.221 Scharmuller
Вилка вращающаяся автоматическая
Содержащиеся в справочниках-каталогах запасные части и детали не предлагаются к продаже, а носят исключительно информационный характер
Дополнительная информация
×
Название:
Номер:
Примечание: