Вернуться на главную
Поиск
Каталоги запчастей к технике
Сельхозтехника
МТЗ
952.5
Управление сцеплением
Каталог запасных частей к технике: МТЗ 952.5. Управление сцеплением
zoom-in
zoom-out
enlarge
shrink
circle-right
circle-left
file-text2
info
cart
Тип техники
Не выбрано
Легковые автомобили
Грузовые автомобили и прицепы
Автобусы
Сельхозтехника
Спецтехника
Двигатели
Мототехника
Марка
Не выбрано
AGCO
Amity
CASE IH
DongFeng
Fortschritt
Foton
Franz Kleine
Gaspardo
Great Plains
KRONE
KUHN
Lemken
Lovol
MacDon
Massey Ferguson
New Holland
TIGARBO
Vaderstad
Versatile
Wirax
Агро
Агротехмаш
Бобруйскагромаш (ОАО «УКХ «Бобруйскагромаш»)
БЭМЗ
ВгТЗ
Воронежсельмаш
ВТЗ
Гомсельмаш
ДКЗ
ЗАО "Техника-сервис"
ЗиД
КЗК
Кировец-Ландтехник
Клевер
Красная Звезда
Лидагропроммаш
Лидсельмаш
ЛТЗ
Машстройхолдинг
Минитракторы
Мордовагромаш
МТЗ
Навигатор-Новое машиностроение
Нефтекамский автозавод
ПТЗ
Ремком
РСМ
Сибсельмаш
ТеКЗ
ТКЗ
ХЗТСШ
ХТЗ
ЮМЗ
Модель
Не выбрано
1025.5 (2013)
1025/1025.2/1025.3 (2009)
1220 (2011)
1220.5 (2013)
1523.5 (2013)
1523.5 с ГМТ (2014)
2122.3/2122.4 (2015)
3022ДЦ.1 (2011)
320.4М (2019)
622 (2012)
800/900 (2003)
80Х (2012)
892 (2011)
922.3 / 922.4 (2013)
922.5 (2013)
923.4 (2014)
923.5 (2013)
92П (2010)
952.5 (2013)
БЕЛАРУС 1025.7 (2022)
БЕЛАРУС 1220.7 (2022)
БЕЛАРУС 1221.7 (2022)
БЕЛАРУС 2103 (2015)
БЕЛАРУС 320 (1998)
БЕЛАРУС 3522.5 (2013)
БЕЛАРУС 3525 (2019)
БЕЛАРУС 421 (2014)
БЕЛАРУС 451 (2023)
БЕЛАРУС 651 (2023)
БЕЛАРУС 923.7 (2022)
БЕЛАРУС 952.7 (2022)
Беларус-08Н (09Н) (2015)
Беларус-422.1 (2018)
КБ-00.000 (САЗ) (2015)
КМ-2 (САЗ) (2015)
МТЗ-082
МТЗ-100
МТЗ-1005 (2008)
МТЗ-1021.3 (2010)
МТЗ-1025.4 (2009)
МТЗ-112Н, 132Н (2010)
МТЗ-1221 (1997)
МТЗ-1221 (2009) (2009)
МТЗ-1221.4 (2009)
МТЗ-1221.4 (2009)
МТЗ-1221.5 (2013)
МТЗ-1222/1523 (2009)
МТЗ-1522 (2008)
МТЗ-1523
МТЗ-1523 (2013)
МТЗ-1523 (2008) (2008)
МТЗ-1523.4 (2010)
МТЗ-1523.6 (2018)
МТЗ-2022 (2010)
МТЗ-2103 (2010)
МТЗ-2522 (2010)
МТЗ-310, 320, 321 (2011)
МТЗ-3522 (2011)
МТЗ-510/512, 520/522 (2010)
МТЗ-570 (2010)
МТЗ-80 (1998)
МТЗ-80 (2002) (2002)
МТЗ-80 (2009) (2009)
МТЗ-80.1 (2015)
МТЗ-821/921 (2009)
МТЗ-822 (2008)
МТЗ-826 (2010)
МТЗ-90/92 (2008)
МТЗ-900
МТЗ-900/920/950/952 (2009)
МТЗ-920.4/952.4 (2009)
МТЗ-922 (2008)
МТЗ-923 (2008)
ФР-00.010 (САЗ) (2015)
ФР-00700-Б (САЗ) (2015)
Схема
>
Не выбрано
Установка двигателя
Бак топливный
Управление подачей топлива
Установка воздухоочистителя
Установка топливного фильтра
Установка бака системы SCR (1220.5-1201010)
Установка бака системы SCR (1220.5Р-1201010/-А)
Система подачи (1220.5-1204010)
Система подачи (1220.5Р-1204010)
Установка глушителя (1220.5-1205005)
Установка глушителя (1220.5Р-1205005/-А)
Система подогрева бака (1220.5-1209010)
Система подогрева бака (1220.5Р-1209010)
Блок охлаждения
Ограждение вентилятора
Установка охладителя
Установка сцепления 240-1005009-03
Установка сцепления 240-1005009-06
Корпус сцепления
Корпус сцепления. Отводка.
Корпус сцепления (привод ВОМ, привод насоса гидросистемы навески)
Корпус сцепления. Привод ВОМ. (nдв=1800 об/мин)
Управление сцеплением
Механический понижающий редуктор/ механический ускоритель
Синхронизированный понижающий редуктор/ синхронизированный ускоритель
Управление механическими/синхронизированными понижающим редуктором или ускорителем
Синхронизированный реверс-редуктор 72-1700010-Б1-03/-04, 74-1700010-07/-15, 1021-1700010-07/-15
Управление синхронизированным реверс-редуктором 72-1700010-Б1-03/-04, 74/1021-1700010-07/-15
Варианты комплектации по КП трактора БЕЛАРУС-952.5
Корпус КП. Привод ПВМ
Вал первичный и Вал вторичный механической КП
Вал первичный и Вал вторичный синхронизированной КП 74/1021-1700010-01/-09, 74/1021-1700010-05/-13, 74/1021-1700010-07/-15
Вал I-ой передачи и заднего хода 72-1700010-Б1/-01/-07/, 74/1021-1700010-01/-05, 72-1700010-Б1-07, 74/1021-1700010-09/-13, 72-1700010-Б1-03/-04, 74/1021-1700010-07, 74-1700010-15
Вал промежуточный. Вал внутренний 72-1700010-Б/-01/-03/-04/-07/-08, 74/1021-1700010-01/-05/-07/-09/-13/-15
Корпус вилок механической КП. Корпус вилок 72-1700010-Б1//-01/-03/-04/-07/-08
Корпус вилок синхронизированной КП 1021-1700010-01/-05/-09/-13, 1021-1700010-07/-15, 74-1700010-01/-05/-09/-13, 74-1700010-07/-15
Механизм правого однорычажного управления КП 72-1700010-Б1//-01/-07/-08, 72-1700010-Б1-03/-04, 74-1700010-01/-05/-09/-13, 74-1700010-07/-15
Двухрычажное управление синхронизированной КП 1021-1700010-01//-05/-09/-13, 1021-1700010-07/-15
Ходоуменьшитель механический
Гидроходоуменьшитель
Раздаточная коробка
Управление раздаточной коробкой (для однорычажной КП)
Управление раздаточной коробкой (для двухрычажной КП) (для двухрычажной КП)
Карданный вал. Промежуточная опора карданного вала
Ограждение карданного привода
Передний ведущий мост в сборе
Главная передача ПВМ
Дифференциал
Редуктор конечной передачи ПВМ
Корпус заднего моста. Конечная передача
Дифференциал. Стакан подшипников
Механизм блокировки дифференциала
Механизм блокировки дифференциала «мокрого» типа
Тягово-сцепное устройство
Тягово-сцепное устройство (варианты комплектации)
Полурама
Тяга рулевая
Колеса передние ведущие
Колеса передние ведущие
Колеса задние ведущие
Ступица колеса
Колонка рулевая
Кардан
Рулевое управление 1025.5-3400010
Гидроцилиндр Ц63 (63x30-200)
Бак
Тормоза. Управление тормозами (сухого трения)
Тормоза (вариант исполнения)
Тормоза «мокрые» (левый/правый)
Тормоза. Управление «мокрыми» тормозами
Тормоз стояночный. Управление стояночным тормозом
Тормоз стояночный. Управление стояночным тормозом (для «мокрых» тормозов)
Гидропривод
Гидропривод
Пневмопривод
Баллон
Кран тормозной
Головка соединительная
Головка соединительная
Компрессор
Электрооборудование двигателя
Электрооборудование трансмиссии
Электрооборудование кабины
Установка батарей аккумуляторных
Установка фар дорожных
Установка фар рабочих
Установка фонарей передних с рабочими фарами
Установка фонарей задних
Электрооборудование отопителя
Электрооборудование кондиционера
Установка маяка сигнального
Установка фонарей автопоезда
Щиток приборов
Инструмент оператора
Аптечка
Установка ящика инструментального
Вал отбора мощности задний 85-4202010
Вал отбора мощности задний 1221-4202010-А
Вал отбора мощности боковой
Электрогидравлическое управление задним ВОМ и дифференциалом заднего моста
Балласт
Привод насоса
Механизм задней навески
Стяжка телескопическая
Гидросистема Р1221-4600010-02
Гидросистема Р1221-4600010-02
Корпус гидросистемы Р1221-4600015-02
Корпус гидросистемы Р1221-4600015-02
Гидросистема Р920-4600010
Гидросистема Р920-4600010
Гидросистема Р920-4600010
Корпус гидросистемы Р920-4600015
Корпус гидросистемы Р920-4600015
Гидросистемы 920-4600010
Гидросистемы 920-4600010
Гидросистемы 920-4600010
Корпус гидросистемы 952-4600015-07
Корпус гидросистемы 952-4600015-07
Корпус гидросистемы и фильтр
Муфта быстросоединяемая
Гидрораспределитель РП70-1221.1
Гидрораспределитель РП70-1221.1
Гидрораспределитель РП70-1221.1
Управление гидрораспределителем РП 70
Цилиндр гидроподъемника
Распределитель гидроподъемника
Управление гидроподъемником
Гидроподъемник
Установка стеклоочистителя
Установка стеклоомывателя
Кабина трактора. Крылья задние
Крыша
Крыша
Пол кабины
Двери кабины
Сиденье оператора
Сиденье оператора
Подвеска сиденья
Сиденье дополнительное
Установка кондиционера
Установка компрессора
Отопитель
Зеркало заднего вида внутреннее
Зеркало заднего вида боковое
Козырек противосолнечный
Облицовка 922.4-8400005-02
Облицовка 922.4-8400005-02
Крылья передние (для ПВМ 822-2300020-02 с удлиненными рукавами)
Крылья передние (для ПВМ 822-2300020-04 с короткими рукавами)
Подножка
Управление двигателем (1025.5-8700910-М)
Управление двигателем (1025.5-8700910-М)
Управление двигателем (1025.5-8700910-Е)
Управление двигателем (1025.5-8700910-Е)
Управление БД и ВОМ (электрическая часть)
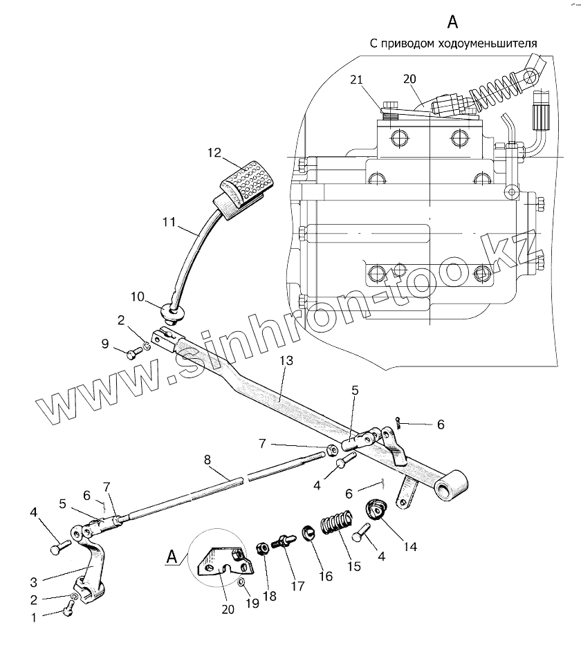
1
2
2
3
4
4
4
5
5
6
6
6
7
7
8
9
10
11
12
13
14
15
16
17
18
19
20
20
20
21
Позиция на иллюстрации
Заводской номер детали
Название детали
80-1602010-Б-01
80-1602010-Б-01
Управление сцеплением
80-1602010-Б
80-1602010-Б
Управление сцеплением
1
М12-6gх35.88.35.019
Болт
2
12ОТ
Шайба ОСТ 37.001.115-75
3
80-1601219-Б
Рычаг
4
Палец12х32
Палец
5
50-3502203
Вилка
6
3,2х18.019
Шплинт
7
М12х1,25-6Н.6.019
Гайка
8
85-1602110-Б
Тяга
8
85-1602112-Б
Тяга
9
М12-6gх30.88.35.019
Болт
10
80-3503158-А
Чехол
11
80-1602040-Б
Стержень подушки
12
А13.33.002
Чехол
13
80-1602020-Б1
Педаль
14
50-1602027
Упор
15
50-1602032
Пружина
16
50-1602029
Шайба упорная
17
80-1602033
Болт упорный
18
М16-6Н.6.019
Гайка
19
С12.01.019
Шайба
20
80-1602075-Б
Кронштейн
20
80-1602075-Д
Кронштейн
21
С10.01.019
Шайба
Содержащиеся в справочниках-каталогах запасные части и детали не предлагаются к продаже, а носят исключительно информационный характер
Дополнительная информация
×
Название:
Номер:
Примечание: