Вернуться на главную
Поиск
Каталоги запчастей к технике
Сельхозтехника
МТЗ
92П
Вал 1-ой передачи и передачи заднего хода
Каталог запасных частей к технике: МТЗ 92П. Вал 1-ой передачи и передачи заднего хода
zoom-in
zoom-out
enlarge
shrink
circle-right
circle-left
file-text2
info
cart
Тип техники
Не выбрано
Легковые автомобили
Грузовые автомобили и прицепы
Автобусы
Сельхозтехника
Спецтехника
Двигатели
Мототехника
Марка
Не выбрано
AGCO
Amity
CASE IH
DongFeng
Fortschritt
Foton
Franz Kleine
Gaspardo
Great Plains
KRONE
KUHN
Lemken
Lovol
MacDon
Massey Ferguson
New Holland
TIGARBO
Vaderstad
Versatile
Wirax
Агро
Агротехмаш
Бобруйскагромаш (ОАО «УКХ «Бобруйскагромаш»)
БЭМЗ
ВгТЗ
Воронежсельмаш
ВТЗ
Гомсельмаш
ДКЗ
ЗАО "Техника-сервис"
ЗиД
КЗК
Кировец-Ландтехник
Клевер
Красная Звезда
Лидагропроммаш
Лидсельмаш
ЛТЗ
Машстройхолдинг
Минитракторы
Мордовагромаш
МТЗ
Навигатор-Новое машиностроение
Нефтекамский автозавод
ПТЗ
Ремком
РСМ
Сибсельмаш
ТеКЗ
ТКЗ
ХЗТСШ
ХТЗ
ЮМЗ
Модель
Не выбрано
1025.5 (2013)
1025/1025.2/1025.3 (2009)
1220 (2011)
1220.5 (2013)
1523.5 (2013)
1523.5 с ГМТ (2014)
2122.3/2122.4 (2015)
3022ДЦ.1 (2011)
320.4М (2019)
622 (2012)
800/900 (2003)
80Х (2012)
892 (2011)
922.3 / 922.4 (2013)
922.5 (2013)
923.4 (2014)
923.5 (2013)
92П (2010)
952.5 (2013)
БЕЛАРУС 1025.7 (2022)
БЕЛАРУС 1220.7 (2022)
БЕЛАРУС 1221.7 (2022)
БЕЛАРУС 2103 (2015)
БЕЛАРУС 320 (1998)
БЕЛАРУС 3522.5 (2013)
БЕЛАРУС 3525 (2019)
БЕЛАРУС 421 (2014)
БЕЛАРУС 451 (2023)
БЕЛАРУС 651 (2023)
БЕЛАРУС 923.7 (2022)
БЕЛАРУС 952.7 (2022)
Беларус-08Н (09Н) (2015)
Беларус-422.1 (2018)
КБ-00.000 (САЗ) (2015)
КМ-2 (САЗ) (2015)
МТЗ-082
МТЗ-100
МТЗ-1005 (2008)
МТЗ-1021.3 (2010)
МТЗ-1025.4 (2009)
МТЗ-112Н, 132Н (2010)
МТЗ-1221 (1997)
МТЗ-1221 (2009) (2009)
МТЗ-1221.4 (2009)
МТЗ-1221.4 (2009)
МТЗ-1221.5 (2013)
МТЗ-1222/1523 (2009)
МТЗ-1522 (2008)
МТЗ-1523
МТЗ-1523 (2013)
МТЗ-1523 (2008) (2008)
МТЗ-1523.4 (2010)
МТЗ-1523.6 (2018)
МТЗ-2022 (2010)
МТЗ-2103 (2010)
МТЗ-2522 (2010)
МТЗ-310, 320, 321 (2011)
МТЗ-3522 (2011)
МТЗ-510/512, 520/522 (2010)
МТЗ-570 (2010)
МТЗ-80 (1998)
МТЗ-80 (2002) (2002)
МТЗ-80 (2009) (2009)
МТЗ-80.1 (2015)
МТЗ-821/921 (2009)
МТЗ-822 (2008)
МТЗ-826 (2010)
МТЗ-90/92 (2008)
МТЗ-900
МТЗ-900/920/950/952 (2009)
МТЗ-920.4/952.4 (2009)
МТЗ-922 (2008)
МТЗ-923 (2008)
ФР-00.010 (САЗ) (2015)
ФР-00700-Б (САЗ) (2015)
Схема
>
Не выбрано
Кабина. Крылья задние
Окно заднее
Крыша
Пол кабины
Двери кабины
Сиденье оператора
Механизм реверса
Отопитель
Зеркало заднего вида внутреннее
Зеркало заднего вида боковое
Козырек противосолнечный
Облицовка
Облицовка
Крылья передние
Подножка
Управление БД и ВОМ (электрическая часть)
Установка двигателя
Баки топливные (металлические)
Баки топливные
Бак топливный (с гидроподъемником)
Управление подачей топлива
Управление подачей топлива (с гидроподъемником)
Глушитель
Радиатор водяной. Подвеска радиатора водяного
Шторка
Ограждение вентилятора
Радиатор масляный
Установка сцепления
Корпус сцепления
Корпус сцепления. Отводка.
Корпус сцепления (привод ВОМ, привод насоса гидросистемы навески)
Корпус сцепления. Привод ВОМ.
Управление сцеплением
Механический понижающий редуктор
Управлением механическим редуктором
Синхронизированный реверс - редуктор
Синхронизированный реверс - редуктор
Корпус КП. Привод ПВМ.
Вал первичный и вал вторичный механической КП
Вал 1-ой передачи и передачи заднего хода
Вал промежуточный. Вал внутренний
Механизм управления механической КП. Корпус вилок.
Механизм правого однорычажного управления КП.
Раздаточная коробка
Управление раздаточной коробкой
Привод карданный. Промежуточная опора карданного вала
Ограждение карданного привода
Передний ведущий мост
Главная передача переднего ведущего моста
Дифференциал
Редуктор конечной передачи переднего ведущего моста
Корпус заднего моста. Конечная передача
Дифференциал. Стакан подшипников
Механизм блокировки дифференциала
Тягово-сцепное устройство
Тягово-сцепное устройство (варианты комплектации)
Полурама
Тяга рулевая
Колеса передние ведущие
Колеса задние ведущие
Колонка рулевая
Арматура рулевого управления
Гидроцилиндр Ц63 и арматура ГОРУ
Гидроцилиндр Ц63
Тормоза. Управление тормозам
Тормоза (вариант исполнения)
Тормоз стояночный. Управление стояночным тормозом
Трубопроводы и арматура однопроводного пневмопривода тормозов прицепа
Баллон
Кран тормозной
Компрессор
Электрооборудование двигателя
Датчики. Электрооборудование трансмиссии
Батареи аккумуляторные. Установка батарей аккумуляторных
Установка фар рабочих
Установка фонарей передних
Установка фонарей задних
Электрооборудование кабины
Установка фар дорожных
Электрооборудование отопителя
Установка маяка сигнального
Стеклоочистители
Стеклоомыватели
Стеклоомыватели
Реле, приборы.
Переключатель подрулевой
Гидросистема Р90-4600010-02. Гидроагрегаты и арматура
Корпус гидросистемы Р85-4600015-04. Гидроагрегаты и арматура
Гидросистема Р1221-4600010-02. Гидроагрегаты и арматура (с гидроподъемником)
Корпус гидросистемы Р1221-4600015-02. Гидроагрегаты и арматура (с гидроподъемником)
Корпус гидросистемы и фильтр
Управление гидрораспределителем РП 70
Привод насоса
Муфта быстросоединяемая
Гидрораспределитель РП70
Цилиндр гидроподъемника
Распределитель гидроподъемника
Управление гидроподъемником
Гидроподъемник
Механизм задней навески (с гидроподъемником)
Стяжка телескопическая
Педальное управление блокировкой дифференциала заднего мост
Вал отбора мощности задний
Управление задним валом отбора мощности
Управление задним валом отбора мощности
Инструмент оператора
Аптечка (по заказу)
Ящик инструментальный
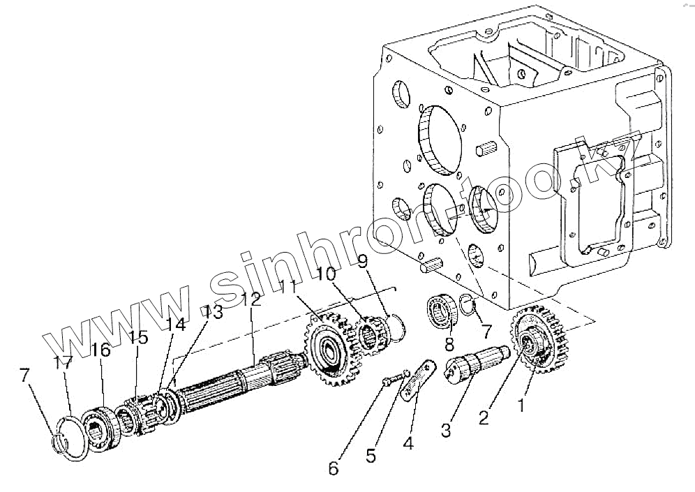
1
2
3
4
5
6
7
7
8
9
10
11
12
13
14
15
16
17
Позиция на иллюстрации
Заводской номер детали
Название детали
70-1701380
70-1701380
Вал 1-ой передачи и заднего хода в сборе
70-1701080
70-1701080
Шестерня с подшипником в сборе
1
70-1701082
Шестерня заднего хода промежуточная
2
3КК30х35х46Е
Подшипник
3
50-1701434-А
Ось
4
50-1702082-А
Планка
5
Шайба10.ОТ
Шайба
6
М10-6дх25.88.35.019
Болт
7
ХЧМ-1701163
Кольцо
8
208А
Подшипник
9
2С65
Кольцо
10
70-1701072
Шестерня включения ходоуменьшителя I
11
70-1701224
Шестерня привода ходоуменьшителя
12
70-1701382
Вал I передачи и з.х.
13
70-1701226
Шайба
14
2С50
Кольцо
15
50-1701212-А
Шестерня I передачи и заднего хода
16
50308А
Подшипник
17
Кольцо90
Кольцо
Содержащиеся в справочниках-каталогах запасные части и детали не предлагаются к продаже, а носят исключительно информационный характер
Дополнительная информация
×
Название:
Номер:
Примечание: