Вернуться на главную
Поиск
Каталоги запчастей к технике
Сельхозтехника
МТЗ
923.5
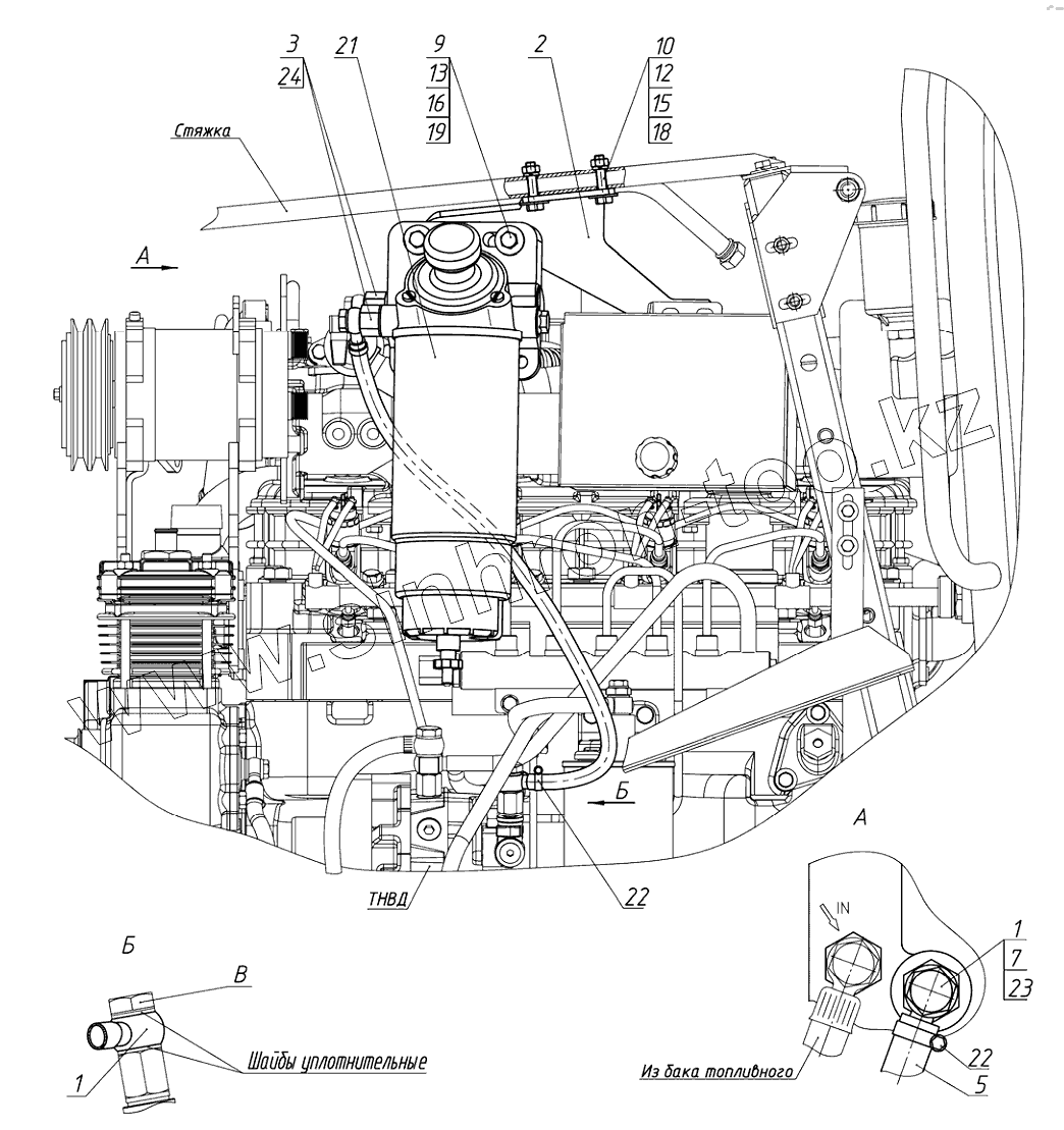
Установка топливного фильтра
Каталог запасных частей к технике: МТЗ 923.5. Установка топливного фильтра
zoom-in
zoom-out
enlarge
shrink
circle-right
circle-left
file-text2
info
cart
Тип техники
Не выбрано
Легковые автомобили
Грузовые автомобили и прицепы
Автобусы
Сельхозтехника
Спецтехника
Двигатели
Мототехника
Марка
Не выбрано
AGCO
Amity
CASE IH
DongFeng
Fortschritt
Foton
Franz Kleine
Gaspardo
Great Plains
KRONE
KUHN
Lemken
Lovol
MacDon
Massey Ferguson
New Holland
TIGARBO
Vaderstad
Versatile
Wirax
Агро
Агротехмаш
Бобруйскагромаш (ОАО «УКХ «Бобруйскагромаш»)
БЭМЗ
ВгТЗ
Воронежсельмаш
ВТЗ
Гомсельмаш
ДКЗ
ЗАО "Техника-сервис"
ЗиД
КЗК
Кировец-Ландтехник
Клевер
Красная Звезда
Лидагропроммаш
Лидсельмаш
ЛТЗ
Машстройхолдинг
Минитракторы
Мордовагромаш
МТЗ
Навигатор-Новое машиностроение
Нефтекамский автозавод
ПТЗ
Ремком
РСМ
Сибсельмаш
ТеКЗ
ТКЗ
ХЗТСШ
ХТЗ
ЮМЗ
Модель
Не выбрано
1025.5 (2013)
1025/1025.2/1025.3 (2009)
1220 (2011)
1220.5 (2013)
1523.5 (2013)
1523.5 с ГМТ (2014)
2122.3/2122.4 (2015)
3022ДЦ.1 (2011)
320.4М (2019)
622 (2012)
800/900 (2003)
80Х (2012)
892 (2011)
922.3 / 922.4 (2013)
922.5 (2013)
923.4 (2014)
923.5 (2013)
92П (2010)
952.5 (2013)
БЕЛАРУС 1025.7 (2022)
БЕЛАРУС 1220.7 (2022)
БЕЛАРУС 1221.7 (2022)
БЕЛАРУС 2103 (2015)
БЕЛАРУС 320 (1998)
БЕЛАРУС 3522.5 (2013)
БЕЛАРУС 3525 (2019)
БЕЛАРУС 421 (2014)
БЕЛАРУС 451 (2023)
БЕЛАРУС 651 (2023)
БЕЛАРУС 923.7 (2022)
БЕЛАРУС 952.7 (2022)
Беларус-08Н (09Н) (2015)
Беларус-422.1 (2018)
КБ-00.000 (САЗ) (2015)
КМ-2 (САЗ) (2015)
МТЗ-082
МТЗ-100
МТЗ-1005 (2008)
МТЗ-1021.3 (2010)
МТЗ-1025.4 (2009)
МТЗ-112Н, 132Н (2010)
МТЗ-1221 (1997)
МТЗ-1221 (2009) (2009)
МТЗ-1221.4 (2009)
МТЗ-1221.4 (2009)
МТЗ-1221.5 (2013)
МТЗ-1222/1523 (2009)
МТЗ-1522 (2008)
МТЗ-1523
МТЗ-1523 (2013)
МТЗ-1523 (2008) (2008)
МТЗ-1523.4 (2010)
МТЗ-1523.6 (2018)
МТЗ-2022 (2010)
МТЗ-2103 (2010)
МТЗ-2522 (2010)
МТЗ-310, 320, 321 (2011)
МТЗ-3522 (2011)
МТЗ-510/512, 520/522 (2010)
МТЗ-570 (2010)
МТЗ-80 (1998)
МТЗ-80 (2002) (2002)
МТЗ-80 (2009) (2009)
МТЗ-80.1 (2015)
МТЗ-821/921 (2009)
МТЗ-822 (2008)
МТЗ-826 (2010)
МТЗ-90/92 (2008)
МТЗ-900
МТЗ-900/920/950/952 (2009)
МТЗ-920.4/952.4 (2009)
МТЗ-922 (2008)
МТЗ-923 (2008)
ФР-00.010 (САЗ) (2015)
ФР-00700-Б (САЗ) (2015)
Схема
>
Не выбрано
Установка двигателя
Бак
Управление подачей топлива
Установка воздухоочистителя
Установка топливного фильтра
Установка бака системы SCR
Система подачи
Установка глушителя
Система подогрева бака
Блок охлаждения
Ограждение вентилятора
Установка охладителя
Установка сцепления 240-1005009-06
Корпус сцепления
Корпус сцепления. Отводка.
Корпус сцепления (привод ВОМ, привод насоса гидросистемы навески)
Корпус сцепления. Привод ВОМ. (nдв=1800 об/мин)
Управление сцеплением
Цилиндр главный
Бачок
Цилиндр рабочий
Варианты комплектации по КП трактора БЕЛАРУС-923.5
Синхронизированный понижающий редуктор/ синхронизированный ускоритель
Управление синхронизированным редуктором/ускорителем
Управление синхронизированным редуктором/ускорителем (электрогидравлическое)
Синхронизированный реверс-редуктор
Управление синхронизированным реверс-редуктором
Корпус КП. Привод ПВМ
Вал первичный и Вал вторичный синхро-КП
Вал I передачи и заднего хода
Вал промежуточный. Вал внутренний
Механизм управления синхронизированной КП. Корпус вилок.
Механизм 2-х рычажного управления КП
Раздаточная коробка
Управление раздаточной коробкой
Карданный вал. Промежуточная опора карданного вала.
Ограждение карданного привода
Передний ведущий мост 822-2300020
Шестерня
Дифференциал
Редуктор конечной передачи переднего ведущего моста
Задний мост. Корпус заднего моста
Дифференциал. Главная передача. Стакан подшипников. Крышка стакана
Переключение BOM (независимый/синхронный)
Установка горловины заливной
Механизм блокировки дифференциала.
Муфта блокировки дифференциала «мокрая»
Тягово-сцепное устройство
Тягово-сцепное устройство (варианты комплектации)
Полурама
Тяга рулевая
Колеса передние ведущие
Колеса передние ведущие (дополнительная комплектация)
Колеса задние ведущие. Ступицы задних колес
Ступицы задних колес
Колонка рулевая
Кардан
Рулевое управление
Гидроцилиндр Ц63 (63x30-200)
Бак
Тормоза
Управление тормозами
Тормоз стояночно-запасной, управление стояночно-запасным тормозом
Тормоза рабочие «мокрого» типа
Управление СЗТ для тормозов рабочих «мокрого» типа
Пневмопривод
Регулятор давления
Баллон
Кран тормозной
Головка соединительная
Электрооборудование двигателя
Электрооборудование трансмиссии
Электрооборудование кабины
Установка фар дорожных
Установка фар рабочих
Установка фонарей передних
Установка фонарей задних
Установка батарей аккумуляторных
Электрооборудование отопителя
Блок коммутации
Щиток приборов
Установка щитка приборов
Установка щитка приборов
Балласт
Вал отбора мощности задний
Управление задним ВОМ, гидропривод управление АБД и ВОМ
Гидропривод управления БД, ВОМ и редуктором
Плита гидропривода 822-4801180-Б-03
Плита гидропривода 822-4801180-Б-02
Привод насоса
Механизм задней навески (с гидроподъемником)
Стяжка телескопическая
Гидросистема
Муфта быстросоединяемая
Бак масляный
Цилиндр гидроподъемника
Цилиндр гидроподъемника
Распределитель гидроподъемника
Управление гидроподъемником
Гидроподъемник
Гидрораспределитель РП70
Установка стеклоочистителя заднего
Установка стеклоочистителя переднего
Установка стеклоомывателя
Кабина трактора
Крыша
Дверь кабины
Кабина. Стекла кабины.
Установка пульта 2522-6702285-Б
Установка пульта 923-6702295-Б-01
Установка пульта 923-6702335-Б-01
Сиденье оператора
Сиденье оператора «Grammer»
Установка отопителя-охладителя
Трасса шлангов отопителя 822-8101020, Трасса шлангов отопителя 822-8101020-01
Кондиционер 923.5-8100010
Установка конденсатора 1025-8112010
Компрессор кондиционера 950-8114010
Система отопления и вентиляции
Зеркало внутреннее
Зеркало наружное
Козырек противосолнечный
Облицовка
Крылья передние
Крылья передние (для ПВМ 822-2300020-04 с короткими рукавами)
Подножка
Управление БД, ВОМ и редуктором 923-870510-Ж
Управление БД и ВОМ 923-8700310-Д
Управление двигателем (923.5-8700910-Е)
Инструмент оператора
Аптечка
Ящик инструментальный
1
1
2
3
5
7
9
10
12
13
15
16
18
19
21
22
22
23
24
Позиция на иллюстрации
Заводской номер детали
Название детали
922-1117100-02
922-1117100-02
Установка топливного фильтра
1
Ф80-3407720
Маслопровод
2
922-1117111
Кронштейн
3
1221-1101492
Штуцер
5
920-1101162-02
Трубка
7
Д18-051
Болт
9
М10-6gх65.88.35.019
Болт
10
М8-6gх45.88.35.019
Болт ГОСТ 7796-70
12
М8-6Н.6.019
Гайка
13
М10-6Н.6.019
Гайка
15
С8.01.019
Шайба
16
С10.01.019
Шайба
18
Шайба8Т
Шайба 8Т
19
10ОТ
Шайба ОСТ 37.001.115-75
21
2,70666E+12
Фильтр предварительный
22
TORRO12-20/9-C6W
Хомут «НОРМА»
23
РМ14
Шайба
24
РМ3/8
Шайба
Содержащиеся в справочниках-каталогах запасные части и детали не предлагаются к продаже, а носят исключительно информационный характер
Дополнительная информация
×
Название:
Номер:
Примечание: