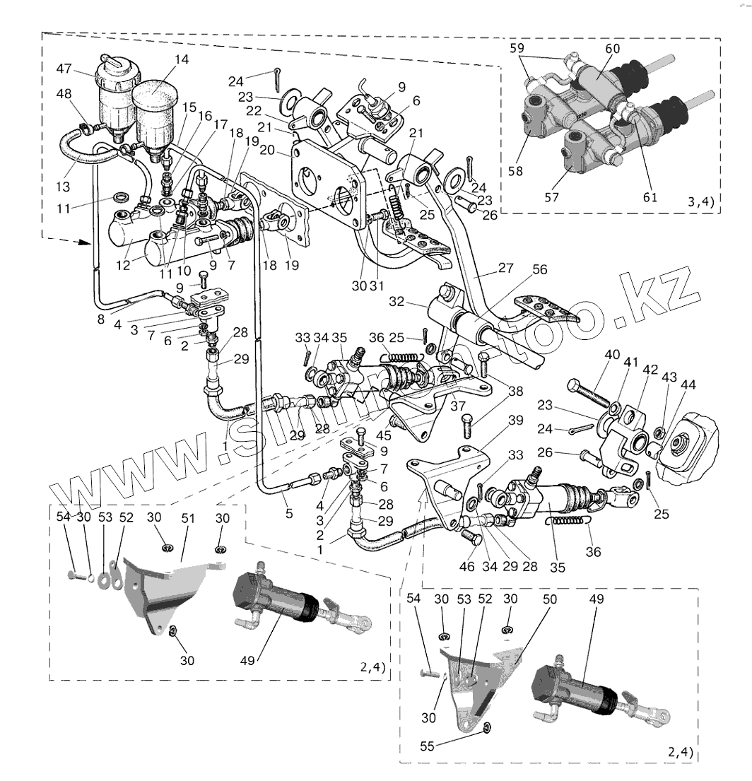
Каталог запасных частей к технике: МТЗ 923.5. Управление тормозами
1
1
1
1
1
1
1
1
2
2
2
3
3
4
4
4
5
5
5
6
6
6
7
7
7
8
8
8
9
9
9
9
10
11
11
11
11
12
13
14
15
16
17
18
18
19
19
20
21
21
22
23
23
23
23
23
24
24
24
25
25
25
26
26
27
28
28
28
28
29
29
29
29
30
30
30
30
30
30
30
30
30
31
32
32
33
33
34
34
35
35
35
35
36
36
36
36
37
38
39
40
41
42
43
44
44
44
44
45
46
47
48
48
48
49
49
49
49
50
51
52
52
53
53
54
54
55
56
57
58
59
60
61
| Позиция на иллюстрации | Заводской номер детали | Название детали | |
|---|---|---|---|
| 923М-3503700 | 923М-3503700 | Управление тормозами | |
| 923-3503700 | 923-3503700 | Управление тормозами | |
| 923М-3503600 | 923М-3503600 | Управление тормозами | |
| 923-3503600 | 923-3503600 | Управление тормозами | |
| 1 | 923-3503200 | Рукав | |
| 1 | S7474422 | Шланг гидравлического привода тормозов | |
| 1 | 923-3503200 | Рукав | |
| 1 | S7474525 | Рукав гибкий тормозов | |
| 2 | 822-3503155 | Штуцер | |
| 3 | 80В-1602106-Б | Угольник | |
| 4 | 822-3503701 | Штуцер | |
| 5 | 1522-35030701,2) | Трубопровод | |
| 5 | 2022-35036103,4) | Трубопровод | |
| 6 | М8-6Н.6.019 | Гайка | |
| 7 | Шайба8Т | Шайба 8Т | |
| 8 | 1522-3503080 | Трубопровод | |
| 8 | 2022-3503620 | Трубопровод | |
| 9 | М8-6gх35.88.35.019 | Болт | |
| 10 | 822-3503084 | Штуцер | |
| 11 | Д18-055-А | Шайба | |
| 11 | Д18-055-А | Шайба | |
| 12 | S73067386 | Цилиндр «CARLISLE» | |
| 13 | 822-3503098 | Шланг | |
| 14 | 822-3503090 | Бачок | |
| 15 | 822-3503100 | Трубопровод | |
| 16 | 822-3503083 | Штуцер | |
| 17 | 36-1104788 | Прокладка | |
| 18 | М10-6Н.6.019 | Гайка | |
| 19 | 822-3502203 | Вилка | |
| 20 | 923-3503720 | Кронштейн | |
| 21 | 70-4616033Зам | Пружина | |
| 22 | 923-3503730 | Педаль правая | |
| 23 | 50-3503071 | Шайба | |
| 23 | 50-3503071 | Шайба | |
| 24 | 5х36.019 | Шплинт | |
| 25 | 3,2х18.019 | Шплинт | |
| 26 | 12х32 | Палец | |
| 27 | 923-3503740 | Педаль левая | |
| 28 | Д80-4607212 | Гайка | |
| 29 | 923-3503221 | Ниппель | |
| 30 | 10ОТ | Шайба ОСТ 37.001.115-75 | |
| 30 | 10ОТ | Шайба ОСТ 37.001.115-75 | |
| 31 | М10-6gх25.88.35.019 | Болт | |
| 32 | 822-3503025 | Рычаг правый | |
| 33 | 4х22.019 | Шплинт | |
| 34 | 16.01.019 | Шайба ГОСТ 11371-78 | |
| 35 | 822-3503550-А | Цилиндр рабочий | |
| 35 | 923-3503550 | Цилиндр рабочий | |
| 36 | 822-3503702 | Пружина | |
| 36 | 50-1310158-Б | Пружина | |
| 37 | 822-3503030-01 | Кронштейн правый | |
| 38 | М10-6gх35.88.35.019 | Болт | |
| 39 | 822-3503030 | Кронштейн левый | |
| 40 | 70-3503019 | Болт | |
| 41 | 70-3503018 | Шайба | |
| 42 | 822-3503020 | Рычаг левый | |
| 43 | М12х1,25-6Н.04.019 | Гайка | |
| 44 | 822-3503015 | Вал | |
| 44 | 922М-3503015 | Валик | |
| 45 | М10-6gх40.88.35.019 | Болт | |
| 46 | М12-6gх40.88.35.019 | Болт ГОСТ 7796-70 | |
| 47 | 822-3503090-01 | Бачок | |
| 48 | TORRO12-22/971 | Хомут | |
| 48 | TORRO12-20/9-C6W | Хомут «НОРМА» | |
| 49 | 822-1602550-Б | Цилиндр рабочий | |
| 49 | 2022-3503550 | Цилиндр рабочий | |
| 50 | 923М-3503040-Б | Кронштейн правый | |
| 51 | 923М-3503030-Б | Кронштейн левый | |
| 52 | 923-1602116 | Ушко | |
| 53 | С10.01.019 | Шайба | |
| 54 | М10-6gх30.88.35.019 | Болт ГОСТ 7796-70 | |
| 55 | 12.ОТ | Шайба | |
| 56 | 1221М-3503016 | Втулка | |
| 57 | С2602 | Цилиндр главный привода сцепления | |
| 58 | Т2629 | Цилиндр главный привода тормозов | |
| 59 | 36-1104788 | Прокладка | |
| 60 | ФСПИ.306131.003 | Клапан в сборе | |
| 61 | 36-1104787 | Болт |
Содержащиеся в справочниках-каталогах запасные части и детали не предлагаются к продаже, а носят исключительно информационный характер