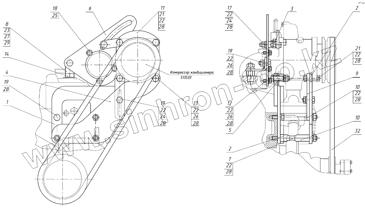
Каталог запасных частей к технике: МТЗ 923.5. Компрессор кондиционера 950-8114010
1
2
2
3
4
5
6
7
8
9
10
10
11
12
13
14
17
18
19
19
19
21
21
22
22
22
22
22
22
22
22
22
23
24
24
25
26
26
26
27
28
28
28
28
28
28
28
28
28
28
29
32
| Позиция на иллюстрации | Заводской номер детали | Название детали | |
|---|---|---|---|
| 950-8114010 | 950-8114010 | Компрессор кондиционера | |
| 1 | 950-8114020 | Пластина | |
| 2 | 950-8114011 | Втулка | |
| 3 | 950-8114011-01 | Втулка | |
| 4 | 950-8114012 | Пластина | |
| 5 | 950-8114013 | Втулка | |
| 6 | 950-8114014 | Сектор | |
| 7 | 950-8114015 | Шпилька | |
| 8 | 950-8114017 | Уголок | |
| 9 | 950-8114018 | Планка | |
| 10 | 950-8114019 | Шпилька | |
| 11 | 950-8114031 | Рычаг | |
| 12 | 950-8114032 | Болт | |
| 13 | 950-8114032-01 | Болт | |
| 14 | 1025-8114016 | Переходник | |
| 17 | М10-6gх70.88.35.019 | Болт | |
| 18 | М8-6gх20.88.35.019 | Болт | |
| 19 | М10-6gх25.88.35.019 | Болт | |
| 21 | М10-6gх40.88.35.019 | Болт | |
| 22 | М10-6Н.04.019 | Гайка | |
| 23 | М12-6Н.6.019 | Гайка | |
| 24 | С10.01.019 | Шайба | |
| 25 | С.8.01.019 | Шайба | |
| 26 | С.10.01.019 | Шайба | |
| 27 | С.12.01.019 | Шайба | |
| 28 | 10ОТ | Шайба ОСТ 37.001.115-75 | |
| 29 | 12ОТ | Шайба ОСТ 37.001.115-75 | |
| 32 | AVX13-1200 | Ремень |
Содержащиеся в справочниках-каталогах запасные части и детали не предлагаются к продаже, а носят исключительно информационный характер