Вернуться на главную
Поиск
Каталоги запчастей к технике
Сельхозтехника
МТЗ
923.4
Компрессор кондиционера 950-8114010
Каталог запасных частей к технике: МТЗ 923.4. Компрессор кондиционера 950-8114010
zoom-in
zoom-out
enlarge
shrink
circle-right
circle-left
file-text2
info
cart
Тип техники
Не выбрано
Легковые автомобили
Грузовые автомобили и прицепы
Автобусы
Сельхозтехника
Спецтехника
Двигатели
Мототехника
Марка
Не выбрано
AGCO
Amity
CASE IH
DongFeng
Fortschritt
Foton
Franz Kleine
Gaspardo
Great Plains
KRONE
KUHN
Lemken
Lovol
MacDon
Massey Ferguson
New Holland
TIGARBO
Vaderstad
Versatile
Wirax
Агро
Агротехмаш
Бобруйскагромаш (ОАО «УКХ «Бобруйскагромаш»)
БЭМЗ
ВгТЗ
Воронежсельмаш
ВТЗ
Гомсельмаш
ДКЗ
ЗАО "Техника-сервис"
ЗиД
КЗК
Кировец-Ландтехник
Клевер
Красная Звезда
Лидагропроммаш
Лидсельмаш
ЛТЗ
Машстройхолдинг
Минитракторы
Мордовагромаш
МТЗ
Навигатор-Новое машиностроение
Нефтекамский автозавод
ПТЗ
Ремком
РСМ
Сибсельмаш
ТеКЗ
ТКЗ
ХЗТСШ
ХТЗ
ЮМЗ
Модель
Не выбрано
1025.5 (2013)
1025/1025.2/1025.3 (2009)
1220 (2011)
1220.5 (2013)
1523.5 (2013)
1523.5 с ГМТ (2014)
2122.3/2122.4 (2015)
3022ДЦ.1 (2011)
320.4М (2019)
622 (2012)
800/900 (2003)
80Х (2012)
892 (2011)
922.3 / 922.4 (2013)
922.5 (2013)
923.4 (2014)
923.5 (2013)
92П (2010)
952.5 (2013)
БЕЛАРУС 1025.7 (2022)
БЕЛАРУС 1220.7 (2022)
БЕЛАРУС 1221.7 (2022)
БЕЛАРУС 2103 (2015)
БЕЛАРУС 320 (1998)
БЕЛАРУС 3522.5 (2013)
БЕЛАРУС 3525 (2019)
БЕЛАРУС 421 (2014)
БЕЛАРУС 451 (2023)
БЕЛАРУС 651 (2023)
БЕЛАРУС 923.7 (2022)
БЕЛАРУС 952.7 (2022)
Беларус-08Н (09Н) (2015)
Беларус-422.1 (2018)
КБ-00.000 (САЗ) (2015)
КМ-2 (САЗ) (2015)
МТЗ-082
МТЗ-100
МТЗ-1005 (2008)
МТЗ-1021.3 (2010)
МТЗ-1025.4 (2009)
МТЗ-112Н, 132Н (2010)
МТЗ-1221 (1997)
МТЗ-1221 (2009) (2009)
МТЗ-1221.4 (2009)
МТЗ-1221.4 (2009)
МТЗ-1221.5 (2013)
МТЗ-1222/1523 (2009)
МТЗ-1522 (2008)
МТЗ-1523
МТЗ-1523 (2013)
МТЗ-1523 (2008) (2008)
МТЗ-1523.4 (2010)
МТЗ-1523.6 (2018)
МТЗ-2022 (2010)
МТЗ-2103 (2010)
МТЗ-2522 (2010)
МТЗ-310, 320, 321 (2011)
МТЗ-3522 (2011)
МТЗ-510/512, 520/522 (2010)
МТЗ-570 (2010)
МТЗ-80 (1998)
МТЗ-80 (2002) (2002)
МТЗ-80 (2009) (2009)
МТЗ-80.1 (2015)
МТЗ-821/921 (2009)
МТЗ-822 (2008)
МТЗ-826 (2010)
МТЗ-90/92 (2008)
МТЗ-900
МТЗ-900/920/950/952 (2009)
МТЗ-920.4/952.4 (2009)
МТЗ-922 (2008)
МТЗ-923 (2008)
ФР-00.010 (САЗ) (2015)
ФР-00700-Б (САЗ) (2015)
Схема
>
Не выбрано
Установка двигателя
Бак
Управление подачей топлива (для тракторов с двигателем Д-245.5S3A)
Управление подачей топлива (для тракторов с двигателем Д-245.5S3AM)
Установка воздухоочистителя
Установка топливного фильтра
Глушитель
Блок охлаждения
Ограждение вентилятора
Установка охладителя
Установка сцепления 240-1005009-06
Корпус сцепления (для тракторов с механической трансмиссией)
Корпус сцепления. Отводка. (для тракторов с механической трансмиссией)
Корпус сцепления (привод ВОМ, привод насоса гидросистемы навески) (для тракторов с механической трансмиссией)
Корпус сцепления. Привод ВОМ. (nдв=1800 об/мин) (для тракторов с механической трансмиссией)
Корпус сцепления (для тракторов с гидромеханической трансмиссией)
Корпус сцепления (отводка) (для тракторов с гидромеханической трансмиссией)
Корпус сцепления (привод ВОМ вал ведомый) (для тракторов с гидромеханической трансмиссией)
Корпус сцепления (привод ВОМ, вал ведущий) (для тракторов с гидромеханической трансмиссией)
Корпус сцепления (привод насоса гидросистемы трансмиссии)
Корпус сцепления (установка редуктора)
Корпус сцепления. Редуктор (для тракторов с гидромеханической трансмиссией)
Корпус сцепления. Корпус редуктора (для тракторов с гидромеханической трансмиссией)
Корпус сцепления (вал редуктора)
Корпус сцепления (водило)
Корпус сцепления (шестерня коронная)
Управление сцеплением
Бачок
Варианты комплектации по КП трактора БЕЛАРУС-923.4
Синхронизированный понижающий редуктор/ синхронизированный ускоритель
Управление синхронизированным редуктором/ускорителем
Управление синхронизированным редуктором/ускорителем (электрогидравлическое)
Синхронизированный реверс-редуктор
Управление синхронизированным реверс-редуктором 923-1700010-07, 923-1700010-15
Корпус КП. Привод ПВМ (для тракторов с механической трансмиссией) 923-1700010-09/-11//-13/-15
Вал первичный и Вал вторичный синхро-КП
Вал I передачи и заднего хода
Вал промежуточный. Вал внутренний (для тракторов с механической трансмиссией)
Механизм управления синхронизированной КП. Корпус вилок. (для тракторов с механической трансмиссией)
Механизм 2-х рычажного управления КП (для тракторов с механической трансмиссией)
Корпус КП (для тракторов с гидромеханической трансмиссией) 77-1700010-А-01/-03
Вал первичный (для тракторов с гидромеханической трансмиссией) 77-1700010-А-01/-03
Вал вторичный (для тракторов с гидромеханической трансмиссией)
Вал пониженных передач и заднего хода (для тракторов с гидромеханической трансмиссией) 77-1700010-А-01/-03
Вал промежуточный (для тракторов с гидромеханической трансмиссией) 77-1700010-А-01/-03
Корпус вилок (для тракторов с гидромеханической трансмиссией)
Управление КП (для тракторов с гидромеханической трансмиссией)
Раздаточная коробка (для тракторов с механической трансмиссией)
Управление раздаточной коробкой (для тракторов с механической трансмиссией)
Привод переднего ведущего моста (для тракторов с гидромеханической трансмиссией)
Карданный вал. Промежуточная опора карданного вала (для тракторов с механической трансмиссией)
Ограждение карданного привода (для тракторов с механической трансмиссией)
Привод карданный (для тракторов с гидромеханической трансмиссией)
Ограждение (для тракторов с гидромеханической трансмиссией)
Передний ведущий мост 822-2300020
Шестерня
Дифференциал
Редуктор конечной передачи переднего ведущего моста
Задний мост. Корпус заднего моста
Дифференциал. Главная передача. Стакан подшипников. Крышка стакана
Переключение BOM (независимый/синхронный)
Установка горловины заливной
Механизм блокировки дифференциала
Муфта блокировки дифференциала «мокрая»
Полурама
Тяга рулевая
Колеса передние ведущие
Колеса передние ведущие
Колеса задние ведущие. Ступицы задних колес
Ступица колеса
Колонка рулевая
Кардан
Рулевое управление
Гидроцилиндр Ц63 (63x30-200)
Бак
Тормоза
Управление тормозами
Тормоз стояночно-запасной, управление стояночно-запасным тормозом
Тормоза рабочие «мокрого» типа (левый/правый)
Управление СЗТ для тормозов рабочих «мокрого» типа
Пневмопривод 923-3506505-04/-05
Пневмопривод 922-3506705/-01
Баллон
Кран тормозной
Кран тормозной
Головка соединительная
Головка соединительная
Компрессор
Электрооборудование двигателя 921.4М-3700030
Электрооборудование двигателя 922.5-3700030
Электрооборудование двигателя 921-3700030-В (для тракторов с двигателем Д-245.5S3AМ)
Электрооборудование трансмиссии 923-3700040-Б (для тракторов с механической трансмиссией)
Электрооборудование трансмиссии 925.3-3700040 (для тракторов с гидромеханической трансмиссией)
Электрооборудование кабины (для тракторов с двигателем Д-245.5S3A)
Электрооборудование кабины (для тракторов с двигателем Д-245.5S3AМ)
Установка фар дорожных
Установка фар рабочих 925-3700110/-01 (для тракторов с двигателем Д-245.5S3A)
Установка фар рабочих 923-3700110/-01 (для тракторов с двигателем Д-245.5S3AМ)
Установка фонарей передних 925-3700025-01 (для тракторов с двигателем Д-245.5S3A)
Установка фонарей передних 923-3700025-В (для тракторов с двигателем Д-245.5S3AМ)
Установка фонарей задних
Установка батарей аккумуляторных 920-3700080/-02 (для тракторов с двигателем Д-245.5S3AМ)
Установка батарей аккумуляторных 925-3700080/-01 (для тракторов с двигателем Д-245.5S3A)
Электрооборудование отопителя 925-3700090/-01
Электрооборудование отопителя 923-3700090, 923-3700090-01
Установка маяка сигнального
Блок коммутации (для тракторов с двигателем Д-245.5S3A)
Щиток приборов 925М-3805110/-01
Установка щитка приборов 925М-3805105 (для тракторов с двигателем Д-245.5S3A)
Щиток приборов 925-3805110-01/-03 (для тракторов с двигателем Д-245.5S3AМ)
Установка щитка приборов 822-3805105 (для тракторов с двигателем Д-245.5S3AМ)
Тягово-сцепное устройство
Тягово-сцепное устройство (варианты комплектации)
Балласт
Вал отбора мощности задний
Управление задним ВОМ, гидропривод управление АБД и ВОМ (для тракторов с механической трансмиссией)
Гидропривод управления БД, ВОМ и редуктором (для тракторов с механической трансмиссией)
Привод насоса 822-4604010
Привод насоса 77-4604010
Механизм задней навески (с гидроподъемником)
Стяжка телескопическая
Гидросистема
Муфта быстросоединяемая
Бак масляный
Цилиндр гидроподъемника
Распределитель гидроподъемника
Управление гидроподъемником
Гидроподъемник
Гидрораспределитель РП70
Система смазки и управления трансмиссии
Система смазки и управления трансмиссии
Плита гидропривода 822-4801180-Б-03
Плита гидропривода 822-4801180-Б-02
Гидропривод АБД, ВОМ и ПВМ (для тракторов с гидромеханической трансмиссией)
Распределитель секционный РГ-6
Установка стеклоочистителя заднего
Установка стеклоочистителя переднего
Установка стеклоомывателя
Кабина трактора
Крыша
Дверь кабины
Стекла кабины
Установка пульта - установка панели
Установка пульта
Установка пульта - установка чехла
Облицовка
Облицовка
Сиденье оператора
Сиденье оператора «Grammer»
Установка отопителя-охладителя
Установка отопителя-охладителя
Трасса шлангов отопителя 822-8101020
Трасса шлангов отопителя 822-8101020-01
Кондиционер 923.5-8100010
Установка конденсатора 1025-8112010
Компрессор кондиционера 950-8114010
Система отопления и вентиляции
Зеркало внутреннее
Зеркало наружное
Козырек противосолнечный
Облицовка
Облицовка
Крылья передние (для ПВМ 822-2300020-02 с удлиненными рукавами)
Крылья передние (для ПВМ 822-2300020-04 с короткими рукавами)
Подножка
Подножка
Управление БД, ВОМ и редуктором 923-870510-Ж
Управление БД и ВОМ 923-8700310-Д (для тракторов с механической трансмиссией)
Управление БД, ПВМ и ВОМ 925-8700210 (для тракторов с гидромеханической трансмиссией)
Управление редуктором 925-8700750 (для тракторов с гидромеханической трансмиссией)
Управление двигателем
Инструмент оператора
Аптечка
Ящик инструментальный
1
2
2
3
4
5
6
7
8
9
10
10
11
12
13
14
17
18
19
19
19
21
21
22
22
22
22
22
22
22
22
22
23
24
24
25
26
26
26
27
28
28
28
28
28
28
28
28
28
28
29
32
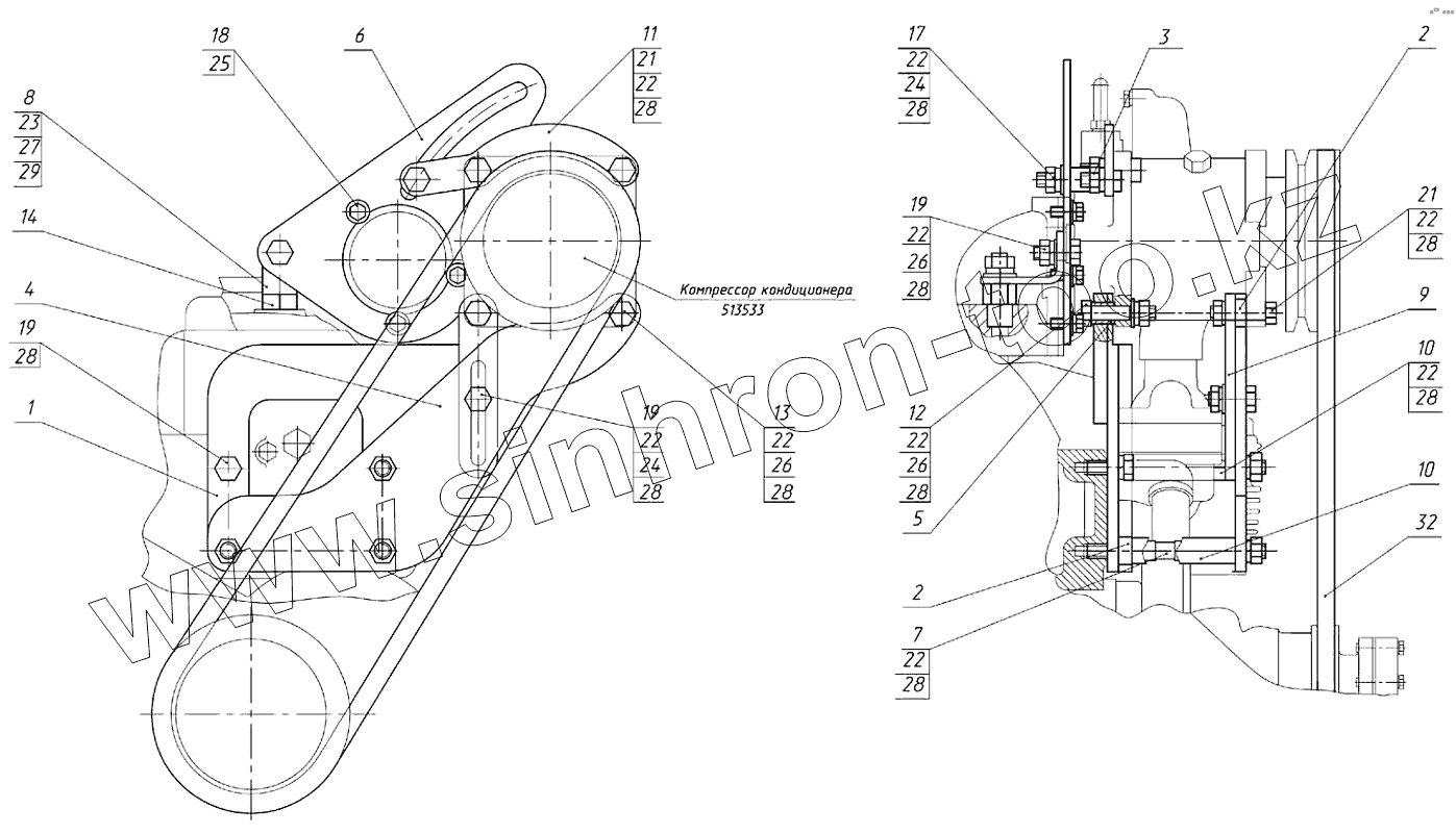
Позиция на иллюстрации
Заводской номер детали
Название детали
950-8114010
950-8114010
Компрессор кондиционера
1
950-8114020
Пластина
2
950-8114011
Втулка
3
950-8114011-01
Втулка
4
950-8114012
Пластина
5
950-8114013
Втулка
6
950-8114014
Сектор
7
950-8114015
Шпилька
8
950-8114017
Уголок
9
950-8114018
Планка
10
950-8114019
Шпилька
11
950-8114031
Рычаг
12
950-8114032
Болт
13
950-8114032-01
Болт
14
1025-8114016
Переходник
17
М10-6gх70.88.35.019
Болт
18
М8-6gх20.88.35.019
Болт
19
М10-6gх25.88.35.019
Болт
21
М10-6gх40.88.35.019
Болт
22
М10-6Н.04.019
Гайка
23
М12-6Н.6.019
Гайка
24
С10.01.019
Шайба
25
С.8.01.019
Шайба
26
С.10.01.019
Шайба
27
С.12.01.019
Шайба
28
10.ОТ
Шайба
29
12.ОТ
Шайба
32
AVX13-1200
Ремень
Содержащиеся в справочниках-каталогах запасные части и детали не предлагаются к продаже, а носят исключительно информационный характер
Дополнительная информация
×
Название:
Номер:
Примечание: