Вернуться на главную
Поиск
Каталоги запчастей к технике
Сельхозтехника
МТЗ
922.5
Установка топливного фильтра
Каталог запасных частей к технике: МТЗ 922.5. Установка топливного фильтра
zoom-in
zoom-out
enlarge
shrink
circle-right
circle-left
file-text2
info
cart
Тип техники
Не выбрано
Легковые автомобили
Грузовые автомобили и прицепы
Автобусы
Сельхозтехника
Спецтехника
Двигатели
Мототехника
Марка
Не выбрано
AGCO
Amity
CASE IH
DongFeng
Fortschritt
Foton
Franz Kleine
Gaspardo
Great Plains
KRONE
KUHN
Lemken
Lovol
MacDon
Massey Ferguson
New Holland
TIGARBO
Vaderstad
Versatile
Wirax
Агро
Агротехмаш
Бобруйскагромаш (ОАО «УКХ «Бобруйскагромаш»)
БЭМЗ
ВгТЗ
Воронежсельмаш
ВТЗ
Гомсельмаш
ДКЗ
ЗАО "Техника-сервис"
ЗиД
КЗК
Кировец-Ландтехник
Клевер
Красная Звезда
Лидагропроммаш
Лидсельмаш
ЛТЗ
Машстройхолдинг
Минитракторы
Мордовагромаш
МТЗ
Навигатор-Новое машиностроение
Нефтекамский автозавод
ПТЗ
Ремком
РСМ
Сибсельмаш
ТеКЗ
ТКЗ
ХЗТСШ
ХТЗ
ЮМЗ
Модель
Не выбрано
1025.5 (2013)
1025/1025.2/1025.3 (2009)
1220 (2011)
1220.5 (2013)
1523.5 (2013)
1523.5 с ГМТ (2014)
2122.3/2122.4 (2015)
3022ДЦ.1 (2011)
320.4М (2019)
622 (2012)
800/900 (2003)
80Х (2012)
892 (2011)
922.3 / 922.4 (2013)
922.5 (2013)
923.4 (2014)
923.5 (2013)
92П (2010)
952.5 (2013)
БЕЛАРУС 1025.7 (2022)
БЕЛАРУС 1220.7 (2022)
БЕЛАРУС 1221.7 (2022)
БЕЛАРУС 2103 (2015)
БЕЛАРУС 320 (1998)
БЕЛАРУС 3522.5 (2013)
БЕЛАРУС 3525 (2019)
БЕЛАРУС 421 (2014)
БЕЛАРУС 451 (2023)
БЕЛАРУС 651 (2023)
БЕЛАРУС 923.7 (2022)
БЕЛАРУС 952.7 (2022)
Беларус-08Н (09Н) (2015)
Беларус-422.1 (2018)
КБ-00.000 (САЗ) (2015)
КМ-2 (САЗ) (2015)
МТЗ-082
МТЗ-100
МТЗ-1005 (2008)
МТЗ-1021.3 (2010)
МТЗ-1025.4 (2009)
МТЗ-112Н, 132Н (2010)
МТЗ-1221 (1997)
МТЗ-1221 (2009) (2009)
МТЗ-1221.4 (2009)
МТЗ-1221.4 (2009)
МТЗ-1221.5 (2013)
МТЗ-1222/1523 (2009)
МТЗ-1522 (2008)
МТЗ-1523
МТЗ-1523 (2013)
МТЗ-1523 (2008) (2008)
МТЗ-1523.4 (2010)
МТЗ-1523.6 (2018)
МТЗ-2022 (2010)
МТЗ-2103 (2010)
МТЗ-2522 (2010)
МТЗ-310, 320, 321 (2011)
МТЗ-3522 (2011)
МТЗ-510/512, 520/522 (2010)
МТЗ-570 (2010)
МТЗ-80 (1998)
МТЗ-80 (2002) (2002)
МТЗ-80 (2009) (2009)
МТЗ-80.1 (2015)
МТЗ-821/921 (2009)
МТЗ-822 (2008)
МТЗ-826 (2010)
МТЗ-90/92 (2008)
МТЗ-900
МТЗ-900/920/950/952 (2009)
МТЗ-920.4/952.4 (2009)
МТЗ-922 (2008)
МТЗ-923 (2008)
ФР-00.010 (САЗ) (2015)
ФР-00700-Б (САЗ) (2015)
Схема
>
Не выбрано
Установка двигателя
Бак
Управление подачей топлива
Установка воздухоочистителя
Установка топливного фильтра
Установка бака системы SCR
Система подачи
Установка глушителя
Система подогрева бака
Блок охлаждения
Ограждение вентилятора
Установка охладителя
Установка сцепления 240-1005009-06
Корпус сцепления
Корпус сцепления
Корпус сцепления. Отводка.
Корпус сцепления (привод ВОМ, привод насоса гидросистемы навески)
Корпус сцепления. Привод ВОМ. (nдв=1800 об/мин)
Управление сцеплением
Цилиндр главный
Бачок
Цилиндр рабочий
Маркировка исполнения КП
Синхронизированный понижающий редуктор/ синхронизированный ускоритель
Управление синхронизированным редуктором/ускорителем
Синхронизированный реверс-редуктор
Управление синхронизированным реверс-редуктором
Корпус КП. Привод ПВМ
Вал первичный и Вал вторичный синхро-КП
Вал I передачи и заднего хода
Вал промежуточный. Вал внутренний
Механизм управления синхронизированной КП. Корпус вилок.
Механизм 2-х рычажного управления КП
Раздаточная коробка
Управление раздаточной коробкой
Карданный вал. Промежуточная опора карданного вала.
Ограждение карданного привода
Передний ведущий мост 822-2300020
Шестерня
Дифференциал
Редуктор конечной передачи переднего ведущего моста
Задний мост. Корпус заднего моста
Дифференциал. Главная передача. Стакан подшипников. Крышка стакана
Переключение BOM (независимый/синхронный)
Установка горловины заливной
Механизм блокировки дифференциала
Муфта блокировки дифференциала «мокрая»
Полурама
Тяга рулевая
Колеса передние ведущие
Колеса передние ведущие
Колеса передние ведущие
Колеса задние ведущие. Ступицы задних колес
Ступица колеса
Колонка рулевая
Кардан
Управление рулевое
Гидроцилиндр Ц63 (63x30-200)
Бак
Тормоза
Управление тормозами
Тормоз стояночно-запасной, управление стояночно-запасным тормозом
Тормоза рабочие «мокрого» типа
Управление СЗТ для тормозов рабочих «мокрого» типа
Пневмопривод 923-3506505-04/-05
Пневмопривод 922-3506705/-01
Баллон
Кран тормозной
Кран тормозной
Головка соединительная
Головка соединительная
Компрессор
Установка заглушки (для тракторов без пневмокомпрессора)
Электрооборудование двигателя
Электрооборудование трансмиссии
Электрооборудование кабины
Установка фар дорожных
Установка фар рабочих
Установка фонарей передних
Установка фонарей задних
Установка батарей аккумуляторных
Электрооборудование отопителя
Блок коммутации
Щиток приборов
Установка щитка приборов
Установка щитка приборов
Привод насоса
Механизм задней навески (с гидроподъемником)
Стяжка телескопическая
Гидросистема
Муфта быстросоединяемая
Бак масляный
Цилиндр гидроподъемника
Цилиндр гидроподъемника
Распределитель гидроподъемника
Управление гидроподъемником
Гидроподъемник
Гидрораспределитель РП70
Установка стеклоочистителя переднего
Установка стеклоочистителя заднего
Установка стеклоомывателя
Кабина
Кабина (крылья задние)
Кабина (облицовка)
Облицовка
Двери кабины
Сиденье оператора
Установка отопителя 921-8100005
Установка отопителя 921-8100005 (продолжение)
Установка вентилятора 921-8100005-01
Отопитель 921-8101700/ короб 921-8101700-01
Трасса шлангов отопителя 822-8101020
Трасса шлангов отопителя 822-8101020-01
Установка системы кондиционирования воздуха 822-8100005-02/-03
Установка конденсатора 1025-8112010
Компрессор кондиционера 950-8114010
Установка отопителя-охладителя 921-8101010/-01
Установка отопителя-охладителя 921-8101010/-01 (продолжение)
Зеркало внутреннее
Зеркало наружное
Козырек противосолнечный
Облицовка
Облицовка (продолжение)
Крылья передние
Крылья передние (для ПВМ 822-2300020-04 с короткими рукавами)
Подножка
Управление БД и ПВМ (922-8700310-Д)
Управление двигателем (922.5-8700910-Е)
Тягово-сцепное устройство
Тягово-сцепное устройство (варианты комплектации)
Балласт
Вал отбора мощности задний
Управление задним ВОМ, гидропривод управление АБД и ВОМ
Плита гидропривода
Инструмент оператора
Аптечка
Ящик инструментальный
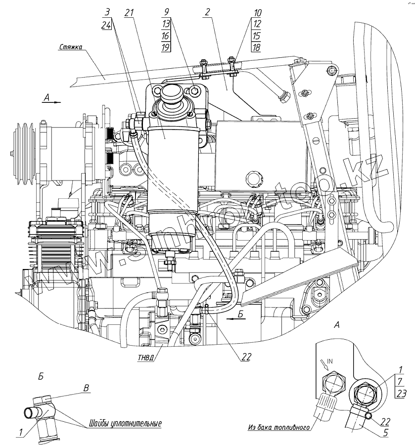
1
1
2
3
5
7
9
10
12
13
15
16
18
19
21
22
22
23
24
Позиция на иллюстрации
Заводской номер детали
Название детали
922-1117100-02
922-1117100-02
Установка топливного фильтра
1
Ф80-3407720
Маслопровод
2
922-1117111
Кронштейн
3
1221-1101492
Штуцер
5
920-1101162-02
Трубка
7
Д18-051
Болт
9
М10-6gх65.88.35.019
Болт
10
М8-6gх45.88.35.019
Болт ГОСТ 7796-70
12
М8-6Н.6.019
Гайка
13
М10-6Н.6.019
Гайка
15
С8.01.019
Шайба
16
С10.01.019
Шайба
18
Шайба8Т
Шайба 8Т
19
Шайба10.ОТ
Шайба
21
2706660462281
Фильтр предварительный
22
TORRO12-20,9-C6W
Хомут
23
ШайбаРМ14
Шайба
24
ШайбаРМ3,8
Шайба
Содержащиеся в справочниках-каталогах запасные части и детали не предлагаются к продаже, а носят исключительно информационный характер
Дополнительная информация
×
Название:
Номер:
Примечание: