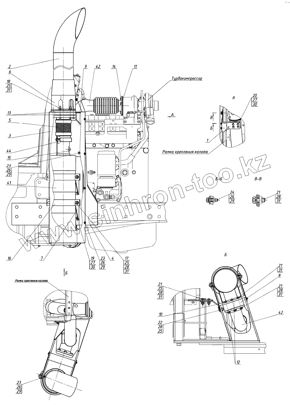
Каталог запасных частей к технике: МТЗ 922.5. Установка глушителя
1
2
3
4
5
6
7
8
9
10
11
12
13
14
15
16
17
18
19
20
21
21
21
21
22
23
23
23
24
25
25
25
25
26
26
26
26
27
27
28
28
28
28
28
29
29
29
29
30
30
31
31
31
31
31
31
41
42
42
44
| Позиция на иллюстрации | Заводской номер детали | Название детали | |
|---|---|---|---|
| 922.5-1205005-В | 922.5-1205005-В | Установка глушителя | |
| 1 | 922.5-1205010 | Кронштейн | |
| 2 | 922.5-1205115 | Труба глушителя | |
| 3 | 922.5-1205700 | Ограждение | |
| 4 | 922.5-1205835 | Установка кронштейна | |
| 5 | 1220.5-1205110 | Компенсатор | |
| 6 | 2022.5-1205020 | Ограждение | |
| 7 | 1220.5Р-1205020-В | Кронштейн нейтрализатора | |
| 8 | 922.5-1205001 | Проставка | |
| 9 | 922.5-1205011 | Крышка | |
| 10 | 922.5-1201001 | Кронштейн | |
| 11 | 921-1205004 | Прокладка | |
| 12 | 1220.5-1205001 | Прокладка | |
| 13 | 2022.5-1205001 | Прокладка | |
| 14 | 265-1205028 | Болт | |
| 15 | 70-3723042-02 | Втулка | |
| 16 | 1220.5Р-1205023-В | Хомут | |
| 17 | М10-6gх45.88.35.019 | Болт ГОСТ 7796-70 | |
| 18 | М10-6gх65.88.35.019 | Болт | |
| 19 | М8-6gх20.88.35.019 | Болт | |
| 20 | М8-6gх25.88.35.019 | Болт | |
| 21 | М10-6gх25.88.35.019 | Болт | |
| 22 | М10-6gх30.88.35.019 | Болт ГОСТ 7796-70 | |
| 23 | М6-6gх12.88.35.019 | Болт ГОСТ 7796-70 | |
| 24 | М6-6gх25.88.35.019 | Болт ГОСТ 7798-70 | |
| 25 | М10-6Н.6.019 | Гайка | |
| 26 | С.6.01.019 | Шайба | |
| 27 | С.8.01.019 | Шайба | |
| 28 | С.10.01.019 | Шайба | |
| 29 | Шайба6Т | Шайба | |
| 30 | Шайба8Т | Шайба 8Т | |
| 31 | Шайба10.ОТ | Шайба | |
| 41 | РКа245.2-1206010 | Нейтрализатор | |
| 42 | 59290 | Труба | |
| 44 | 44805 | Хомут соединительный |
Содержащиеся в справочниках-каталогах запасные части и детали не предлагаются к продаже, а носят исключительно информационный характер