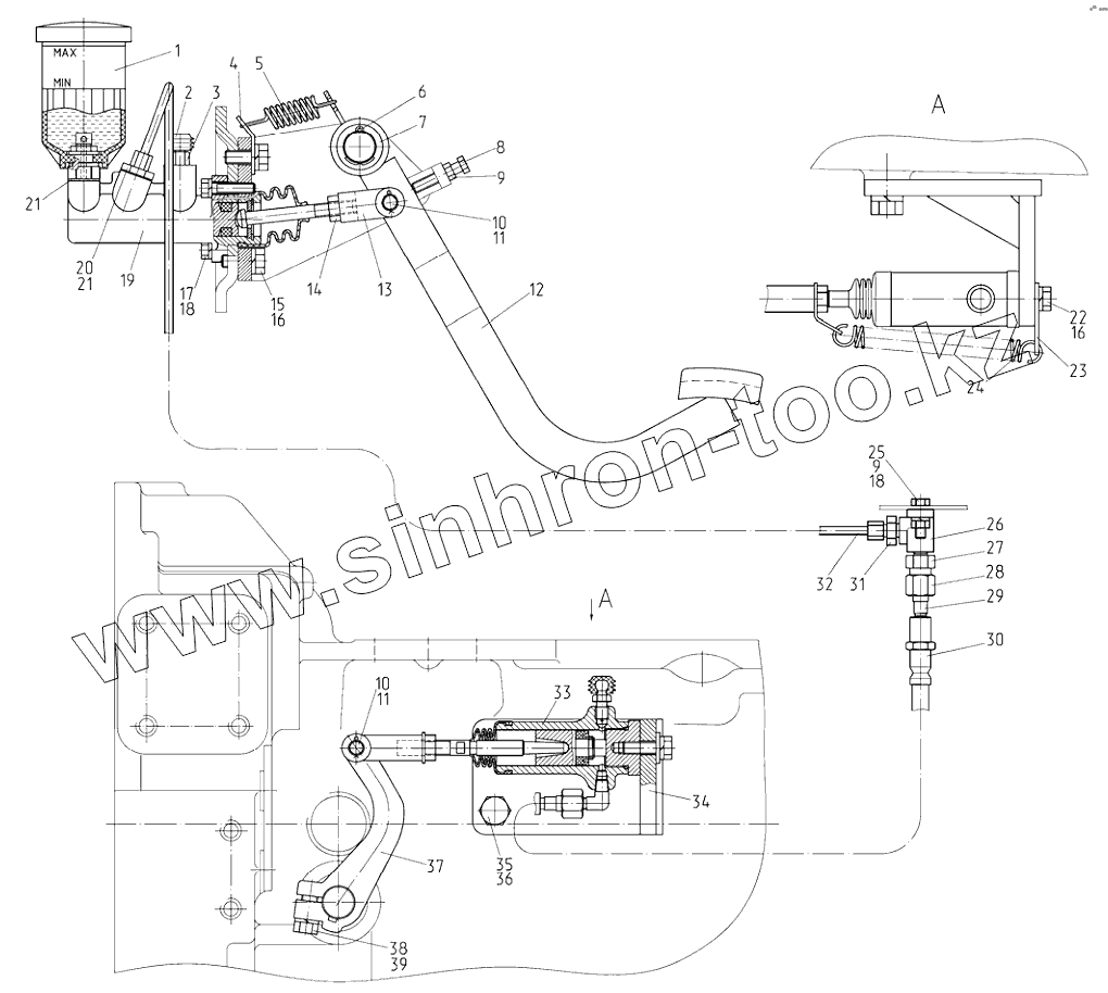
Каталог запасных частей к технике: МТЗ 922.5. Управление сцеплением
1
2
3
4
5
6
7
8
9
9
10
10
11
11
12
13
14
15
16
16
17
18
18
19
20
21
21
22
23
24
25
26
27
28
29
30
31
32
33
34
35
36
37
38
39
| Позиция на иллюстрации | Заводской номер детали | Название детали | |
|---|---|---|---|
| 822-1602010 | 822-1602010 | Управление сцеплением | |
| 1 | 822-1602120 | Бачок | |
| 2 | 142-1602377 | Колпачок | |
| 3 | 1522-1602371 | Клапан перепускной | |
| 4 | 80-1602116 | Ушко | |
| 5 | 70-4616033зам | Пружина | |
| 6 | 4х36.019 | Шплинт | |
| 7 | 50-3406037 | Шайба упорная | |
| 8 | М8-6gх40.88.35.019 | Болт | |
| 9 | М8-6Н.6.019 | Гайка | |
| 10 | 3,2х18.019 | Шплинт | |
| 11 | Палец12х32 | Палец | |
| 12 | 822-1602020 | Педаль | |
| 13 | 822-3502203 | Вилка | |
| 14 | М10-6Н.6.019 | Гайка | |
| 15 | М10-6gх25.88.35.019 | Болт | |
| 16 | Шайба10.ОТ | Шайба | |
| 17 | М8-6gх35.88.35.019 | Болт | |
| 18 | Шайба8Т | Шайба 8Т | |
| 19 | S73067386 | Цилиндр «CARLISLE» | |
| 20 | 822-3503083 | Штуцер | |
| 21 | Д18-055-А | Шайба | |
| 22 | М10-6gх30.88.35.019 | Болт ГОСТ 7796-70 | |
| 23 | 923-1602116 | Ушко | |
| 24 | 70-4803019 | Пружина | |
| 25 | М8-6gх25.88.35.019 | Болт | |
| 26 | 80В-1602106-Б | Угольник | |
| 27 | 822-3503155 | Штуцер | |
| 28 | Д80-4607212 | Гайка | |
| 29 | 923-3503221 | Ниппель | |
| 30 | 2022-1602200-01 | Рукав гибкий сцепления | |
| 31 | 822-3503701 | Штуцер | |
| 32 | 922-1602180 | Маслопровод | |
| 33 | 822-1602550-Б | Цилиндр рабочий | |
| 34 | 921-1602060 | Кронштейн | |
| 35 | М16-6gх32.88.35.019 | Болт | |
| 36 | Шайба16.ОТ | Шайба | |
| 37 | 80-1601219-Б | Рычаг | |
| 38 | М12-6gх35.88.35.019 | Болт | |
| 39 | Шайба12.ОТ | Шайба |
Содержащиеся в справочниках-каталогах запасные части и детали не предлагаются к продаже, а носят исключительно информационный характер