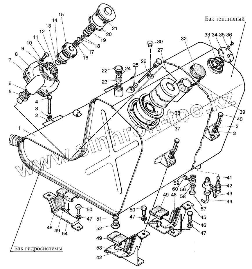
Каталог запасных частей к технике: МТЗ 922.5. Бак
1
2
2
3
3
4
5
6
7
8
9
10
11
12
13
14
15
16
17
18
19
20
21
22
23
24
25
26
27
27
27
30
32
33
34
35
36
37
38
39
40
41
42
42
43
44
45
46
47
47
47
48
48
49
49
49
50
50
51
52
53
54
56
57
58
59
60
| Позиция на иллюстрации | Заводской номер детали | Название детали | |
|---|---|---|---|
| 822-1101600-01 | 822-1101600-01 | Бак | |
| 1 | 822-1101010 | Бак | |
| 2 | С10.01.019 | Шайба | |
| 3 | Шайба10.ОТ | Шайба | |
| 4 | М10-6gх75.88.35.019 | Болт | |
| 5 | 85-4607034 | Штуцер | |
| 6 | 027-032-30-1-4 | Кольцо | |
| 7 | 822-4608112 | Прокладка | |
| 8 | 822-4608111 | Крышка | |
| 9 | 822-4608032 | Кольцо | |
| 10 | Шайба8Т | Шайба 8Т | |
| 11 | М8-6gх20.88.35.019 | Болт | |
| 12 | В.М6-6gх40.58.019 | Винт | |
| 13 | 8.20.004 | Клапан | |
| 14 | 822-4608042 | Кольцо | |
| 15 | 822-4608041 | Клапан | |
| 16 | 8.20.002 | Пружина | |
| 17 | 8.20.005 | Шайба опорная | |
| 18 | М6-6Н.6.019 | Гайка | |
| 19 | 80-4608057 | Пружина | |
| 20 | 066-071-30-1-4 | Кольцо | |
| 21 | 822-4608031 | Корпус | |
| 22 | 50-4608059 | Пробка сапуна | |
| 23 | 50-4608063 | Фильтр | |
| 24 | 50-4608062 | Шайба сапуна | |
| 25 | 011-015-25-2-4 | Кольцо | |
| 26 | 70-4608065-А | Масломер | |
| 27 | ФЭГЗ-25 | Элемент фильтрующий | |
| 27 | ЭФОМ635-1-06 | Элемент фильтрующий ЭФОМ 635-1-06 | |
| 30 | КГ1,8dm | Пробка | |
| 32 | 082-1103010 | Пробка | |
| 33 | 200-3808026 | Прокладка | |
| 34 | ДОТ.590Ч-01 | Датчик объёма топлива | |
| 35 | 80-1101067 | Шайба | |
| 36 | В.М5-6gх35.58.019 | Винт | |
| 37 | 042-050-46-2-4 | Кольцо | |
| 38 | 822-4608020-А | Корпус фильтра | |
| 39 | 36-1101070 | Цепочка | |
| 40 | М10-6gх45.88.35.019 | Болт ГОСТ 7796-70 | |
| 41 | 11.112-100 | Шарик ГОСТ 3722-81 | |
| 42 | 822-1101081 | Штуцер | |
| 43 | ПП6-0-1 | Кран | |
| 44 | 920-1101250-01 | Топливопровод | |
| 45 | 822-1101155 | Кронштейн | |
| 46 | М12-6gх40.88.35.019 | Болт ГОСТ 7796-70 | |
| 47 | Шайба12.ОТ | Шайба | |
| 48 | ПР-43-02 | Прокладка | |
| 49 | ПР-43 | Уплотнитель | |
| 50 | М12-6gх30.88.35.019 | Болт | |
| 51 | 017-022-30-1-4 | Кольцо | |
| 52 | 50-4608027-В | Пробка | |
| 53 | 822-1101145 | Кронштейн | |
| 54 | 822-1101135-01 | Кронштейн правый | |
| 55 | 822-1101135 | Кронштейн левый | |
| 56 | Ф80-3407720 | Маслопровод | |
| 57 | Д18-051 | Болт | |
| 58 | РМ-14 | Шайба | |
| 59 | 920-1101162-09 | Трубка | |
| 60 | 12-22 | Хомут |
Содержащиеся в справочниках-каталогах запасные части и детали не предлагаются к продаже, а носят исключительно информационный характер