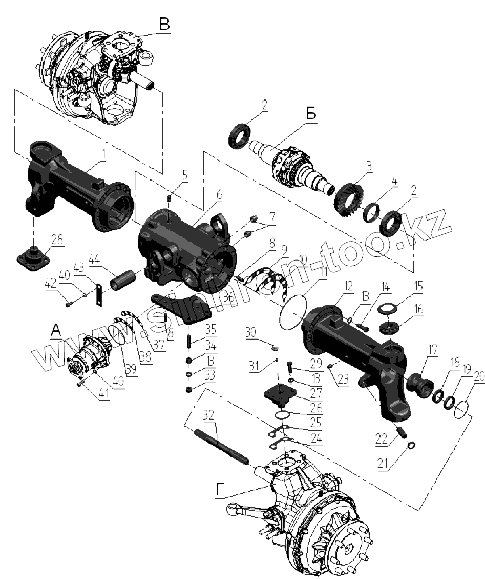
Каталог запасных частей к технике: МТЗ 922.3 / 922.4. Передний ведущий мост 822-2300020
А
Б
В
Г
1
1
1
2
2
3
4
5
6
7
8
8
9
10
11
12
12
12
13
13
13
14
15
16
17
18
19
20
21
22
23
24
25
26
27
28
29
30
31
32
32
32
33
34
35
36
36
36
37
38
39
40
40
41
42
43
44
| Позиция на иллюстрации | Заводской номер детали | Название детали | |
|---|---|---|---|
| 822-2300020-02 | 822-2300020-02 | Передний ведущий мост в сборе | |
| 822-2300020-04 | 822-2300020-04 | Передний ведущий мост в сборе | |
| А | 52-2302010 | Шестерня ведущая в сборе | |
| Б | 52-2303010-Б-01 | Дифференциал | |
| В | 822-2308005 | Редуктор левый | |
| Г | 822-2308005-01 | Редуктор правый | |
| 1 | 822-2301051-01 | Рукав | |
| 1 | 822-2301051 | Рукав | |
| 2 | 263212А | Подшипник | |
| 3 | 52-2302019 | Шестерня ведомая | |
| 4 | 52-2302038-A1 | Гайка | |
| 5 | MINTOR-TSS0G-1/8dm | Сапун | |
| 6 | 72-2301055 | Корпус | |
| 7 | ПККГ3/4dm | Пробка | |
| 8 | Д01-015 | Штифт установочный | |
| 9 | 52-2303027 | Прокладка регулировочная В = 0,5 мм (подбираются при регулировке подшипников) | |
| 10 | 52-2303028 | Прокладка регулировочная В = 0,2 мм (подбираются при регулировке подшипников) | |
| 11 | 150-155-36-1-4 | Кольцо | |
| 12 | 822-2301053-01 | Рукав | |
| 12 | 822-2301053 | Рукав | |
| 13 | Шайба16.ОТ | Шайба | |
| 14 | М16-6gх45.88.35.019 | Болт | |
| 15 | 1520-2308039 | Стакан | |
| 16 | 1027307А(31307) | Подшипник | |
| 17 | 822-2308100 | Обойма | |
| 18 | 1.2-38х58-1 | Манжета | |
| 19 | 2.2-38х58-1 | Манжета | |
| 20 | 075-080-30-1-4 | Кольцо | |
| 21 | 85-3407113 | Гайка | |
| 22 | 1520-2308009 | Винт | |
| 23 | ПККГ3/8dm | Пробка | |
| 24 | 52-2302021 | Прокладка регулировочная В = 0,5 мм | |
| 25 | 52-2302022 | Прокладка регулировочная В = 0,2 мм | |
| 26 | 055-063-46-1-4 | Кольцо | |
| 27 | 1520-2308037 | Ось | |
| 28 | 1520-2308037-01 | Ось | |
| 29 | М16-6gх40.88.35.019 | Болт | |
| 30 | 85-4607447 | Колпачок | |
| 31 | 1.3.Ц9.хр | Масленка | |
| 32 | 822-2308065-01 | Вал | |
| 32 | 822-2308065 | Вал | |
| 33 | М16-6Н.6.019 | Гайка | |
| 34 | 1520-2308077 | Втулка | |
| 35 | 1520-2308079 | Шпилька | |
| 36 | 922-2301023-Б-01 | Кронштейн цилиндра | |
| 36 | 822-2301023-Б-01 | Кронштейн | |
| 37 | 1520-2308042 | Прокладка регулировочная | |
| 38 | 1520-2308042-01 | Прокладка регулировочная | |
| 39 | 089-095-36-1-4 | Кольцо | |
| 40 | Шайба12.ОТ | Шайба | |
| 41 | М12-6gх30.88.35.019 | Болт | |
| 42 | М12-6gх25.88.35.019 | Болт ГОСТ 7796-70 | |
| 43 | 72-2301059-A1 | Планка | |
| 44 | 52-2301058-A4 | Ось |
Содержащиеся в справочниках-каталогах запасные части и детали не предлагаются к продаже, а носят исключительно информационный характер