Каталог запасных частей к технике: МТЗ 922.3 / 922.4. Кабина (крылья задние)
1
2
3
4
4
4
5
5
5
6
6
6
6
7
7
7
7
7
8
8
8
8
8
8
8
9
10
11
12
13
14
15
16
17
18
19
19
20
21
21
21
21
21
22
22
23
23
23
24
24
25
25
26
27
28
29
30
31
32
33
34
35
36
37
37
37
38
39
40
41
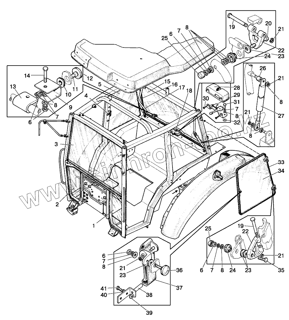
| Позиция на иллюстрации | Заводской номер детали | Название детали | |
|---|---|---|---|
| 1 | 822-6703013 | Стекло левое | |
| 2 | 822-6703013-01 | Стекло правое | |
| 3 | 822-6703012 | Стекло | |
| 4 | 822-6708150-01 | Фиксатор правый | |
| 4 | 822-6708150 | Фиксатор левый | |
| 5 | 822-6708900-01 | Стекло правое | |
| 5 | 822-6708900 | Стекло левое | |
| 6 | М8-6Н.6.019 | Гайка | |
| 7 | Шайба8Т | Шайба 8Т | |
| 8 | С8.01.019 | Шайба | |
| 9 | 822-6708211 | Кронштейн | |
| 10 | 2522-6105019 | Прокладка | |
| 11 | 80-6708965 | Винт | |
| 12 | 80-6708904-Б | Прокладка | |
| 13 | A30.04.051 | Хомут | |
| 14 | М8-6gх40.88.35.019 | Болт | |
| 15 | 822-6708951 | Стекло | |
| 16 | F-202-06 | Профиль | |
| 17 | 822-6708215 | Дуга | |
| 18 | 822-6708212 | Палец | |
| 19 | 822-6700011 | Палец | |
| 20 | М8-6gх55.88.35.019 | Болт | |
| 21 | 5.65Г.07.6 | Шайба | |
| 22 | 80-6708902 | Петля | |
| 23 | 80-6708904 | Прокладка | |
| 24 | 80-6708903 | Втулка | |
| 25 | A30.04.017-02 | Колпачок | |
| 26 | A37.01.041 | Втулка | |
| 27 | 21054 | Пневмоподъемник | |
| 28 | 822-6708279 | Крышка | |
| 29 | 822-6708270 | Замок | |
| 30 | В.М4-6gх10.58.019 | Винт | |
| 31 | М8-6gх25.88.35.019 | Болт | |
| 32 | 80-6105171 | Шайба | |
| 33 | F-202-05 | Профиль | |
| 34 | 822-6708111 | Стекло | |
| 35 | М8-6gх30.88.35.019 | Болт | |
| 36 | 80-6708975 | Винт | |
| 37 | 2522-6708160-01 | Рукоятка правая | |
| 37 | 2522-6708160 | Рукоятка левая | |
| 38 | 822-6708155-Б | Кронштейн | |
| 39 | С6.01.019 | Шайба | |
| 40 | Шайба6Т | Шайба | |
| 41 | М6-6gх14.88.35.019 | Болт ГОСТ 7798-70 |
Содержащиеся в справочниках-каталогах запасные части и детали не предлагаются к продаже, а носят исключительно информационный характер