Вернуться на главную
Поиск
Каталоги запчастей к технике
Сельхозтехника
МТЗ
892
Электрооборудование отопителя
Каталог запасных частей к технике: МТЗ 892. Электрооборудование отопителя
zoom-in
zoom-out
enlarge
shrink
circle-right
circle-left
file-text2
info
cart
Тип техники
Не выбрано
Легковые автомобили
Грузовые автомобили и прицепы
Автобусы
Сельхозтехника
Спецтехника
Двигатели
Мототехника
Марка
Не выбрано
AGCO
Amity
CASE IH
DongFeng
Fortschritt
Foton
Franz Kleine
Gaspardo
Great Plains
KRONE
KUHN
Lemken
Lovol
MacDon
Massey Ferguson
New Holland
TIGARBO
Vaderstad
Versatile
Wirax
Агро
Агротехмаш
Бобруйскагромаш (ОАО «УКХ «Бобруйскагромаш»)
БЭМЗ
ВгТЗ
Воронежсельмаш
ВТЗ
Гомсельмаш
ДКЗ
ЗАО "Техника-сервис"
ЗиД
КЗК
Кировец-Ландтехник
Клевер
Красная Звезда
Лидагропроммаш
Лидсельмаш
ЛТЗ
Машстройхолдинг
Минитракторы
Мордовагромаш
МТЗ
Навигатор-Новое машиностроение
Нефтекамский автозавод
ПТЗ
Ремком
РСМ
Сибсельмаш
ТеКЗ
ТКЗ
ХЗТСШ
ХТЗ
ЮМЗ
Модель
Не выбрано
1025.5 (2013)
1025/1025.2/1025.3 (2009)
1220 (2011)
1220.5 (2013)
1523.5 (2013)
1523.5 с ГМТ (2014)
2122.3/2122.4 (2015)
3022ДЦ.1 (2011)
320.4М (2019)
622 (2012)
800/900 (2003)
80Х (2012)
892 (2011)
922.3 / 922.4 (2013)
922.5 (2013)
923.4 (2014)
923.5 (2013)
92П (2010)
952.5 (2013)
БЕЛАРУС 1025.7 (2022)
БЕЛАРУС 1220.7 (2022)
БЕЛАРУС 1221.7 (2022)
БЕЛАРУС 2103 (2015)
БЕЛАРУС 320 (1998)
БЕЛАРУС 3522.5 (2013)
БЕЛАРУС 3525 (2019)
БЕЛАРУС 421 (2014)
БЕЛАРУС 451 (2023)
БЕЛАРУС 651 (2023)
БЕЛАРУС 923.7 (2022)
БЕЛАРУС 952.7 (2022)
Беларус-08Н (09Н) (2015)
Беларус-422.1 (2018)
КБ-00.000 (САЗ) (2015)
КМ-2 (САЗ) (2015)
МТЗ-082
МТЗ-100
МТЗ-1005 (2008)
МТЗ-1021.3 (2010)
МТЗ-1025.4 (2009)
МТЗ-112Н, 132Н (2010)
МТЗ-1221 (1997)
МТЗ-1221 (2009) (2009)
МТЗ-1221.4 (2009)
МТЗ-1221.4 (2009)
МТЗ-1221.5 (2013)
МТЗ-1222/1523 (2009)
МТЗ-1522 (2008)
МТЗ-1523
МТЗ-1523 (2013)
МТЗ-1523 (2008) (2008)
МТЗ-1523.4 (2010)
МТЗ-1523.6 (2018)
МТЗ-2022 (2010)
МТЗ-2103 (2010)
МТЗ-2522 (2010)
МТЗ-310, 320, 321 (2011)
МТЗ-3522 (2011)
МТЗ-510/512, 520/522 (2010)
МТЗ-570 (2010)
МТЗ-80 (1998)
МТЗ-80 (2002) (2002)
МТЗ-80 (2009) (2009)
МТЗ-80.1 (2015)
МТЗ-821/921 (2009)
МТЗ-822 (2008)
МТЗ-826 (2010)
МТЗ-90/92 (2008)
МТЗ-900
МТЗ-900/920/950/952 (2009)
МТЗ-920.4/952.4 (2009)
МТЗ-922 (2008)
МТЗ-923 (2008)
ФР-00.010 (САЗ) (2015)
ФР-00700-Б (САЗ) (2015)
Схема
>
Не выбрано
Установка стеклоочистителя
Установка стеклоомывателя
Кабина трактора. Крылья задние
Кабина трактора. Крылья задние (вариант)
Крыша
Крыша
Тент-каркас. Основание
Пол кабины
Двери кабины
Сиденье оператора
Сиденье оператора
Подвеска сиденья
Сиденье дополнительное
Отопитель
Отопитель (вариант)
Зеркало заднего вида внутреннее
Зеркало заднего вида боковое
Козырек противосолнечный
Облицовка
Облицовка
Облицовка
Облицовка
Крылья передние (для ПВМ 72-2300020-А)
Крылья передние (для ПВМ 72-2300020-А, вариант)
Крылья передние (для ПВМ 822-2300020-02 с удлиненными рукавами)
Крылья передние (для ПВМ 822-2300020-04 с короткими рукавами)
Подножка
Установка двигателя
Баки топливные (металлические)
Баки топливные (пластмассовые)
Управление подачей топлива 800-1108500
Управление подачей топлива 1221-1108005
Глушитель
Радиатор водяной
Шторка
Ограждение вентилятора
Установка сцепления 240-1005009-03, 240-1005009-06 Накладки МС - металлокерамика (по заказу)
Корпус сцепления
Корпус сцепления. Отводка.
Корпус сцепления (привод ВОМ, привод насоса гидросистемы навески)
Корпус сцепления. Привод ВОМ. (nдв=1800 об/мин)
Управление сцеплением
Механический понижающий редуктор/механический ускоритель
Синхронизированный понижающий редуктор
Управление механическим (синхронизированным) редуктором/ускорителем
Синхронизированный реверс-редуктор
Управление синхронизированным реверс-редуктором
Корпус КП. Привод ПВМ.
Вал первичный и вал вторичный механической КП
Вал 1-ой передачи и передачи заднего хода
Вал промежуточный. Вал внутренний.
Механизм управления механической КП. Корпус вилок
Механизм правого однорычажного управления КП
Раздаточная коробка
Управление раздаточной коробкой
Карданный вал. Промежуточная опора карданного вала
Ограждение карданного привода
Передний ведущий мост 72-2300020-А
Передний ведущий мост 822-2300020
Главная передача переднего ведущего моста
Дифференциал
Редуктор колесный
Редуктор конечной передачи переднего ведущего моста
Корпус заднего моста. Конечная передача
Дифференциал. Стакан подшипников
Механизм блокировки дифференциала
Устройство прицепное. Наладка «крюк»
Устройство прицепное. Наладка «маятник» и «прицеп»
Полурама
Устройство буксирное
Крюк прицепной гидрофицированный
Тяга рулевая
Колеса передние ведущие (для тракторов с ПВМ 72-2300020-А)
Колеса передние ведущие (для тракторов с ПВМ 822-2300020)
Колеса передние ведущие (для тракторов с ПВМ 822-2300020)
Колеса задние. Ступицы задних колес
Ступицы задних колес
Колонка рулевая
Арматура рулевого управления 900-3400010-02
Гидроцилиндр и арматура ГОРУ 900-3400010-02 (вариант с ПВМ 72-2300020-A)
Управление рулевое с педальным управлением блокировкой дифференциала заднего моста
Гидроцилиндр Ц63 и арматура ГОРУ
Гидроцилиндр Ц63
Гидроцилиндр 50x25-200
Тормоза. Управление тормозами
Тормоз стояночно-запасной. Управление стояночно-запасным тормозом
Трубопроводы и арматура однопроводного пневмопривода тормозов
Баллон
Кран тормозной
Компрессор
Электрооборудование двигателя
Электрооборудование трансмиссии
Электрооборудование кабины
Установка фар дорожных
Установка фар дорожных (950-3700020)
Установка фар рабочих
Установка фонарей передних
Установка фонарей передних
Установка фонарей задних
Установка батарей аккумуляторных (система запуска 12В)
Установка батарей аккумуляторных (система запуска 24В)
Электрооборудование отопителя
Установка маяка сигнального
Основание, приборы
Стенка, крышка
Вал отбора мощности задний
Вал отбора мощности боковой
Управление задним валом отбора мощности
Балласт
Балласт передний
Механизм задней навески (для тракторов с силовым регулятором)
Наружная блокировка нижних тяг
Механизм задней навески
Стяжка телескопическая
Гидросистема 952-4600010 Основная комплектация
Корпус гидросистемы 952-4600015-01
Гидросистема Р90-4600010 Основная комплектация
Корпус гидросистемы Р85-4600015-01
Корпус гидросистемы и фильтр
Гидрораспределитель РП70
Управление гидрораспределителем РП 70
Привод насоса
Муфта быстросоединяемая
Регулятор
Управление регулятором
Управление регулятором (ГНС со смешанным регулированием)
Переключатель (ГНС со смешанным регулированием)
Механизм фиксации
Управление блокировкой дифференциала
Инструмент оператора
Аптечка (по заказу)
Установка ящика инструментального
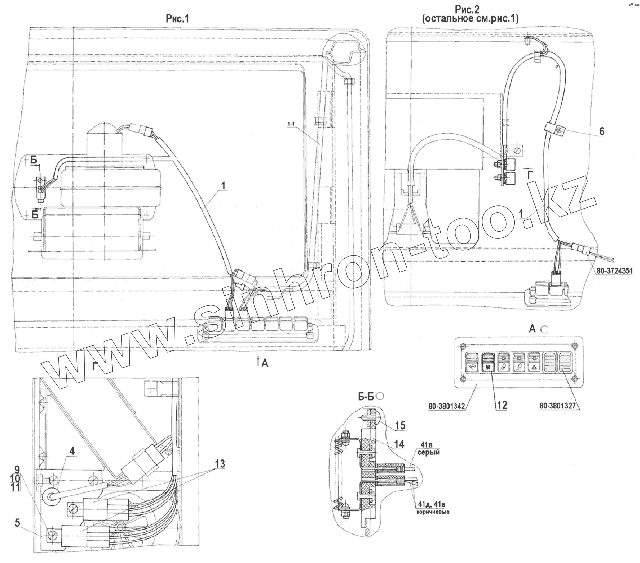
80-3801327
80-3801342
80-3724351
1
1
1
4
5
6
9
10
11
Позиция на иллюстрации
Заводской номер детали
Название детали
80-3700090-Ж
80-3700090-Ж
Электрооборудование отопителя
80-3700090-Ж-01
80-3700090-Ж-01
Электрооборудование отопителя
80-3801327
80-3801327
Заглушка
80-3801342
80-3801342
Щиток
80-3724351
80-3724351
Жгут
1
80-3724353-Г
Жгут
1
80-3724354
Жгут
4
70-3723042-01
Втулка
5
80-3747016
Кронштейн
6
1321-8700029
Хомут
9
В.М6-6gх12.58.019
Винт
10
М6-6Н.6.019
Гайка
11
Шайба6Т
Шайба
Содержащиеся в справочниках-каталогах запасные части и детали не предлагаются к продаже, а носят исключительно информационный характер
Дополнительная информация
×
Название:
Номер:
Примечание: