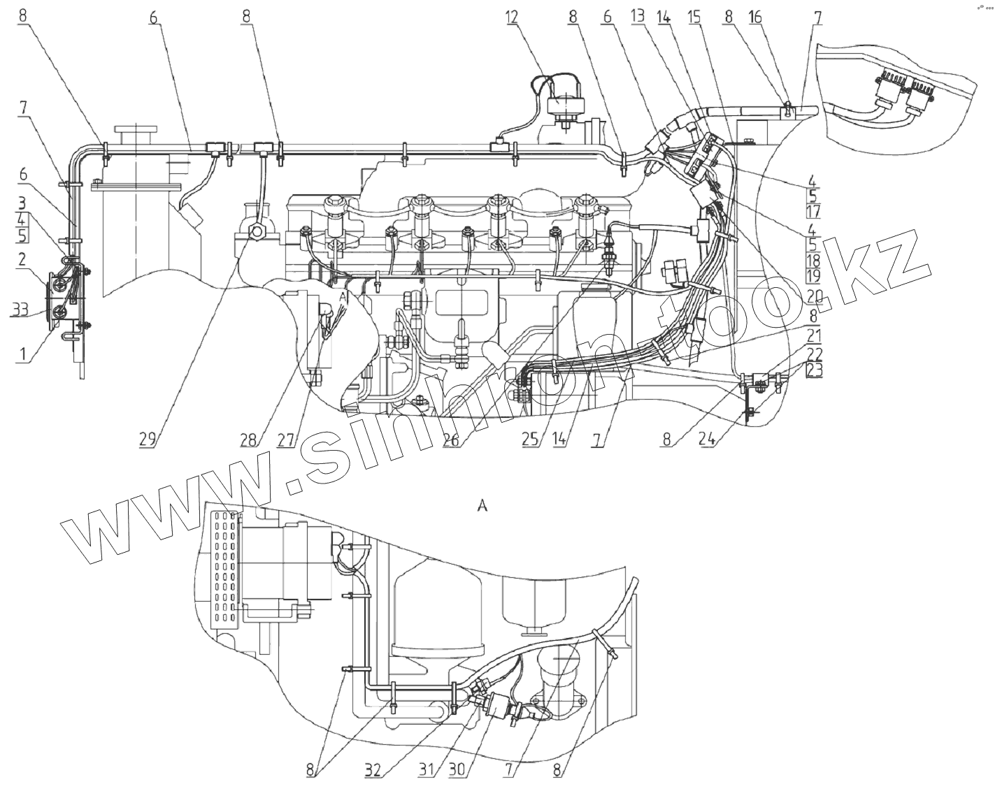
Каталог запасных частей к технике: МТЗ 892. Электрооборудование двигателя
1
2
3
4
4
4
5
5
5
6
6
6
7
7
7
7
7
8
8
8
8
8
8
8
8
12
13
14
14
15
16
17
18
19
20
21
22
23
24
25
26
27
28
29
30
31
32
33
| Позиция на иллюстрации | Заводской номер детали | Название детали | |
|---|---|---|---|
| 80-3700030-Г-03 | 80-3700030-Г-03 | Электрооборудование двигателя | |
| 80-3700030-Г-02 | 80-3700030-Г-02 | Электрооборудование двигателя | |
| 82П-3700030-04 | 82П-3700030-04 | Электрооборудование двигателя | |
| 82П-3700030-03 | 82П-3700030-03 | Электрооборудование двигателя | |
| 1 | 70-3723035 | Наконечник | |
| 2 | 3759.10 | Преобразователь напряжения | |
| 3 | М8-6gх16.88.35.019 | Болт | |
| 4 | М6-6Н.6.019 | Гайка | |
| 5 | Шайба6Т | Шайба | |
| 6 | 80-3724345-В | Жгут | |
| 7 | 80-3724360-Ж | Жгут | |
| 7 | 92П-3724360 | Жгут | |
| 8 | 70-3723045-01 | Манжета | |
| 12 | 3845.10 | Датчик засоренности воздухоочистителя (ДСФ-65) | |
| 13 | 3722.40 | Блок предохранителей (БП-11) | |
| 14 | 80-3724368-Б | Провод | |
| 15 | 80-3747021 | Кронштейн | |
| 16 | 80-3723016 | Кронштейн | |
| 17 | В.М6-6gх20.58.019 | Винт | |
| 18 | В.М6-6gх14.58.019 | Винт | |
| 19 | С6.01.019 | Шайба | |
| 20 | 3747.35 | Реле свечей накаливания | |
| 21 | 822-3723044 | Хомутик | |
| 22 | М8-6gх16.88.35.019 | Болт | |
| 23 | Шайба8Т | Шайба 8Т | |
| 24 | 70-4802060 | Кронштейн | |
| 25 | 80-3724381 | Провод | |
| 26 | 3828.10 | Датчик указателя температуры (ДУТЖ-02) | |
| 27 | М2-14.13.238 | Чехол | |
| 28 | ТМ-59-6000-38 | Наконечник резиновый | |
| 29 | 3844.10 | Датчик аварийной температуры | |
| 30 | 3829.10 | Датчик давления масла в двигателе (ДД-6М) | |
| 31 | 80-3829002 | Штуцер | |
| 32 | 3829.15 | Датчик аварийного давления Масла (ДАДМ-03) | |
| 33 | 3721.10 | Сигнал звуковой (20.3721-01) |
Содержащиеся в справочниках-каталогах запасные части и детали не предлагаются к продаже, а носят исключительно информационный характер