Каталог запасных частей к технике: МТЗ 800/900. Насос топливный высокого давления 4УТНИ (однорычажный)
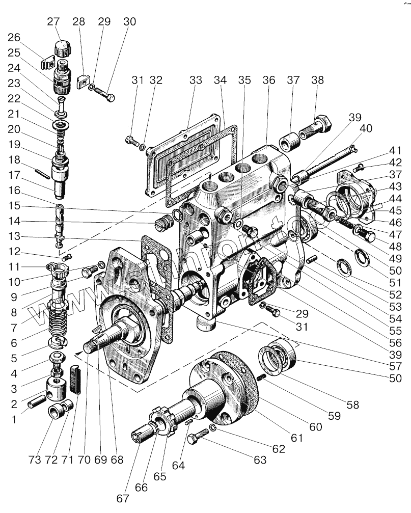
1
2
3
4
5
6
7
8
9
10
11
12
13
14
15
16
17
18
19
20
21
22
23
24
25
26
27
28
29
29
30
31
31
32
33
34
35
36
37
37
38
39
39
40
41
42
43
44
45
46
47
48
49
50
50
51
52
53
54
55
56
57
58
59
60
61
62
63
64
65
66
67
68
69
70
71
72
73
| Позиция на иллюстрации | Заводской номер детали | Название детали | |
|---|---|---|---|
| 4УТНИ-1111007-421 | 4УТНИ-1111007-421 | Насос топливный | |
| 4УТНИ-1111005-21 | 4УТНИ-1111005-21 | Насос топливный | |
| 16-С13-1Б | 16-С13-1Б | Клапан перепускной в сборе | |
| 4УТНИ-1111220 | 4УТНИ-1111220 | Клапан | |
| 4УТНМ-1111410-01 | 4УТНМ-1111410-01 | Плунжерная пара в сборе | |
| 4УТНМ-1111160-10 | 4УТНМ-1111160-10 | Фланец с заглушкой в сборе | |
| 4УТНИ-1111010 | 4УТНИ-1111010 | Насос топливный | |
| 4УТНМ-1111090-01 | 4УТНМ-1111090-01 | Толкатель в сборе | |
| 4УТНИ-Т-1111005-21 | 4УТНИ-Т-1111005-21 | Насос топливный | |
| 4УТНИ-1111007-521 | 4УТНИ-1111007-521 | Насос топливный | |
| 1 | 4УТНМ-1111266 | Ось | |
| 2 | 4УТНМ-1111262-01 | Корпус толкателя | |
| 3 | УТН-5-1111267 | Контргайка | |
| 4 | 4УТНМ-1111265 | Болт | |
| 5 | 4УТНМ-1111472 | Тарелка | |
| 6 | УТН-5-1111138 | Пружина | |
| 7 | УТН-5-1111473-А | Тарелка | |
| 8 | УТН-5-1111431-01 | Втулка | |
| 9 | М8x16 | Болт | |
| 10 | УТН-5-1110242-В | Шайба | |
| 11 | 4УТНМ-1111432-01 | Венец | |
| 12 | УТН-5-1111433-А | Винт | |
| 13 | 4УТНМ-1111483-01 | Прокладка | |
| 14 | УТН-5-1111023-А | Пробка | |
| 15 | УТН-5-1111519 | Кольцо | |
| 16 | 4УТНМ-1111422 | Плунжер | |
| 17 | 4УТНМ-1111425-01 | Втулка | |
| 18 | УТН-3-1111489 | Штифт | |
| 19 | УТНИ-1111226 | Седло | |
| 20 | УТНИ-1111224 | Клапан | |
| 21 | 4УТНИ-1111225 | Пружина | |
| 22 | 16-212-В1 | Прокладка | |
| 23 | 4УТНИ-1111487-01 | Прокладка | |
| 24 | 4УТНИ-1111486 | Вытеснитель | |
| 25 | УТНИ-1111485 | Штуцер | |
| 26 | УТН-3-1111478-А2 | Зажим | |
| 27 | 119-73-В | Колпачок (деталь технологическая) | |
| 28 | УТН-3-1111477-А2 | Зажим | |
| 29 | ШП6 | Шайба | |
| 30 | М6x30 | Болт | |
| 31 | М6x20 | Болт | |
| 32 | УТН-3-1111488-01 | Шайба | |
| 33 | УТН-5-1111475-А6 | Крышка | |
| 34 | УТН-5-1111476-А5 | Прокладка | |
| 35 | ОНМ-086-1 | Прокладка | |
| 36 | 4УТНМ-1111025-30 | Корпус насоса | |
| 37 | 119-85-1 | Втулка (деталь технологическая) | |
| 38 | А12.01.013-02 | Болт | |
| 39 | 4УТНМ-1111029 | Втулка | |
| 40 | 4УТНМ-1111350 | Рейка | |
| 41 | УТН-3-1111028-Г | Футорка | |
| 42 | ВМ6x12 | Винт | |
| 43 | 16-216-1 | Корпус | |
| 44 | 16-262 | Шарик | |
| 45 | УТН-5-1111451-И | Стакан | |
| 46 | 4УТНМ-1111213 | Прокладка регулировочная | |
| 47 | 16-057 | Пружина | |
| 48 | 16-218 | Пробка | |
| 49 | 16-219 | Прокладка | |
| 50 | 7204-К1 | Подшипник | |
| 51 | УТН-5-1111153 | Шайба | |
| 52 | УТН-5-1111154 | Шайба | |
| 53 | Д40-1110026 | Штифт | |
| 54 | ОНМ-019-2 | Болт | |
| 55 | УТН-3-1111022-Б | Футорка | |
| 56 | 16-148-Б | Прокладка | |
| 57 | УТН-3-1111026-А2 | Пробка | |
| 58 | 4УТНМ-1111244 | Пластина опорная | |
| 59 | 4УТНМ-1111243-10 | Пружина | |
| 60 | 4УТНМ-1111493-01 | Прокладка | |
| 61 | 4УТНМ-1111162-10 | Фланец | |
| 62 | ШП8 | Шайба | |
| 63 | М8x30 | Болт | |
| 64 | УТН-5-1111163 | Заглушка | |
| 65 | 4УТНМ-1111165 | Втулка | |
| 66 | ШП14 | Шайба | |
| 67 | 4УТНМ-1111144 | Гайка | |
| 68 | 4УТНМ-1111082-11 | Плита | |
| 69 | УТН-5-1111155 | Шпонка | |
| 70 | УТНИ-1111152 | Вал кулачковый | |
| 71 | 4УТНМ-1111426 | Фиксатор | |
| 72 | УТН-5-1111264 | Втулка | |
| 73 | УТН-5-1111263 | Ролик |
Содержащиеся в справочниках-каталогах запасные части и детали не предлагаются к продаже, а носят исключительно информационный характер