Вернуться на главную
Поиск
Каталоги запчастей к технике
Сельхозтехника
МТЗ
800/900
Бак масляный и фильтр
Каталог запасных частей к технике: МТЗ 800/900. Бак масляный и фильтр
zoom-in
zoom-out
enlarge
shrink
circle-right
circle-left
file-text2
info
cart
Тип техники
Не выбрано
Легковые автомобили
Грузовые автомобили и прицепы
Автобусы
Сельхозтехника
Спецтехника
Двигатели
Мототехника
Марка
Не выбрано
AGCO
Amity
CASE IH
DongFeng
Fortschritt
Foton
Franz Kleine
Gaspardo
Great Plains
KRONE
KUHN
Lemken
Lovol
MacDon
Massey Ferguson
New Holland
TIGARBO
Vaderstad
Versatile
Wirax
Агро
Агротехмаш
Бобруйскагромаш (ОАО «УКХ «Бобруйскагромаш»)
БЭМЗ
ВгТЗ
Воронежсельмаш
ВТЗ
Гомсельмаш
ДКЗ
ЗАО "Техника-сервис"
ЗиД
КЗК
Кировец-Ландтехник
Клевер
Красная Звезда
Лидагропроммаш
Лидсельмаш
ЛТЗ
Машстройхолдинг
Минитракторы
Мордовагромаш
МТЗ
Навигатор-Новое машиностроение
Нефтекамский автозавод
ПТЗ
Ремком
РСМ
Сибсельмаш
ТеКЗ
ТКЗ
ХЗТСШ
ХТЗ
ЮМЗ
Модель
Не выбрано
1025.5 (2013)
1025/1025.2/1025.3 (2009)
1220 (2011)
1220.5 (2013)
1523.5 (2013)
1523.5 с ГМТ (2014)
2122.3/2122.4 (2015)
3022ДЦ.1 (2011)
320.4М (2019)
622 (2012)
800/900 (2003)
80Х (2012)
892 (2011)
922.3 / 922.4 (2013)
922.5 (2013)
923.4 (2014)
923.5 (2013)
92П (2010)
952.5 (2013)
БЕЛАРУС 1025.7 (2022)
БЕЛАРУС 1220.7 (2022)
БЕЛАРУС 1221.7 (2022)
БЕЛАРУС 2103 (2015)
БЕЛАРУС 320 (1998)
БЕЛАРУС 3522.5 (2013)
БЕЛАРУС 3525 (2019)
БЕЛАРУС 421 (2014)
БЕЛАРУС 451 (2023)
БЕЛАРУС 651 (2023)
БЕЛАРУС 923.7 (2022)
БЕЛАРУС 952.7 (2022)
Беларус-08Н (09Н) (2015)
Беларус-422.1 (2018)
КБ-00.000 (САЗ) (2015)
КМ-2 (САЗ) (2015)
МТЗ-082
МТЗ-100
МТЗ-1005 (2008)
МТЗ-1021.3 (2010)
МТЗ-1025.4 (2009)
МТЗ-112Н, 132Н (2010)
МТЗ-1221 (1997)
МТЗ-1221 (2009) (2009)
МТЗ-1221.4 (2009)
МТЗ-1221.4 (2009)
МТЗ-1221.5 (2013)
МТЗ-1222/1523 (2009)
МТЗ-1522 (2008)
МТЗ-1523
МТЗ-1523 (2013)
МТЗ-1523 (2008) (2008)
МТЗ-1523.4 (2010)
МТЗ-1523.6 (2018)
МТЗ-2022 (2010)
МТЗ-2103 (2010)
МТЗ-2522 (2010)
МТЗ-310, 320, 321 (2011)
МТЗ-3522 (2011)
МТЗ-510/512, 520/522 (2010)
МТЗ-570 (2010)
МТЗ-80 (1998)
МТЗ-80 (2002) (2002)
МТЗ-80 (2009) (2009)
МТЗ-80.1 (2015)
МТЗ-821/921 (2009)
МТЗ-822 (2008)
МТЗ-826 (2010)
МТЗ-90/92 (2008)
МТЗ-900
МТЗ-900/920/950/952 (2009)
МТЗ-920.4/952.4 (2009)
МТЗ-922 (2008)
МТЗ-923 (2008)
ФР-00.010 (САЗ) (2015)
ФР-00700-Б (САЗ) (2015)
Схема
>
Не выбрано
Подвеска и блок цилиндров
Головка цилиндров, клапаны и толкатели клапанов
Головка цилиндров, клапаны и толкатели клапанов
Поршни и шатуны. Вал коленчатый и маховик
Механизм распределительный
Газопровод дизеля Д-243/Д-243С
Газопровод дизеля Д-245.5/Д-245.5С
Установка насоса рулевого управления
Баки топливные
Бак топливный (ГНС с гидроподъемником)
Трубопроводы топливные и установка топливной аппаратуры
Трубопроводы топливные и установка топливной аппаратуры
Насос топливный высокого давления 4УТНИ (однорычажный)
Регулятор топливного насоса (однорычажный)
Корректор по наддуву
Насос подкачивающий
Насос топливный «Моторпал» (PP4Mf)
Регулятор топливного насоса
Корректор по наддуву (для Д-245.5C)
Насос подкачивающий CD3M-3554
Форсунка 171.1112010-01
Форсунка 17.1112010-10
Маслопроводы турбокомпрессора
Фильтр топливный грубой очистки
Управление подачей топлива
Управление подачей топлива (с гидронавесной системой типа «Joystick»)
Останов дизеля
Останов дизеля (для дизелей с однорычажным топливным насосом)
Фильтр воздушный
Моноциклон
Фильтр топливный тонкой очистки
Глушитель
Радиатор водяной. Подвеска радиатора
Термостат системы охлаждения
Насос водяной и вентилятор
Ограждение вентилятора
Шторка
Картер масляный
Насос масляный и приемник масляного насоса
Фильтр масляный центробежный
Радиатор масляный
Диски сцепления
Корпус сцепления
Корпус сцепления. Отводка
Корпус сцепления (привод ВОМ, привод насоса гидросистемы навески)
Корпус сцепления (привод ВОМ, редуктор, мультипликатор)
Корпус сцепления (синхронизированный реверс-редуктор). По заказу
Привод выключения сцепления
Коробка передач. Корпус коробки передач (800, 820, 890, 892)
Вал первичный. Вал вторичный (800, 820, 890, 892)
Вал внутренний. Вал промежуточный (800, 820, 890, 892)
Вал 1-й передачи и заднего хода (800, 820, 890, 892)
Редуктор. Мультипликатор (800, 820, 890, 892)
Механизм управления коробкой передач. Корпус вилок (800, 820, 890, 892)
Механизм управления коробкой передач. Крышка (800, 820, 890, 892)
Управление механическим редуктором (800, 820, 890, 892)
Коробка передач. Корпус. Привод ПВМ (900, 920, 950, 952)
Вал первичный (900, 920, 950, 952)
Вал вторичный (900, 920, 950, 952)
Вал промежуточный (900, 920, 950, 952)
Вал 1-й передачи и заднего хода. Опора валов (900, 920, 950, 952)
Управление коробкой передач (900, 920, 950, 952)
Управление редуктором
Управление синхронизированным реверс-редуктором (по заказу)
Раздаточная коробка (820, 892, 920, 952)
Вал карданный. Промежуточная опора карданного вала (820, 892, 920, 952)
Ограждение карданного вала (820, 892, 920, 952)
Передний ведущий мост. Корпус переднего моста. Дифференциал (820, 892, 920, 952)
Главная передача переднего ведущего моста (820, 892, 920, 952)
Редуктор конечной передачи переднего ведущего моста (820, 892, 920, 952)
Передний ведущий мост с планетарно цилиндрическими редукторами (820.2, 892.2, 920.2, 952.2)
Редуктор конечной передачи переднего ведущего моста (820.2, 892.2, 920.2, 952.2)
Корпус заднего моста. Конечная передача
Дифференциал. Стакан подшипников
Механизм блокировки дифференциала
Полурама
Ось передняя. Тяга рулевая (800, 890, 900, 950)
Колеса передние направляющие. Ступицы передних колес (800, 890, 900, 950)
Колеса передние ведущие (820/820.2, 892/892.2, 920/920.2, 952/952.2)
Колеса задние. Ступицы задних колес
Привод рулевого механизма
Арматура рулевого управления и блокировки дифференциала заднего моста
Гидроцилиндр 50x25-200, для Беларус 820.2/892.2.
Гидроцилиндр Ц63 (63x20-200) (по заказу) (820/820.2, 892/892.2, 920/920.2, 952/952.2)
Гидроцилиндр и арматура ГОРУ (800, 890, 900, 950)
Гидроцилиндр Ц50 и арматура ГОРУ (ПВМ 72-2300020) (820, 892, 920, 952)
Гидроцилиндр Ц63 и арматура ГОРУ (ПВМ 822-2300020)
Тормоза рабочие. Управление тормозами
Тормоза рабочие трехдисковые (900/920, 950/952)
Тормоз стояночный
Трубопроводы и арматура пневмопривода тормозов прицепа.
Регулятор давления
Баллон
Кран тормозной
Головка соединительная
Компрессор
Электрооборудование двигателя и трансмиссии
Электрооборудование по кабине
Установка фонарей задних
Установка батарей аккумуляторных (12 В)
Установка батарей аккумуляторных (24 В)
Генератор (Система пуска 12 В)
Генератор (Система пуска 24 В)
Подогреватель электрофакельный
Стартер (12 В, 24 В)
Фонари передние
Плафон освещения кабины
Фонари задние
Фонарь освещения номерного знака
Щиток приборов
Основание. Приборы (вариант 1)
Основание. Приборы (вариант 2)
Стенка, крышка
Стеклоочиститель переднего стекла
Стеклоочиститель заднего стекла
Стеклоомыватель
Кабина трактора. Крылья задние
Кабина трактора. Пол кабины
Двери кабины
Сиденье оператора (Беларус), Grammer DS85H190A-no заказу
Сиденье оператора. Механизм регулировки
Сиденье дополнительное
Тент-каркас. Основание
Отопитель. Арматура отопителя
Зеркало внутреннее
Зеркало наружное
Козырек противосолнечный
Облицовка (800/820, 890/892)
Облицовка (Серии «900») (890/892, 900/920, 950/952)
Крылья передние (неведущие колеса) (800, 890, 900, 950)
Крылья передние (ПВМ с коническими редукторами) (820, 892, 920, 952)
Крылья передние (ПВМ с планетарно-цилиндрическими редукторами) (900.2, 920.2, 950.2, 952.2)
Подножка
Управление БД и ВОМ (электрическая часть) (920.2, 952.2)
Вал отбора мощности
Вал отбора мощности (для тракторов в комплектации с гидроподъемником) (900.2, 920.2, 950.2, 952.2)
Управление задним валом отбора мощности
Управление задним валом отбора мощности с гидроподъемником (900.2, 920.2, 950.2, 952.2)
Балласт (грузы по 45 кг)
Балласт (грузы по 20 кг)
Вал отбора мощности боковой
Шкив приводной
Механизм задней навески
Стяжка телескопическая
Наружная блокировка нижних тяг
Управление гидрораспределителем
Управление гидрораспределителем (ГНС с гидроподъемником) (900/920, 950/952)
Арматура корпуса гидроагрегатов
Гидроагрегаты и арматура (ГНС с гидроподъемником) (900/920, 950/952)
Гидроагрегаты и арматура (ГНС с автономным силовым цилиндром)
Гидроагрегаты и арматура (ГНС с гидроподъемником) (900/920, 950/952)
Бак масляный и фильтр
Привод насоса
Гидроцилиндр Ц 100x200-3
Гидроцилиндр Ц110x200-3 (Hydrolats) (900/920, 950/952). По заказу
Распределитель R80-3/4-222-3Гг
Насос шестеренчатый
Регулятор
Управление регулятором
Управление регулятором (ГНС со смешанным регулированием)
Переключатель (ГНС со смешанным регулированием)
Запорное устройство
Механизм фиксации (В ЗНУ с гидроподъемником не используется.)
Муфта разрывная
Гидроагрегаты и арматура гидросистемы с тросовым управлением распределителя (типа "Joystick")
Цилиндр гидроподъемника (900.2, 920.2, 950.2, 952.2)
Цилиндр гидроподъемника (900.2, 920.2, 950.2, 952.2)
Распределитель гидроподъемника (900.2, 920.2, 950.2, 952.2)
Гидроподъемник (900.2, 920.2, 950.2, 952.2)
Гидроподъемник (900.2, 920.2, 950.2, 952.2)
Навесное устройство с гидроподъемником (900.2, 920.2, 950.2, 952.2)
Управление блокировкой дифференциала заднего моста
Устройство прицепное маятниковое. Вариант «Крюк».
Устройство прицепное маятниковое. Вариант «маятник» или «прицеп»
Устройство буксирное
Крюк прицепной гидрофицированный
Тягово-сцепное устройство
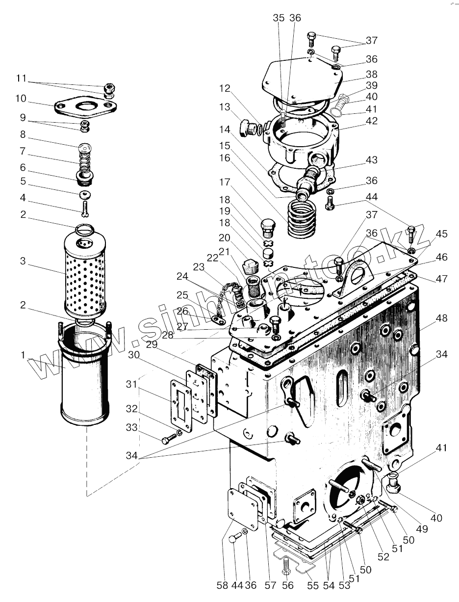
1
2
2
3
4
5
6
7
8
9
10
11
12
13
14
15
16
17
18
18
19
20
21
22
23
24
25
26
27
28
29
30
31
32
33
34
34
35
36
36
36
36
36
37
37
38
39
40
40
41
41
42
43
44
44
45
46
47
48
49
50
50
51
51
52
53
54
55
56
57
58
Позиция на иллюстрации
Заводской номер детали
Название детали
А28.04.10.000
А28.04.10.000
Клапан 8.20.004 в сборе
85-4608090
85-4608090
Клапан 85-4608091 в сборе
1
А28.04.20.000-А
Корпус
2
042-050-46-2-2
Кольцо
3
761-00-00-00
Элемент фильтрующий Реготмас 635-1
4
В1.М6x40
Винт
5
8.20.004
Клапан
6
А28.04.10.001
Корпус
7
8.20.002
Пружина
8
8.20.005
Шайба опорная
9
М6
Гайка
10
А28.04.00.001
Ограничитель
11
М6
Гайка
12
021-025-25-1-4
Кольцо
13
85-4608021
Пробка
14
85-4608089-01
Прокладка
15
85-4607034
Штуцер
16
85-4608057
Пружина
17
50-4608059
Пробка сапуна
18
50-4608063
Фильтр
19
50-4608062
Шайба сапуна
20
КГ11/4dm
Пробка
21
А61-С06-А2
Фильтр
22
85-4608091
Клапан
23
50-1002450
Цепочка
24
011-015-25-2-4
Кольцо
25
36-1101067
Кольцо
26
50-3407069
Чека
27
М12x20
Болт
28
ШП12
Шайба
29
85-4608086-А-01
Прокладка
30
85-4608087
Указатель
31
85-4608088
Пластина
32
ШП6
Шайба
33
М6x16
Болт
34
М10xТ2/6дx20
Шпилька
35
М8x80
Болт
36
М8x25
Болт
37
ШП8
Шайба
38
85-4608022
Крышка
39
130-135-30-2-4
Кольцо
40
017-022-30-2-2
Кольцо
41
50-4608027-Б
Пробка
42
85-4608018
Стакан
43
027-032-30-2-4
Кольцо
44
М8x20
Болт
45
85-4608025
Крышка
46
80-4608073
Кронштейн
47
85-4608031-01
Прокладка
48
85-4608016-А
Корпус гидросистемы
49
M10xT2/6gx35
Шпилька
50
М10x40
Болт
51
ШП10
Шайба
52
М10
Гайка
53
70-4608072
Пластина
54
50-4608049
Прокладка
55
70-4607168
Пластина
56
М14x1,5x16
Болт
57
70-4608033-01
Прокладка
58
70-4608019-01
Крышка
Содержащиеся в справочниках-каталогах запасные части и детали не предлагаются к продаже, а носят исключительно информационный характер
Дополнительная информация
×
Название:
Номер:
Примечание: